norelem uses cookies to optimally design and continually improve the website. By continuing to use this website, you agree to the use of cookies. You can find more information about cookies in our Data protection declaration.okay

Item description/product images

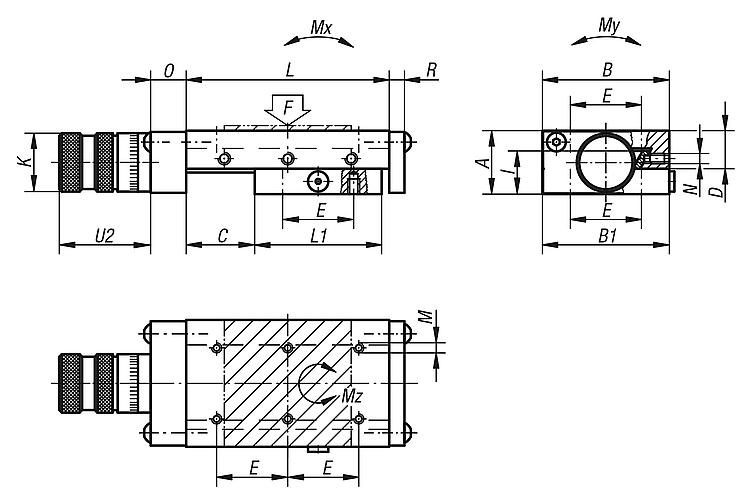
DescriptionMaterial:GJL 250Version:Bright, ground.Note:The central set screw "N" can be replaced by a clamping lever 06460. The scale ring is graduated in 0.02 mm increments. Other graduations available on request.
The stated permissible load values (F) are designed for dynamic loads with a lifespan of 1 million travel cycles.
For static loads 10 times the value F is permitted.
The torque values apply only to centred carriages.

TI = number of fastening holes E/M inside
TA = number of fastening holes E/M outside
Special features:
RoHS
DownloadHere is all the information as a PDF datasheet:

Are you looking for CAD data? These can be found directly in the product table.
 Datasheet 21032 Dovetail slides with micrometer spindle 160 kB

Drawings

Dovetail slides with micrometer spindle

Item selection/filter

Order No.ABB1CD

ETlTAIKLL1MNORU2SpindleF
N
Mx
Nm
My
Nm
Mz
Nm
CADAcc.PriceOrder
21032-050080255049,52515284617,6238050M4M519631M6x1109262 on request
21032-050105255049,55015284817,62310550M4M519631M6x161494 on request
21032-050205255049,5100152881617,623205100M4M519631M6x11147128 on request
21032-075105327574,52519,5624422,53010575M5M521638M10x12905196 on request
21032-075130327574,55019,5624422,53013075M5M521638M10x11685196 on request
21032-075155327574,57519,5624422,53015575M5M521638M10x11185196 on request
21032-1001354010099,52524864427,530135100M6M621638M10x1586114312 on request
21032-1001604010099,55024864427,530160100M6M621638M10x1351114312 on request
21032-1002604010099,510024864627,530260150M6M621638M10x1395236326 on request
21032-20031060200199100371704441,547310200M8M828853Tr 16x210786628371 on request
My norelemE-mailPassword
Shopping cart
Number of items: 0
Amount: 0.00  
shopping cart
欢迎扫描二维码
咨询诺瑞朗官方客服微信
China
苏ICP备20011289号-1  苏公网安备32058502011222 Sitemap Print Recommended Top
Copyright © 2025 norelem. All rights reserved. Tel. +49 71 45/206-44 to 45 · Fax +49 71 45/206-83