|
Item description/product images |
|
|
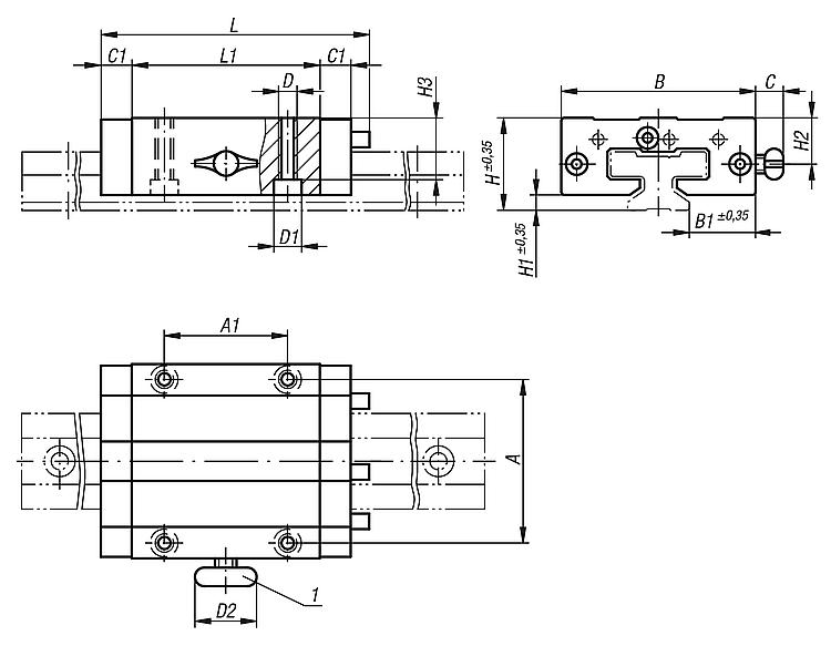
DescriptionMaterial:Sliding carriage: Base structure in extruded section, aluminium EN AW-6060. Sliding elements: Maintenance free plain bearing iglidur® J. Cap: Thermoplastic Version:Eloxal-coated E6/EV1. Black thermoplasticNote:With a low rate of inerita, high accelerations and short term extreme speeds up to 30 m/s are possible. DryLin® T linear glide guides are resistant to dirt and corrosion and are adjustable, maintenance-free and quiet. Application temperature max. 80 °C. As no lubricants are used they are recommended for use in food, medical, and clean room technologies. Manual clamping was developed for simple functions. Polymer under constant pressure has a tendency to creep which causes a decrease in clamping force over time (up to 70%), which means that no safety-relevant parts should be clamped. Suitable guide rails see 21200. Drawing reference:Special features: DownloadHere is all the information as a PDF datasheet:
Are you looking for CAD data? These can be found directly in the product table.
|
| Order No. | Version 2 | Size | C0Y kN | C0(-Y) kN | C0Z kN | M0X Nm | M0Y Nm | M0Z Nm | A | A1 | B | B1 | C | C1 | D | D1 for screw to DIN 912 | D2 | H | H1 | H2 | H3 | L | L1 | Manual clamp thread | CAD | Acc. | Price | Order |
|---|
| 21200-1500 | standard fixed bearing | 15 | 4 | 4 | 2 | 32 | 25 | 25 | 38 | 30 | 47 | 16 | - | 9 | M5 | M4 | - | 24 | 4 | - | 16 | 74 | 50 | - |  | | on request | | | 21200-2000 | standard fixed bearing | 20 | 7,4 | 7,4 | 3,7 | 85 | 45 | 45 | 53 | 40 | 63 | 21,5 | - | 10 | M6 | M5 | - | 30 | 5 | - | 19,8 | 87 | 61 | - |  | | on request | | | 21200-2500 | standard fixed bearing | 25 | 10 | 10 | 5 | 125 | 65 | 65 | 57 | 45 | 70 | 23,5 | - | 11 | M8 | M6 | - | 36 | 5 | - | 24,8 | 96 | 68 | - |  | | on request | | | 21200-3000 | standard fixed bearing | 30 | 14 | 14 | 7 | 200 | 100 | 100 | 72 | 52 | 90 | 31 | - | 12 | M10 | M8 | - | 42 | 6,5 | - | 27 | 109 | 79 | - |  | | on request | | | 21200-1510 | fixed bearing with manual clamping | 15 | 4 | 4 | 2 | 32 | 25 | 25 | 38 | 30 | 47 | 16 | 19 | 9 | M5 | M4 | 20 | 24 | 4 | 11,5 | 16 | 74 | 50 | M6 |  | | on request | | | 21200-2010 | fixed bearing with manual clamping | 20 | 7,4 | 7,4 | 3,7 | 85 | 45 | 45 | 53 | 40 | 63 | 21,5 | 18 | 10 | M6 | M5 | 28 | 30 | 5 | 15 | 19,8 | 87 | 61 | M8 |  | | on request | | | 21200-2510 | fixed bearing with manual clamping | 25 | 10 | 10 | 5 | 125 | 65 | 65 | 57 | 45 | 70 | 23,5 | 17 | 11 | M8 | M6 | 28 | 36 | 5 | 19 | 24,8 | 96 | 68 | M8 |  | | on request | | | 21200-3010 | fixed bearing with manual clamping | 30 | 14 | 14 | 7 | 200 | 100 | 100 | 72 | 52 | 90 | 31 | 20 | 12 | M10 | M8 | 28 | 42 | 6,5 | 21,5 | 27 | 109 | 79 | M8 |  | | on request | | | 21200-1520 | floating bearing y axis | 15 | 4 | 4 | 2 | 32 | 25 | 25 | 38 | 30 | 47 | 16 | - | 9 | M5 | M4 | - | 24 | 4 | - | 16 | 74 | 50 | - |  | | on request | | | 21200-2020 | floating bearing y axis | 20 | 7,4 | 7,4 | 3,7 | 85 | 45 | 45 | 53 | 40 | 63 | 21,5 | - | 10 | M6 | M5 | - | 30 | 5 | - | 19,8 | 87 | 61 | - |  | | on request | | | 21200-2520 | floating bearing y axis | 25 | 10 | 10 | 5 | 125 | 65 | 65 | 57 | 45 | 70 | 23,5 | - | 11 | M8 | M6 | - | 36 | 5 | - | 24,8 | 96 | 68 | - |  | | on request | | | 21200-3020 | floating bearing y axis | 30 | 14 | 14 | 7 | 200 | 100 | 100 | 72 | 52 | 90 | 31 | - | 12 | M10 | M8 | - | 42 | 6,5 | - | 27 | 109 | 79 | - |  | | on request | | | 21200-1530 | floating bearing z axis | 15 | 4 | 4 | 2 | 32 | 25 | 25 | 38 | 30 | 47 | 16 | - | 9 | M5 | M4 | - | 24 | 4 | - | 16 | 74 | 50 | - |  | | on request | | | 21200-2030 | floating bearing z axis | 20 | 7,4 | 7,4 | 3,7 | 85 | 45 | 45 | 53 | 40 | 63 | 21,5 | - | 10 | M6 | M5 | - | 30 | 5 | - | 19,8 | 87 | 61 | - |  | | on request | | | 21200-2530 | floating bearing z axis | 25 | 10 | 10 | 5 | 125 | 65 | 65 | 57 | 45 | 70 | 23,5 | - | 11 | M8 | M6 | - | 36 | 5 | - | 24,8 | 96 | 68 | - |  | | on request | | | 21200-3030 | floating bearing z axis | 30 | 14 | 14 | 7 | 200 | 100 | 100 | 72 | 52 | 90 | 31 | - | 12 | M10 | M8 | - | 42 | 6,5 | - | 27 | 109 | 79 | - |  | | on request | |
Other items in this category |
|
|