norelem uses cookies to optimally design and continually improve the website. By continuing to use this website, you agree to the use of cookies. You can find more information about cookies in our Data protection declaration.okay

Item description/product images

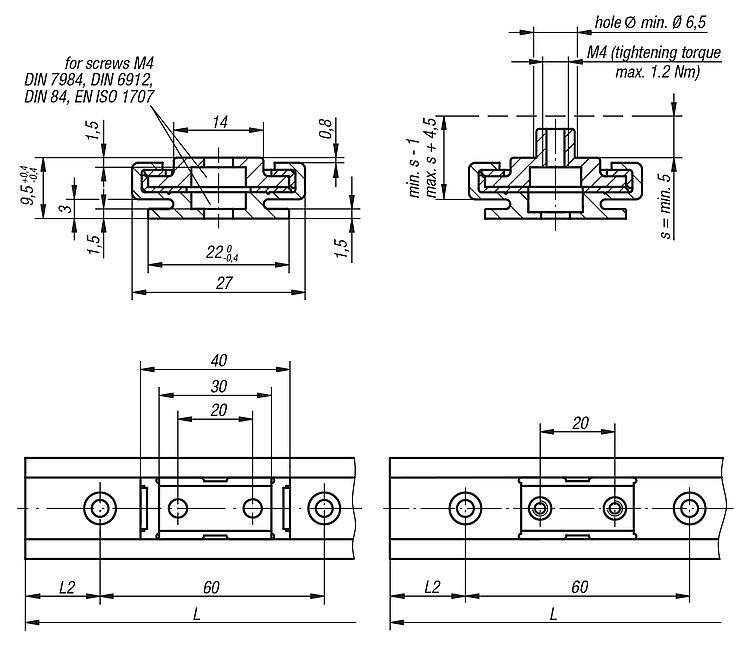
DescriptionMaterial:

Carriage body zinc.
Plastic bearing material iglidur® J.
Rails anodised aluminium.

Version:Body chromed.
Guide rail natural colour anodised.
Note:Miniature slide guides are maintenance-free and corrosion resistant. Very high speeds and accelerations are possible due to the low weight. Applicable temperature max. 80 °C.
Miniature slide guides are insensitive to dust and are ideal for dry running.

** length L2 = 30 mm and
* L = 1000 mm included
L2 and L only available in full mm.
DownloadHere is all the information as a PDF datasheet:

Are you looking for CAD data? These can be found directly in the product table.
 Datasheet 21230 Miniature slide guides DryLin® N 261 kB

Drawings (total overview)

Miniature slide guides DryLin® N, width 27 mm
Miniature slide guides DryLin® N, width 27 mm

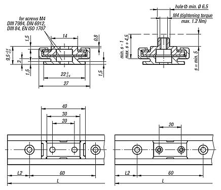
Low profile linear guide systems DryLin® N Carriage

More information

Drawings

Low profile linear guide systems DryLin® N Carriage
Low profile linear guide systems DryLin® N Carriage

Item selection/filter

Order No.ItemVersion 1Version 2CADAcc.PriceOrder
21230-2700Guide Carriagefixed bearingwith through hole on request
21230-2701Guide Carriagefloating bearingwith through hole on request
21230-2710Guide Carriagefixed bearingwith tapped holes on request
21230-2711Guide Carriagefloating bearingwith tapped holes on request

Low profile linear guide systems DryLin® N Guide rails

More information

Drawings

Low profile linear guide systems DryLin® N Guide rails
Low profile linear guide systems DryLin® N Guide rails

Item selection/filter

Order No.

ItemL
max.
L2CADAcc.PriceOrder
21230-2730X3000Guide rail300030 on request
Order No.

ItemVersion 1Version 2L
max.
LL2L2
min.
L2
max.
CADAcc.PriceOrder
21230-27**X*Guide railL2 and L customer specificwith through hole3000***2049on request
My norelemE-mailPassword
Shopping cart
Number of items: 0
Amount: 0.00  
shopping cart
欢迎扫描二维码
咨询诺瑞朗官方客服微信
China
苏ICP备20011289号-1  苏公网安备32058502011222 Sitemap Print Recommended Top
Copyright © 2025 norelem. All rights reserved. Tel. +49 71 45/206-44 to 45 · Fax +49 71 45/206-83