norelem uses cookies to optimally design and continually improve the website. By continuing to use this website, you agree to the use of cookies. You can find more information about cookies in our Data protection declaration.okay
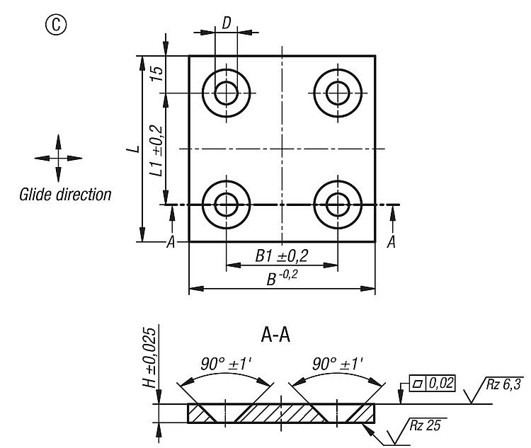
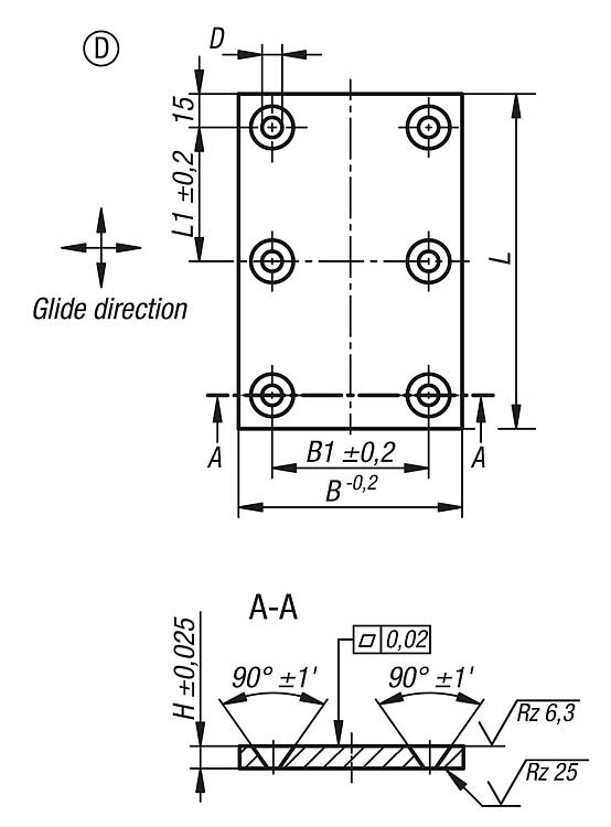
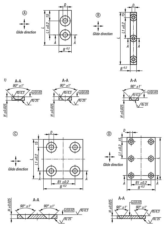
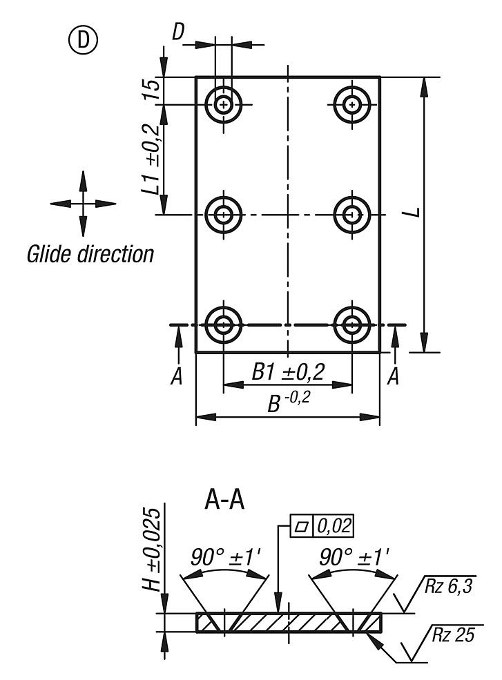
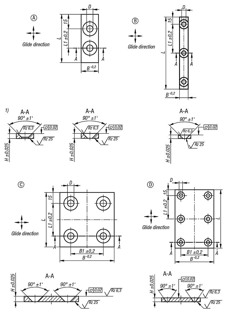
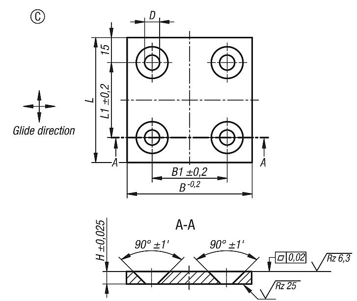
DescriptionMaterial:Bronze with graphite inserts.Version:Self-lubricating.Note:The sliding plates slide in a vertical and horizontal direction. The bronze slide elements are maintenance-free and wear-resistant. The graphite inserts provide lifetime lubrication.Technical data:Material properties: Base alloys: CuZn25Al5Mn4Fe3-C.