norelem uses cookies to optimally design and continually improve the website. By continuing to use this website, you agree to the use of cookies. You can find more information about cookies in our Data protection declaration.okay

Item description/product images

Show/filter all items
DescriptionMaterial:Bronze with graphite inserts.
Steel.
Version:Self-lubricating bronze.
Hardened steel, sliding face coated with sintered metal.
Note:The sliding plates slide in a vertical direction.
The bronze slide elements are maintenance-free and wear-resistant.
The graphite inserts provide lifetime lubrication.
The steel sliding plates are hardened and the sliding face has a sintered metal glide coating.
The sintered metal glide coating makes the steel sliding plates maintenance-free.
Technical data:Material properties:
Base alloys: CuZn25Al5Mn4Fe3-C.

Density: 8.2 kg/dm³.
Flexural fatigue strength: +/- 150 MPa.
Modulus of elasticity: 120,000 N/mm².
Coefficient of friction: 0.05 - 0.12.
Max. speed: 0.5 m/s.
Thermal conductivity: 50 W/(mK).
Coefficient of thermal expansion: 18x10-6 K-1.
Electrically conductive: 7-8 m/(Ω·m-1).
Solid lubricant content: 20-25%.
Static surface pressure: 50 N/mm².
Dynamic surface pressure: 35 N/mm².
Temperature range:Up to 230 °C.Special features:
RoHS
DownloadHere is all the information as a PDF datasheet:

Are you looking for CAD data? These can be found directly in the product table.
 Datasheet 23765 Glide plate bronze or steel, maintenance-free 260 kB

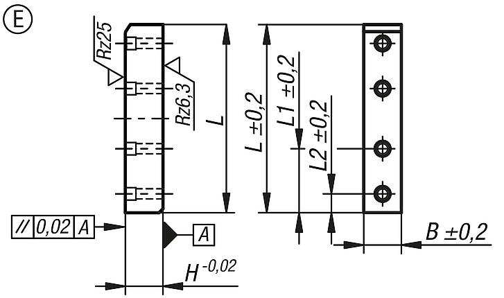
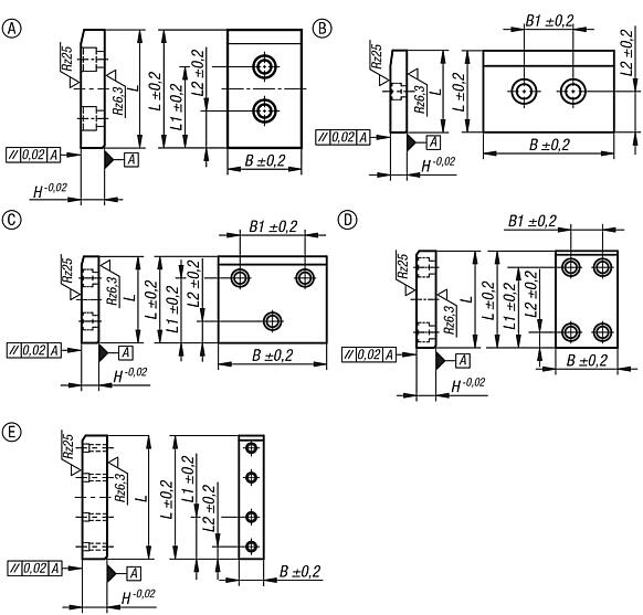
Drawings (total overview)

Glide plate bronze or steel, maintenance-free

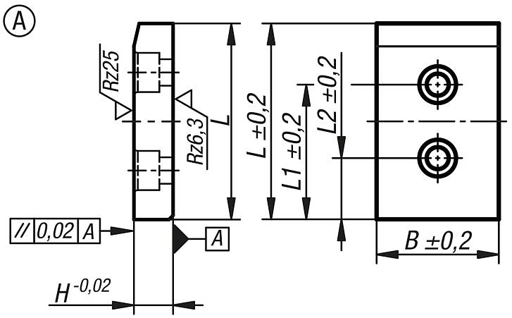
Glide plate bronze or steel, maintenance-free, Form A

More information

Drawings

Glide plate bronze or steel, maintenance-free, Form A

Item selection/filter

Order No.FormMain
material
Surface finish
body
Component
material
B

HLL1L2CADAcc.PriceOrder
23765-0050080Asteelhardened-5020805525 on request
23765-0050100Asteelhardened-50201007525 on request
23765-0050125Asteelhardened-502012510025 on request
23765-0050160Asteelhardened-502016013525 on request
23765-0050200Asteelhardened-502020017525 on request
23765-0080080Asteelhardened-8020805525 on request
23765-0080100Asteelhardened-80201007525 on request
23765-0080125Asteelhardened-802012510025 on request
23765-0080160Asteelhardened-802016013525 on request
23765-0080200Asteelhardened-802020017525 on request
23765-0080250Asteelhardened-802025021040 on request
23765-0080315Asteelhardened-802031527540 on request
23765-0100100Asteelhardened-100201007525 on request
23765-0100125Asteelhardened-1002012510025 on request
23765-0100160Asteelhardened-1002016013525 on request
23765-0100200Asteelhardened-1002020017525 on request
23765-0100250Asteelhardened-1002025021040 on request
23765-0100315Asteelhardened-1002031527540 on request
23765-00500801Abronze-graphite5020805525 on request
23765-00501001Abronze-graphite50201007525 on request
23765-00501251Abronze-graphite502012510025 on request
23765-00501601Abronze-graphite502016013525 on request
23765-00502001Abronze-graphite502020017525 on request
23765-00800801Abronze-graphite8020805525 on request
23765-00801001Abronze-graphite80201007525 on request
23765-00801251Abronze-graphite802012510025 on request
23765-00801601Abronze-graphite802016013525 on request
23765-00802001Abronze-graphite802020017525 on request
23765-00802501Abronze-graphite802025021040 on request
23765-00803151Abronze-graphite802031527540 on request
23765-01001001Abronze-graphite100201007525 on request
23765-01001251Abronze-graphite1002012510025 on request
23765-01001601Abronze-graphite1002016013525 on request
23765-01002001Abronze-graphite1002020017525 on request
23765-01002501Abronze-graphite1002025021040 on request
23765-01003151Abronze-graphite1002031527540 on request

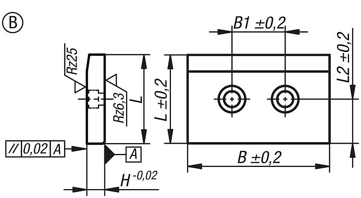
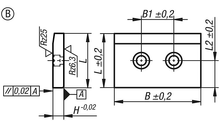
Glide plate bronze or steel, maintenance-free, Form B

More information

Drawings

Glide plate bronze or steel, maintenance-free, Form B

Item selection/filter

Order No.FormMain
material
Surface finish
body
Component
material
B

B1HLL2CADAcc.PriceOrder
23765-1080050Bsteelhardened-8030205025 on request
23765-1100050Bsteelhardened-10050205025 on request
23765-1100080Bsteelhardened-10050208040 on request
23765-1125050Bsteelhardened-12575205025 on request
23765-1125080Bsteelhardened-12575208040 on request
23765-1160050Bsteelhardened-160110205025 on request
23765-1160080Bsteelhardened-160110208040 on request
23765-10800501Bbronze-graphite8030205025 on request
23765-11000501Bbronze-graphite10050205025 on request
23765-11000801Bbronze-graphite10050208040 on request
23765-11250501Bbronze-graphite12575205025 on request
23765-11250801Bbronze-graphite12575208040 on request
23765-11600501Bbronze-graphite160110205025 on request
23765-11600801Bbronze-graphite160110208040 on request

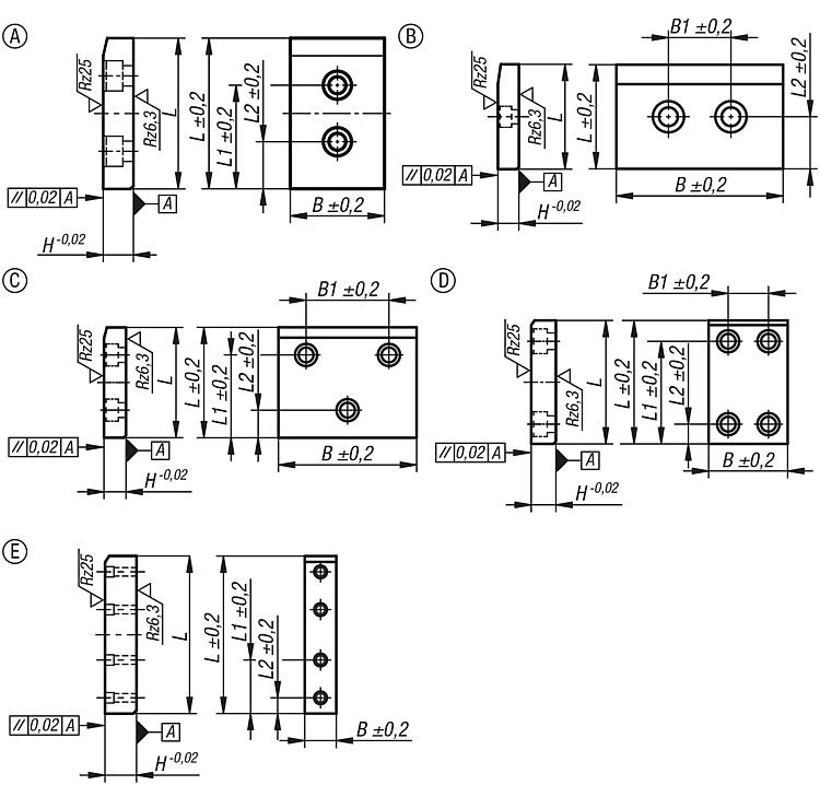
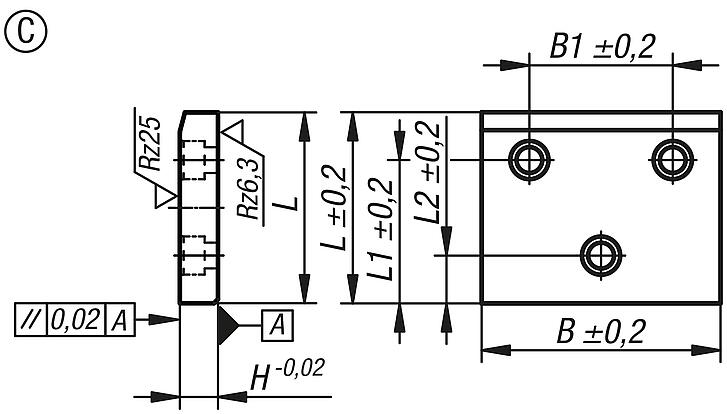
Glide plate bronze or steel, maintenance-free, Form C

More information

Drawings

Glide plate bronze or steel, maintenance-free, Form C

Item selection/filter

Order No.FormMain
material
Surface finish
body
Component
material
B

B1HLL1L2CADAcc.PriceOrder
23765-2125100Csteelhardened-12575201007525 on request
23765-2125125Csteelhardened-125752012510025 on request
23765-2125160Csteelhardened-125752016013525 on request
23765-2125200Csteelhardened-125752020017525 on request
23765-2125250Csteelhardened-125752025021040 on request
23765-2125315Csteelhardened-125752031527540 on request
23765-2160100Csteelhardened-160110201007525 on request
23765-2160125Csteelhardened-1601102012510025 on request
23765-2160160Csteelhardened-1601102016013525 on request
23765-2160200Csteelhardened-1601102020017525 on request
23765-21251001Cbronze-graphite12575201007525 on request
23765-21251251Cbronze-graphite125752012510025 on request
23765-21251601Cbronze-graphite125752016013525 on request
23765-21252001Cbronze-graphite125752020017525 on request
23765-21252501Cbronze-graphite125752025021040 on request
23765-21253151Cbronze-graphite125752031527540 on request
23765-21601001Cbronze-graphite160110201007525 on request
23765-21601251Cbronze-graphite1601102012510025 on request
23765-21601601Cbronze-graphite1601102016013525 on request
23765-21602001Cbronze-graphite1601102020017525 on request

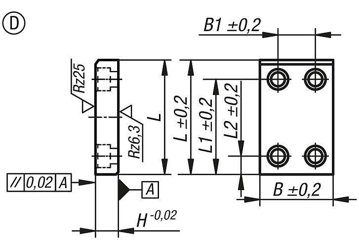
Glide plate bronze or steel, maintenance-free, Form D

More information

Drawings

Glide plate bronze or steel, maintenance-free, Form D

Item selection/filter

Order No.FormMain
material
Surface finish
body
Component
material
B

B1HLL1L2CADAcc.PriceOrder
23765-3160250Dsteelhardened-1601102025021040 on request
23765-3160315Dsteelhardened-1601102031527540 on request
23765-31602501Dbronze-graphite1601102025021040 on request
23765-31603151Dbronze-graphite1601102031527540 on request

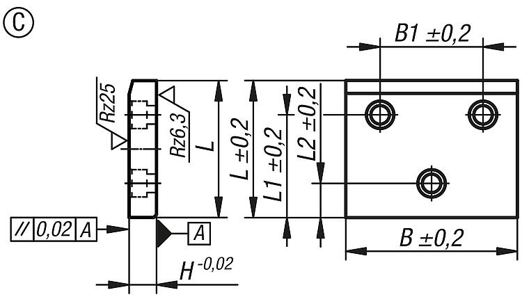
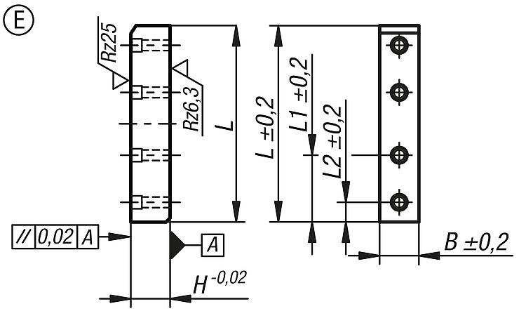
Glide plate bronze or steel, maintenance-free, Form E

More information

Drawings

Glide plate bronze or steel, maintenance-free, Form E

Item selection/filter

Order No.FormMain
material
Component
material
B

HLL1L2CADAcc.PriceOrder
23765-40502501Ebronzegraphite50202508525 on request
23765-40503001Ebronzegraphite502030010525 on request
23765-40503501Ebronzegraphite502035012525 on request
23765-40504001Ebronzegraphite502040014525 on request
23765-40504501Ebronzegraphite502045016525 on request
23765-40505001Ebronzegraphite502050017525 on request
23765-40802501Ebronzegraphite80202508525 on request
23765-40803001Ebronzegraphite802030010525 on request
23765-40803501Ebronzegraphite802035012525 on request
23765-40804001Ebronzegraphite802040014525 on request
23765-40804501Ebronzegraphite802045016525 on request
23765-40805001Ebronzegraphite802050017525 on request
23765-41004501Ebronzegraphite1002045016525 on request
23765-41005001Ebronzegraphite1002050017525 on request
23765-41254501Ebronzegraphite1252045016525 on request
23765-41255001Ebronzegraphite1252050017525 on request
My norelemE-mailPassword
Shopping cart
Number of items: 0
Amount: 0.00  
shopping cart
欢迎扫描二维码
咨询诺瑞朗官方客服微信
China
苏ICP备20011289号-1  苏公网安备32058502011222 Sitemap Print Recommended Top
Copyright © 2025 norelem. All rights reserved. Tel. +49 71 45/206-44 to 45 · Fax +49 71 45/206-83