|
|
|
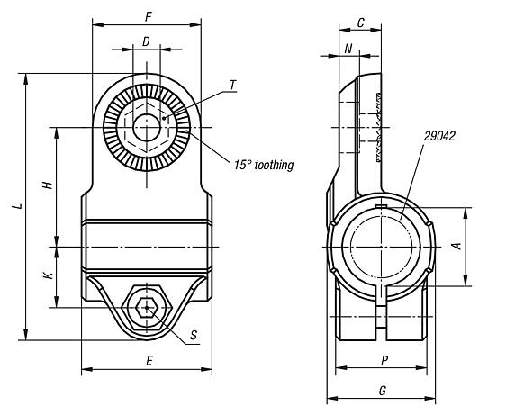
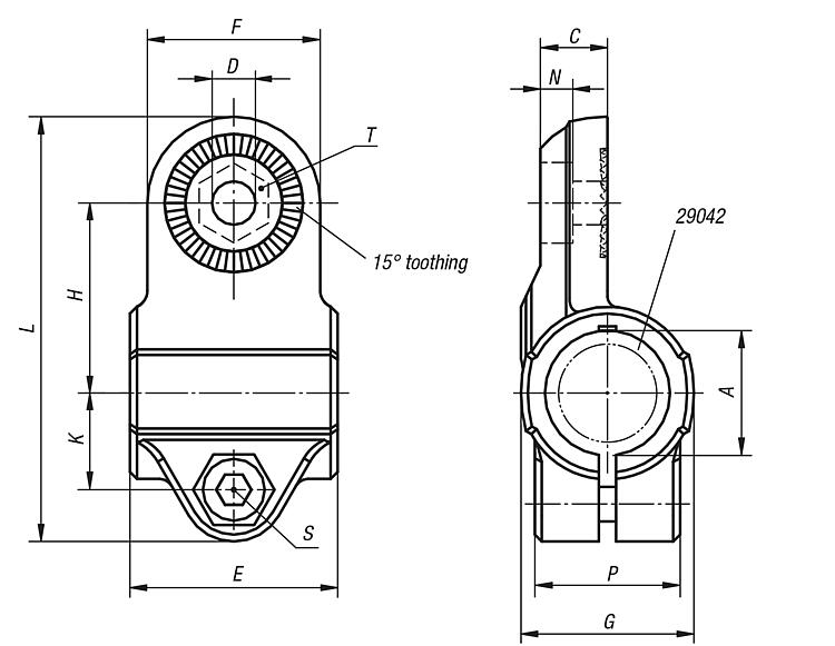
29028Tube clamps swivel half, sunken teeth, plastic |
go back |
|
Item description/product images |
|
|
DescriptionMaterial:Thermoplastic. DIN 7984 screws and DIN 985 nuts steel.Version:Black. Screws and nuts electro zinc-plated.Note:Swivel half clamps with sunken teeth can be combined with swivel half clamps with raised teeth (29026) to make a complete swivel clamp. The standard size for round tubes is Ø18 mm or Ø30 mm. Use reducer sleeves 29042 if smaller tubes are to be clamped or a conversion from round to square tubes is required.On request:Plastic clamping levers for tightening.Accessory:- Reducer sleeves 29042 - Round and square tubes 29050Special features: DownloadHere is all the information as a PDF datasheet:
Are you looking for CAD data? These can be found directly in the product table.
|
| Order No. | A | C | D | E | F | G | H | K | L | N | P | S | T | CAD | Acc. | Price | Order |
|---|
| 29028-18 | 18 | 9,7 | 6,1 | 30 | 25 | 25 | 27,5 | 14 | 61,5 | 5,7 | 21 | M6x18 | M6-DIN 985 |  |  | on request | | | 29028-30 | 30 | 16,5 | 8,1 | 45 | 40 | 40 | 43 | 22,5 | 95,5 | 6,5 | 28,5 | M8x25 | M8-DIN 985 |  |  | on request | |
Other items in this category |
|
|