norelem uses cookies to optimally design and continually improve the website. By continuing to use this website, you agree to the use of cookies. You can find more information about cookies in our Data protection declaration.okay

Item description/product images

DescriptionMaterial:Profile tube aluminium.
End caps aluminium
Spindle steel.
Version:Profile tube natural tone anodised.End caps black anodised.Note:These linear actuators are used for linear movements and positioning. The slides are moved via a threaded spindle. This movement can be carried out either manually using a handwheel or via an electric drive. The slides are guided play-free on profile rails.Temperature range:0 °C to +60 °CAccessory:Stainless steel or aluminium actuator for linear actuators 85000-50.Special features:
RoHS
DownloadHere is all the information as a PDF datasheet:

Are you looking for CAD data? These can be found directly in the product table.
 Datasheet 29104 Linear actuators, aluminium, square 149 kB

Drawings (total overview)

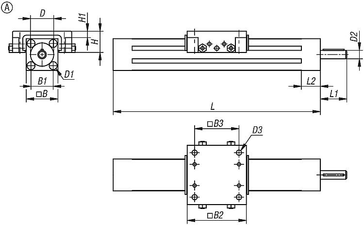
Linear actuators, aluminium, square

Linear actuators, aluminium, square, Form A

More information

Drawings

Linear actuators, aluminium, square, Form A

Item selection/filter

Order No.FormForm definitionB

B1B2B3DD1D2D3HH1Travel
S
LL1L2SpindleTyp EVCADAcc.PriceOrder
29104-030X300AMounting bracket one-side3021564222M04x258M62072043002518Tr 14x330 on request
29104-030X500AMounting bracket one-side3021564222M04x258M62074045002518Tr 14x330 on request
29104-030X800AMounting bracket one-side3021564222M04x258M62077048002518Tr 14x330 on request
29104-040X1000AMounting bracket one-side4029685428M05x3010M626888510002822Tr18x440 on request
29104-040X300AMounting bracket one-side4029685428M05x3010M62681853002822Tr18x440 on request
29104-040X500AMounting bracket one-side4029685428M05x3010M62683855002822Tr18x440 on request
29104-040X800AMounting bracket one-side4029685428M05x3010M62686858002822Tr18x440 on request
29104-050X1000AMounting bracket one-side5038856735M06x3012M8331086010003025Tr 20x450 on request
29104-050X500AMounting bracket one-side5038856735M06x3012M833103605003025Tr 20x450 on request
29104-050X800AMounting bracket one-side5038856735M06x3012M833106608003025Tr 20x450 on request

Linear actuators aluminium, square, Form B

More information

Drawings

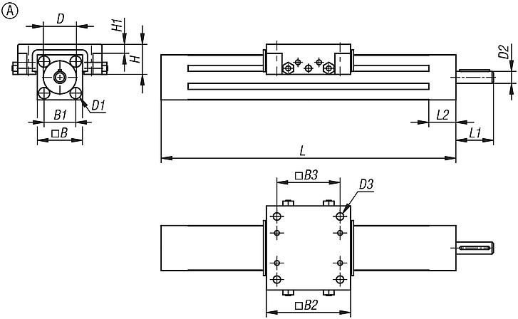
Linear actuators aluminium, square, Form B

Item selection/filter

Order No.FormForm definitionB

B1B2B3DD1D2D3HH1Travel
S
LL1L2SpindleTyp EVCADAcc.PriceOrder
29104-130X300BMounting bracket both sides3021564222M04x258M64472043002518Tr 14x330 on request
29104-130X500BMounting bracket both sides3021564222M04x258M64474045002518Tr 14x330 on request
29104-130X800BMounting bracket both sides3021564222M04x258M64477048002518Tr 14x330 on request
29104-140X1000BMounting bracket both sides4029685428M05x3010M656888510002822Tr18x440 on request
29104-140X300BMounting bracket both sides4029685428M05x3010M65681853002822Tr18x440 on request
29104-140X500BMounting bracket both sides4029685428M05x3010M65683855002822Tr18x440 on request
29104-140X800BMounting bracket both sides4029685428M05x3010M65686858002822Tr18x440 on request
29104-150X1000BMounting bracket both sides5038856735M06x3012M8701086010003025Tr 20x450 on request
29104-150X500BMounting bracket both sides5038856735M06x3012M870103605003025Tr 20x450 on request
29104-150X800BMounting bracket both sides5038856735M06x3012M870106608003025Tr 20x450 on request
My norelemE-mailPassword
Shopping cart
Number of items: 0
Amount: 0.00  
shopping cart
欢迎扫描二维码
咨询诺瑞朗官方客服微信
China
苏ICP备20011289号-1  苏公网安备32058502011222 Sitemap Print Recommended Top
Copyright © 2025 norelem. All rights reserved. Tel. +49 71 45/206-44 to 45 · Fax +49 71 45/206-83