|
|
|
03089 inchIndexing plungers, stainless steel with stainless steel mushroom... |
go back |
|
|
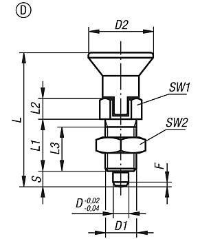
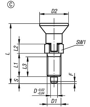
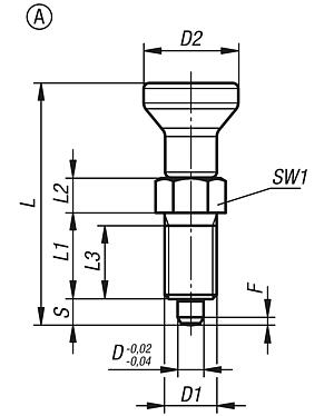
DescriptionProduct description:Indexing plungers are used to prevent any change in locking position due to lateral forces. A new locking position can only be set after the pin has been manually disengaged. Form C or D is recommended for applications in which the pin is disengaged over extended periods and should be prevented from springing back. Material:Version:Threaded sleeve and mushroom grip bright. Indexing pin hardened and ground, bright. Indexing pin not hardened and ground, bright. On request:Special versions.Accessory:Spacer rings 03089. fastening sets for thin-walled parts 03094-10.Drawing reference:Form A: non-lockout type, without locknut Form B: non-lockout type, with locknut Form C: lockout type, without locknut Form D: lockout type, with locknut DownloadHere is all the information as a PDF datasheet:
Are you looking for CAD data? These can be found directly in the product table.
|
Drawings (total overview) |
Indexing plungers, stainless steel with stainless steel mushroom grip - inch |
More information |
| Order No. | Form | Main material | Steel code | locating pin | D | D1 | D2 | L | L1 | L2 | L3 | Travel S | SW1 | Fx30° | Spring force initial pressure F1 approx. N | Spring force final pressure F2 approx. N | CAD | Acc. | Price | Order |
|---|
| 03089-001903AJ | A | stainless steel | 1.4034 | hardened | 3 | 1/4-28 | 14 | 34,5 | 12 | 5 | 10 | 3,5 | 8 | 0,8 | 4,5 | 10 |  | | on request | | | 03089-001004AK | A | stainless steel | 1.4034 | hardened | 4 | 5/16-24 | 18 | 43 | 15 | 6 | 13 | 4 | 10 | 1 | 6 | 12 |  | | on request | | | 03089-001105AL | A | stainless steel | 1.4034 | hardened | 5 | 3/8-24 | 21 | 50 | 17 | 7 | 15 | 5 | 13 | 1,3 | 4,5 | 12 |  | | on request | | | 03089-001206A5 | A | stainless steel | 1.4034 | hardened | 6 | 1/2-13 | 25 | 59 | 20 | 8 | 17 | 6 | 14 | 1,8 | 6 | 14 |  | | on request | | | 03089-001308A6 | A | stainless steel | 1.4034 | hardened | 8 | 5/8-11 | 33 | 77 | 26 | 10 | 23 | 8 | 19 | 2,3 | 15 | 35 |  | | on request | | | 03089-001410A7 | A | stainless steel | 1.4034 | hardened | 10 | 3/4-10 | 33 | 83 | 28 | 12 | 25 | 10 | 22 | 2,6 | 15 | 34 |  | | on request | | | 03089-001412AO | A | stainless steel | 1.4034 | hardened | 12 | 3/4-16 | 33 | 87 | 28 | 14 | 25 | 12 | 22 | 2,8 | 15 | 39 |  | | on request | | | 03089-001516A8 | A | stainless steel | 1.4034 | hardened | 16 | 1-8 | 40 | 106 | 32 | 18 | 28 | 16 | 27 | 3,2 | 20 | 46 |  | | on request | | | 03089-111903AJ | A | stainless steel | 1.4305 | not hardened | 3 | 1/4-28 | 14 | 34,5 | 12 | 5 | 10 | 3,5 | 8 | 0,8 | 4,5 | 10 |  | | on request | | | 03089-111004AK | A | stainless steel | 1.4305 | not hardened | 4 | 5/16-24 | 18 | 43 | 15 | 6 | 13 | 4 | 10 | 1 | 6 | 12 |  | | on request | | | 03089-111105AL | A | stainless steel | 1.4305 | not hardened | 5 | 3/8-24 | 21 | 50 | 17 | 7 | 15 | 5 | 13 | 1,3 | 4,5 | 12 |  | | on request | | | 03089-111206A5 | A | stainless steel | 1.4305 | not hardened | 6 | 1/2-13 | 25 | 59 | 20 | 8 | 17 | 6 | 14 | 1,8 | 6 | 14 |  | | on request | | | 03089-111308A6 | A | stainless steel | 1.4305 | not hardened | 8 | 5/8-11 | 33 | 77 | 26 | 10 | 23 | 8 | 19 | 2,3 | 15 | 35 |  | | on request | | | 03089-111410A7 | A | stainless steel | 1.4305 | not hardened | 10 | 3/4-10 | 33 | 83 | 28 | 12 | 25 | 10 | 22 | 2,6 | 15 | 34 |  | | on request | | | 03089-111412AO | A | stainless steel | 1.4305 | not hardened | 12 | 3/4-16 | 33 | 87 | 28 | 14 | 25 | 12 | 22 | 2,8 | 15 | 39 |  | | on request | | | 03089-111516A8 | A | stainless steel | 1.4305 | not hardened | 16 | 1-8 | 40 | 106 | 32 | 18 | 28 | 16 | 27 | 3,2 | 20 | 46 |  | | on request | |
|
Indexing plungers, stainless steel with stainless steel mushroom grip and locknut - inch |
More information |
| Order No. | Form | Main material | Steel code | locating pin | D | D1 | D2 | L | L1 | L2 | L3 | Travel S | SW1 | SW2 | Fx30° | Spring force initial pressure F1 approx. N | Spring force final pressure F2 approx. N | CAD | Acc. | Price | Order |
|---|
| 03089-002903AJ | B | stainless steel | 1.4034 | hardened | 3 | 1/4-28 | 14 | 34,5 | 12 | 5 | 10 | 3,5 | 8 | 7/16 | 0,8 | 4,5 | 10 |  | | on request | | | 03089-002004AK | B | stainless steel | 1.4034 | hardened | 4 | 5/16-24 | 18 | 43 | 15 | 6 | 13 | 4 | 10 | 1/2 | 1 | 6 | 12 |  | | on request | | | 03089-002105AL | B | stainless steel | 1.4034 | hardened | 5 | 3/8-24 | 21 | 50 | 17 | 7 | 15 | 5 | 13 | 9/16 | 1,3 | 4,5 | 12 |  | | on request | | | 03089-002206A5 | B | stainless steel | 1.4034 | hardened | 6 | 1/2-13 | 25 | 59 | 20 | 8 | 17 | 6 | 14 | 3/4 | 1,8 | 6 | 14 |  | | on request | | | 03089-002308A6 | B | stainless steel | 1.4034 | hardened | 8 | 5/8-11 | 33 | 77 | 26 | 10 | 23 | 8 | 19 | 15/16 | 2,3 | 15 | 35 |  | | on request | | | 03089-002410A7 | B | stainless steel | 1.4034 | hardened | 10 | 3/4-10 | 33 | 83 | 28 | 12 | 25 | 10 | 22 | 1-1/8 | 2,6 | 15 | 34 |  | | on request | | | 03089-002412AO | B | stainless steel | 1.4034 | hardened | 12 | 3/4-16 | 33 | 87 | 28 | 14 | 25 | 12 | 22 | 1-1/8 | 2,8 | 15 | 39 |  | | on request | | | 03089-002516A8 | B | stainless steel | 1.4034 | hardened | 16 | 1-8 | 40 | 106 | 32 | 18 | 28 | 16 | 27 | 1-1/2 | 3,2 | 20 | 46 |  | | on request | | | 03089-112903AJ | B | stainless steel | 1.4305 | not hardened | 3 | 1/4-28 | 14 | 34,5 | 12 | 5 | 10 | 3,5 | 8 | 7/16 | 0,8 | 4,5 | 10 |  | | on request | | | 03089-112004AK | B | stainless steel | 1.4305 | not hardened | 4 | 5/16-24 | 18 | 43 | 15 | 6 | 13 | 4 | 10 | 1/2 | 1 | 6 | 12 |  | | on request | | | 03089-112105AL | B | stainless steel | 1.4305 | not hardened | 5 | 3/8-24 | 21 | 50 | 17 | 7 | 15 | 5 | 13 | 9/16 | 1,3 | 4,5 | 12 |  | | on request | | | 03089-112206A5 | B | stainless steel | 1.4305 | not hardened | 6 | 1/2-13 | 25 | 59 | 20 | 8 | 17 | 6 | 14 | 3/4 | 1,8 | 6 | 14 |  | | on request | | | 03089-112308A6 | B | stainless steel | 1.4305 | not hardened | 8 | 5/8-11 | 33 | 77 | 26 | 10 | 23 | 8 | 19 | 15/16 | 2,3 | 15 | 35 |  | | on request | | | 03089-112410A7 | B | stainless steel | 1.4305 | not hardened | 10 | 3/4-10 | 33 | 83 | 28 | 12 | 25 | 10 | 22 | 1-1/8 | 2,6 | 15 | 34 |  | | on request | | | 03089-112412AO | B | stainless steel | 1.4305 | not hardened | 12 | 3/4-16 | 33 | 87 | 28 | 14 | 25 | 12 | 22 | 1-1/8 | 2,8 | 15 | 39 |  | | on request | | | 03089-112516A8 | B | stainless steel | 1.4305 | not hardened | 16 | 1-8 | 40 | 106 | 32 | 18 | 28 | 16 | 27 | 1-1/2 | 3,2 | 20 | 46 |  | | on request | |
|
Indexing plungers, stainless steel with stainless steel mushroom grip and locking slot - inch |
More information |
| Order No. | Form | Main material | Steel code | locating pin | D | D1 | D2 | L | L1 | L2 | L3 | Travel S | SW1 | Fx30° | Spring force initial pressure F1 approx. N | Spring force final pressure F2 approx. N | CAD | Acc. | Price | Order |
|---|
| 03089-003903AJ | C | stainless steel | 1.4034 | hardened | 3 | 1/4-28 | 14 | 31,5 | 12 | 5 | 10 | 3,5 | 8 | 0,8 | 4,5 | 10 |  | | on request | | | 03089-003004AK | C | stainless steel | 1.4034 | hardened | 4 | 5/16-24 | 18 | 38,5 | 15 | 6 | 13 | 4 | 10 | 1 | 6 | 12 |  | | on request | | | 03089-003105AL | C | stainless steel | 1.4034 | hardened | 5 | 3/8-24 | 21 | 43,5 | 17 | 7 | 15 | 5 | 13 | 1,3 | 4,5 | 12 |  | | on request | | | 03089-003206A5 | C | stainless steel | 1.4034 | hardened | 6 | 1/2-13 | 25 | 52 | 20 | 8 | 17 | 6 | 14 | 1,8 | 6 | 14 |  | | on request | | | 03089-003308A6 | C | stainless steel | 1.4034 | hardened | 8 | 5/8-11 | 33 | 68 | 26 | 10 | 23 | 8 | 19 | 2,3 | 15 | 35 |  | | on request | | | 03089-003410A7 | C | stainless steel | 1.4034 | hardened | 10 | 3/4-10 | 33 | 74 | 28 | 12 | 25 | 10 | 22 | 2,6 | 15 | 34 |  | | on request | | | 03089-003412AO | C | stainless steel | 1.4034 | hardened | 12 | 3/4-16 | 33 | 78 | 28 | 14 | 25 | 12 | 22 | 2,8 | 15 | 39 |  | | on request | | | 03089-003516A8 | C | stainless steel | 1.4034 | hardened | 16 | 1-8 | 40 | 96 | 32 | 18 | 28 | 16 | 27 | 3,2 | 20 | 46 |  | | on request | | | 03089-113903AJ | C | stainless steel | 1.4305 | not hardened | 3 | 1/4-28 | 14 | 31,5 | 12 | 5 | 10 | 3,5 | 8 | 0,8 | 4,5 | 10 |  | | on request | | | 03089-113004AK | C | stainless steel | 1.4305 | not hardened | 4 | 5/16-24 | 18 | 38,5 | 15 | 6 | 13 | 4 | 10 | 1 | 6 | 12 |  | | on request | | | 03089-113105AL | C | stainless steel | 1.4305 | not hardened | 5 | 3/8-24 | 21 | 43,5 | 17 | 7 | 15 | 5 | 13 | 1,3 | 4,5 | 12 |  | | on request | | | 03089-113206A5 | C | stainless steel | 1.4305 | not hardened | 6 | 1/2-13 | 25 | 52 | 20 | 8 | 17 | 6 | 14 | 1,8 | 6 | 14 |  | | on request | | | 03089-113308A6 | C | stainless steel | 1.4305 | not hardened | 8 | 5/8-11 | 33 | 68 | 26 | 10 | 23 | 8 | 19 | 2,3 | 15 | 35 |  | | on request | | | 03089-113410A7 | C | stainless steel | 1.4305 | not hardened | 10 | 3/4-10 | 33 | 74 | 28 | 12 | 25 | 10 | 22 | 2,6 | 15 | 34 |  | | on request | | | 03089-113412AO | C | stainless steel | 1.4305 | not hardened | 12 | 3/4-16 | 33 | 78 | 28 | 14 | 25 | 12 | 22 | 2,8 | 15 | 39 |  | | on request | | | 03089-113516A8 | C | stainless steel | 1.4305 | not hardened | 16 | 1-8 | 40 | 96 | 32 | 18 | 28 | 16 | 27 | 3,2 | 20 | 46 |  | | on request | |
|
Indexing plungers, stainless steel with stainless steel mushroom grip. Locking slot and locknut - inch |
More information |
| Order No. | Form | Main material | locating pin | D | D1 | D2 | L | L1 | L2 | L3 | Travel S | SW1 | SW2 | Fx30° | Spring force initial pressure F1 approx. N | Spring force final pressure F2 approx. N | CAD | Acc. | Price | Order |
|---|
| 03089-004903AJ | D | stainless steel | hardened | 3 | 1/4-28 | 14 | 31,5 | 12 | 5 | 10 | 3,5 | 8 | 7/16 | 0,8 | 4,5 | 10 |  | | on request | | | 03089-004004AK | D | stainless steel | hardened | 4 | 5/16-24 | 18 | 38,5 | 15 | 6 | 12 | 4 | 10 | 1/2 | 1 | 6 | 12 |  | | on request | | | 03089-004105AL | D | stainless steel | hardened | 5 | 3/8-24 | 21 | 43,5 | 17 | 7 | 15 | 5 | 13 | 9/16 | 1,3 | 4,5 | 12 |  | | on request | | | 03089-004206A5 | D | stainless steel | hardened | 6 | 1/2-13 | 25 | 52 | 20 | 8 | 16 | 6 | 14 | 3/4 | 1,8 | 6 | 14 |  | | on request | | | 03089-004308A6 | D | stainless steel | hardened | 8 | 5/8-11 | 33 | 68 | 26 | 10 | 21 | 8 | 19 | 15/16 | 2,3 | 15 | 35 |  | | on request | | | 03089-004410A7 | D | stainless steel | hardened | 10 | 3/4-10 | 33 | 74 | 28 | 12 | 23 | 10 | 22 | 1-1/8 | 2,6 | 15 | 34 |  | | on request | | | 03089-004412AO | D | stainless steel | hardened | 12 | 3/4-16 | 33 | 78 | 28 | 14 | 23 | 12 | 22 | 1-1/8 | 2,8 | 15 | 39 |  | | on request | | | 03089-004516A8 | D | stainless steel | hardened | 16 | 1-8 | 40 | 96 | 32 | 18 | 27 | 16 | 27 | 1-1/2 | 3,2 | 20 | 46 |  | | on request | | | 03089-114903AJ | D | stainless steel | not hardened | 3 | 1/4-28 | 14 | 31,5 | 12 | 5 | 10 | 3,5 | 8 | 7/16 | 0,8 | 4,5 | 10 |  | | on request | | | 03089-114004AK | D | stainless steel | not hardened | 4 | 5/16-24 | 18 | 38,5 | 15 | 6 | 12 | 4 | 10 | 1/2 | 1 | 6 | 12 |  | | on request | | | 03089-114105AL | D | stainless steel | not hardened | 5 | 3/8-24 | 21 | 43,5 | 17 | 7 | 15 | 5 | 13 | 9/16 | 1,3 | 4,5 | 12 |  | | on request | | | 03089-114206A5 | D | stainless steel | not hardened | 6 | 1/2-13 | 25 | 52 | 20 | 8 | 16 | 6 | 14 | 3/4 | 1,8 | 6 | 14 |  | | on request | | | 03089-114308A6 | D | stainless steel | not hardened | 8 | 5/8-11 | 33 | 68 | 26 | 10 | 21 | 8 | 19 | 15/16 | 2,3 | 15 | 35 |  | | on request | | | 03089-114410A7 | D | stainless steel | not hardened | 10 | 3/4-10 | 33 | 74 | 28 | 12 | 23 | 10 | 22 | 1-1/8 | 2,6 | 15 | 34 |  | | on request | | | 03089-114412AO | D | stainless steel | not hardened | 12 | 3/4-16 | 33 | 78 | 28 | 14 | 23 | 12 | 22 | 1-1/8 | 2,8 | 15 | 39 |  | | on request | | | 03089-114516A8 | D | stainless steel | not hardened | 16 | 1-8 | 40 | 96 | 32 | 18 | 27 | 16 | 27 | 1-1/2 | 3,2 | 20 | 46 |  | | on request | |
|
Other items in this category |
|
|