|
|
|
04232-16 inchCam levers, steel with internal or external thread, plastic... |
go back |
|
Item description/product images |
|
|
DescriptionProduct description:These cam levers have a technically optimised plastic thrust washer. The thrust washer is made of a special high-performance plastic that guarantees very good wear and creep resistance. Material:Handle steel 1.0401.
Thrust washer high performance, carbon-fibre reinforced thermoplastic.
Hinge pin stainless steel 1.4305.
Stud steel, grade 5.8. Version:Handle and stud blue passivated. Thrust washer, black. Hinge pin bright.Note:Plastics are subject to creeping under load (retardation).Accessory:For slightly curved contact faces, a stainless steel washer 04234 can also be ordered. This washer can be mounted between the thrust washer and the contact face.Special features: DownloadHere is all the information as a PDF datasheet:
Are you looking for CAD data? These can be found directly in the product table.
|
Drawings (total overview) |
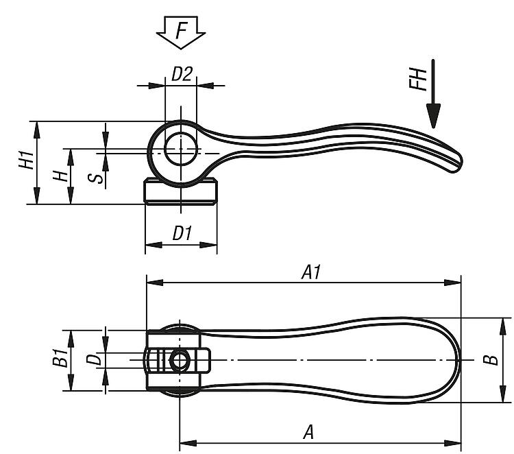
Cam levers, steel with internal thread, plastic thrust washer - inch |
More information |
| Order No. | norelem old article number | D | D1 | D2 | B | B1 | H | H1 | A | A1 | Travel S | Clamping force F (kN) | Hand force FH N | CAD | Acc. | Price | Order |
|---|
| 04232-16-15022A1 | 04232-15022A1 | 10-32 | 16 | 9 | 21,5 | 15 | 14,7 | 22,2 | 70,4 | 79,2 | 1,2 | 4 | 120 |  | | on request | | | 04232-16-15022A2 | 04232-15022A2 | 1/4-20 | 16 | 9 | 21,5 | 15 | 14,7 | 22,2 | 70,4 | 79,2 | 1,2 | 4 | 120 |  | | on request | | | 04232-16-25022A3 | 04232-25022A3 | 5/16-18 | 25 | 11 | 33,3 | 24 | 18,3 | 28,8 | 96 | 108 | 1,5 | 8 | 350 |  | | on request | |
|
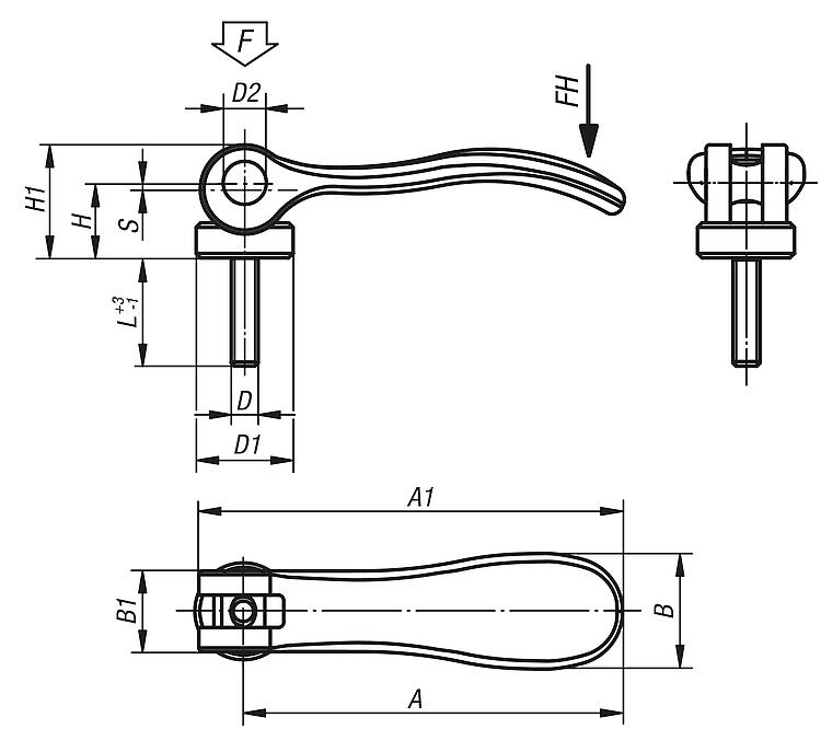
Cam levers, steel with external thread, plastic thrust washer and steel stud - inch |
More information |
| Order No. | norelem old article number | D | D1 | D2 | B | B1 | H | H1 | A | A1 | L | Clamping force F (kN) | Hand force FH N | Travel S | CAD | Acc. | Price | Order |
|---|
| 04232-16-15022A1X20 | 04232-15022A1X20 | 10-32 | 16 | 9 | 21,5 | 15 | 14,7 | 22,2 | 70,4 | 79,2 | 20 | 4 | 120 | 1,2 |  | | on request | | | 04232-16-15022A1X30 | 04232-15022A1X30 | 10-32 | 16 | 9 | 21,5 | 15 | 14,7 | 22,2 | 70,4 | 79,2 | 30 | 4 | 120 | 1,2 |  | | on request | | | 04232-16-15022A1X40 | 04232-15022A1X40 | 10-32 | 16 | 9 | 21,5 | 15 | 14,7 | 22,2 | 70,4 | 79,2 | 40 | 4 | 120 | 1,2 |  | | on request | | | 04232-16-15022A1X50 | 04232-15022A1X50 | 10-32 | 16 | 9 | 21,5 | 15 | 14,7 | 22,2 | 70,4 | 79,2 | 50 | 4 | 120 | 1,2 |  | | on request | | | 04232-16-15022A2X20 | 04232-15022A2X20 | 1/4-20 | 16 | 9 | 21,5 | 15 | 14,7 | 22,2 | 70,4 | 79,2 | 20 | 4 | 120 | 1,2 |  | | on request | | | 04232-16-15022A2X30 | 04232-15022A2X30 | 1/4-20 | 16 | 9 | 21,5 | 15 | 14,7 | 22,2 | 70,4 | 79,2 | 30 | 4 | 120 | 1,2 |  | | on request | | | 04232-16-15022A2X40 | 04232-15022A2X40 | 1/4-20 | 16 | 9 | 21,5 | 15 | 14,7 | 22,2 | 70,4 | 79,2 | 40 | 4 | 120 | 1,2 |  | | on request | | | 04232-16-15022A2X50 | 04232-15022A2X50 | 1/4-20 | 16 | 9 | 21,5 | 15 | 14,7 | 22,2 | 70,4 | 79,2 | 50 | 4 | 120 | 1,2 |  | | on request | | | 04232-16-25022A3X25 | 04232-25022A3X25 | 5/16-18 | 25 | 11 | 33,3 | 24 | 18,3 | 28,8 | 96 | 108 | 25 | 8 | 350 | 1,5 |  | | on request | | | 04232-16-25022A3X30 | 04232-25022A3X30 | 5/16-18 | 25 | 11 | 33,3 | 24 | 18,3 | 28,8 | 96 | 108 | 30 | 8 | 350 | 1,5 |  | | on request | | | 04232-16-25022A3X40 | 04232-25022A3X40 | 5/16-18 | 25 | 11 | 33,3 | 24 | 18,3 | 28,8 | 96 | 108 | 40 | 8 | 350 | 1,5 |  | | on request | | | 04232-16-25022A3X50 | 04232-25022A3X50 | 5/16-18 | 25 | 11 | 33,3 | 24 | 18,3 | 28,8 | 96 | 108 | 50 | 8 | 350 | 1,5 |  | | on request | | | 04232-16-25022A4X25 | 04232-25022A4X25 | 3/8-16 | 25 | 11 | 33,3 | 24 | 18,3 | 28,8 | 96 | 108 | 25 | 8 | 350 | 1,5 |  | | on request | | | 04232-16-25022A4X30 | 04232-25022A4X30 | 3/8-16 | 25 | 11 | 33,3 | 24 | 18,3 | 28,8 | 96 | 108 | 30 | 8 | 350 | 1,5 |  | | on request | | | 04232-16-25022A4X40 | 04232-25022A4X40 | 3/8-16 | 25 | 11 | 33,3 | 24 | 18,3 | 28,8 | 96 | 108 | 40 | 8 | 350 | 1,5 |  | | on request | | | 04232-16-25022A4X50 | 04232-25022A4X50 | 3/8-16 | 25 | 11 | 33,3 | 24 | 18,3 | 28,8 | 96 | 108 | 50 | 8 | 350 | 1,5 |  | | on request | |
|
Other items in this category |
|
|