norelem uses cookies to optimally design and continually improve the website. By continuing to use this website, you agree to the use of cookies. You can find more information about cookies in our Data protection declaration.okay
Cam levers, steel with internal and external thread, plastic-metal thrust washer and steel stud - inch
04232 inch

Cam levers, steel with internal and external thread,...

go back

Item description/product images

Show/filter all items
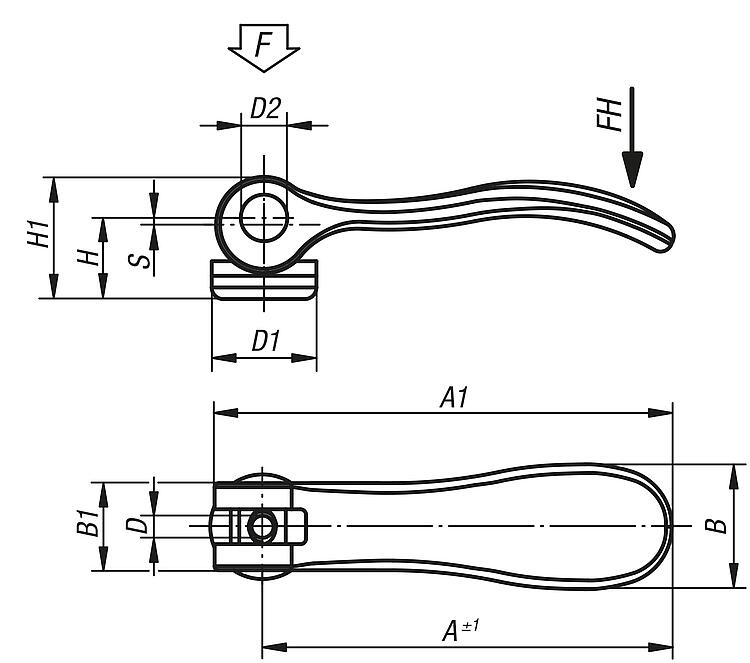
DescriptionMaterial:

Handle steel 1.0401.
Thrust washer plastic PA 66 GF 35-X fibreglass reinforced.
Hinge pin stainless steel 1.4305.
Stud and washer steel, grade 5.8.

Version:Handle, stud and washer trivalent blue-passivated.
Thrust washer black.
Hinge pin bright.
Note:Plastics are subject to creeping under load (retardation).Special features:
RoHS
DownloadHere is all the information as a PDF datasheet:

Are you looking for CAD data? These can be found directly in the product table.
 Datasheet 04232 inch Cam lever, steel, with external or internal threads, inch 160 kB

Drawings (total overview)

Cam levers, steel with internal and external thread, plastic-metal thrust washer and steel stud - inch

Cam levers, steel with internal thread, plastic-metal thrust washer - inch

More information

Drawings

Cam levers, steel with internal thread, plastic-metal thrust washer - inch

Item selection/filter

Order No.DD1D2BB1HH1AA1Travel
S
Clamping
force
F (kN)
Hand
force
FH N
CADAcc.PriceOrder
04232-15022A110-3218,1921,51514,52270,479,21,24120 on request
04232-15022A21/4-2018,1921,51514,52270,479,21,24120 on request
04232-25022A35/16-1827,11133,3241828,5961081,58350 on request

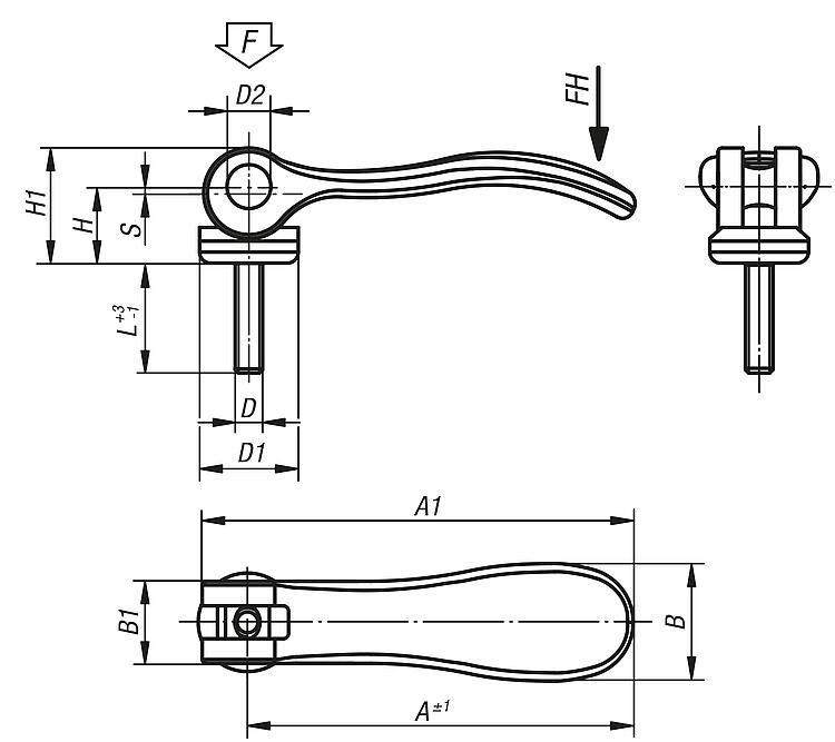
Cam levers, steel with external thread, plastic-metal thrust washer and steel stud - inch

More information

Drawings

Cam levers, steel with external thread, plastic-metal thrust washer and steel stud - inch

Item selection/filter

Order No.SizeDD1D2BB1HH1AA1LClamping
force
F (kN)
Hand
force
FH N
Travel
S
CADAcc.PriceOrder
04232-15022A1X20110-3218,1921,51514,52270,479,22041201,2 on request
04232-15022A1X30110-3218,1921,51514,52270,479,23041201,2 on request
04232-15022A1X40110-3218,1921,51514,52270,479,24041201,2 on request
04232-15022A1X50110-3218,1921,51514,52270,479,25041201,2 on request
04232-15022A2X2011/4-2018,1921,51514,52270,479,22041201,2 on request
04232-15022A2X3011/4-2018,1921,51514,52270,479,23041201,2 on request
04232-15022A2X4011/4-2018,1921,51514,52270,479,24041201,2 on request
04232-15022A2X5011/4-2018,1921,51514,52270,479,25041201,2 on request
04232-25022A3X2525/16-1827,11133,3241828,5961082583501,5 on request
04232-25022A3X3025/16-1827,11133,3241828,5961083083501,5 on request
04232-25022A3X4025/16-1827,11133,3241828,5961084083501,5 on request
04232-25022A3X5025/16-1827,11133,3241828,5961085083501,5 on request
04232-25022A4X2523/8-1627,11133,3241828,5961082583501,5 on request
04232-25022A4X3023/8-1627,11133,3241828,5961083083501,5 on request
04232-25022A4X4023/8-1627,11133,3241828,5961084083501,5 on request
04232-25022A4X5023/8-1627,11133,3241828,5961085083501,5 on request
My norelemE-mailPassword
Shopping cart
Number of items: 0
Amount: 0.00  
shopping cart
欢迎扫描二维码
咨询诺瑞朗官方客服微信
China
苏ICP备20011289号-1  苏公网安备32058502011222 Sitemap Print Recommended Top
Copyright © 2025 norelem. All rights reserved. Tel. +49 71 45/206-44 to 45 · Fax +49 71 45/206-83