norelem uses cookies to optimally design and continually improve the website. By continuing to use this website, you agree to the use of cookies. You can find more information about cookies in our Data protection declaration.okay
Palm grips grey cast iron, DIN 6335 - inch
06160 inch

Palm grips grey cast iron, DIN 6335 - inch

go back

Item description/product images

Show/filter all items
DescriptionMaterial:Grey cast iron GJL 200.Version:Vibratory ground.
Bright.
Note:For the inch series, dimension D is in inches, all other dimensions are in mm.Drawing reference:
Form B: drilled through
Form C: blind hole
Form D: tapped and counterbored
Form E: tapped blind hole
Special features:
RoHS
DownloadHere is all the information as a PDF datasheet:

Are you looking for CAD data? These can be found directly in the product table.
 Datasheet 06160 inch Palm grips DIN 6335, grey cast iron, inch 257 kB

Drawings (total overview)

Palm grips grey cast iron, DIN 6335 - inch

Palm grips DIN 6335, grey cast iron, Form B, drilled through - inch

More information

Drawings

Palm grips DIN 6335, grey cast iron, Form B, drilled through - inch

Item selection/filter

Order No.

FormSurface finish
body
D

D1D2HH3CADAcc.PriceOrder
06160-2CMBtumbled0,2532122010 on request
06160-2CNBtumbled0,31240142514 on request
06160-2COBtumbled0,37550183220 on request
06160-2CPBtumbled0,563204025 on request
06160-2CQBtumbled0,62580255030 on request
06160-2CRBtumbled0,75100326338 on request

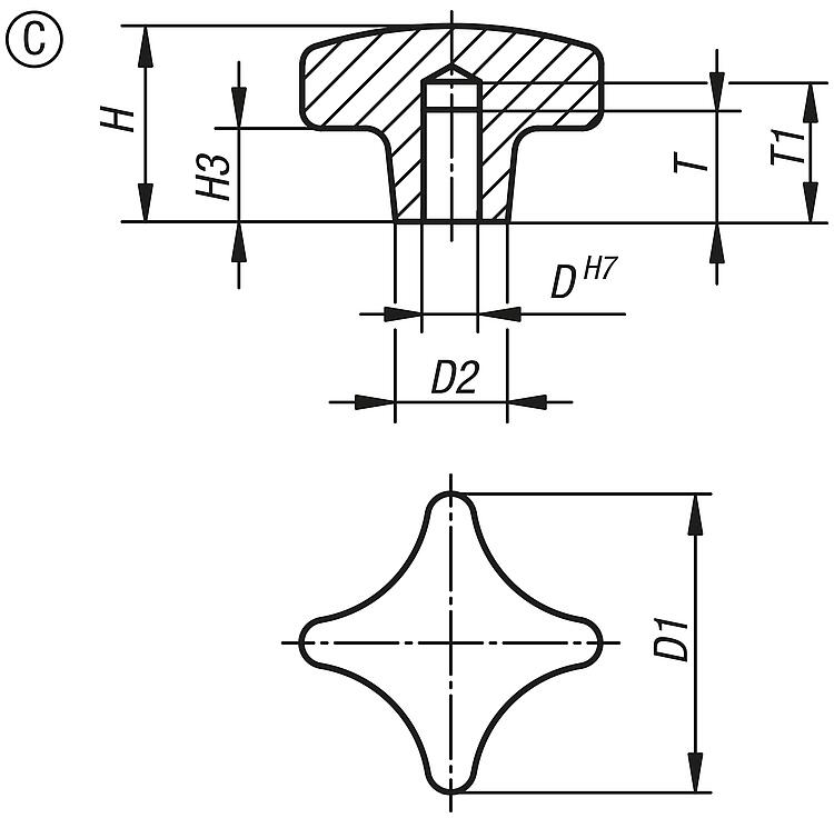
Palm grips DIN 6335, grey cast iron, Form C, blind hole - inch

More information

Drawings

Palm grips DIN 6335, grey cast iron, Form C, blind hole - inch

Item selection/filter

Order No.FormVersion 1D

D1D2HH3TT1CADAcc.PriceOrder
06160-3CMCtumbled0,25321221101215 on request
06160-3CNCtumbled0,312401426141518 on request
06160-3COCtumbled0,375501834201821 on request
06160-3CPCtumbled0,5632042252225 on request
06160-3CQCtumbled0,625802552302832 on request
06160-3CRCtumbled0,751003265383640 on request

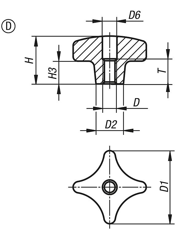
Palm grips DIN 6335, grey cast iron, Form D, thread countersunk - inch

More information

Drawings

Palm grips DIN 6335, grey cast iron, Form D, thread countersunk - inch

Item selection/filter

Order No.FormVersion 1D

D1D2D6HH3TCADAcc.PriceOrder
06160-4A2D-1/4-2032126,4201010 on request
06160-4A3D-5/16-1840148,4251413 on request
06160-4A4D-3/8-16501810,5322016 on request
06160-4A5D-1/2-13632013402520 on request
06160-4A6D-5/8-11802517503020 on request
06160-4A7D-3/4-101003221633825 on request

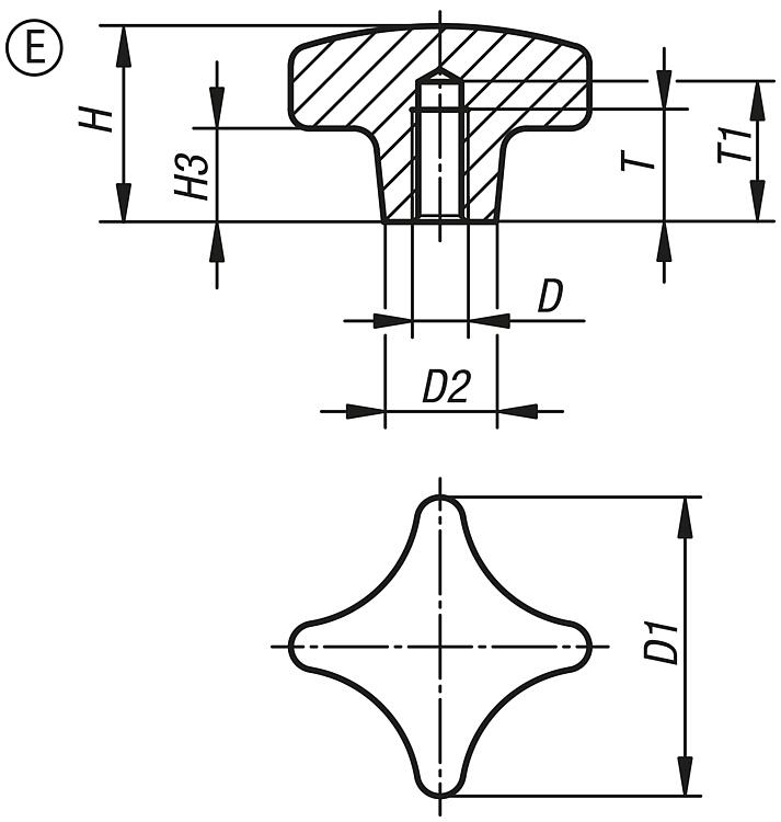
Palm grips DIN 6335, grey cast iron, Form E, blind tapped hole - inch

More information

Drawings

Palm grips DIN 6335, grey cast iron, Form E, blind tapped hole - inch

Item selection/filter

Order No.FormSurface finish
body
D

D1D2HH3TT1CADAcc.PriceOrder
06160-5A2Etumbled1/4-20321221101215 on request
06160-5A3Etumbled5/16-18401426141518 on request
06160-5A4Etumbled3/8-16501834201821 on request
06160-5A5Etumbled1/2-13632042252225 on request
06160-5A6Etumbled5/8-11802552302832 on request
06160-5A7Etumbled3/4-101003265383640 on request
My norelemE-mailPassword
Shopping cart
Number of items: 0
Amount: 0.00  
shopping cart
欢迎扫描二维码
咨询诺瑞朗官方客服微信
China
苏ICP备20011289号-1  苏公网安备32058502011222 Sitemap Print Recommended Top
Copyright © 2025 norelem. All rights reserved. Tel. +49 71 45/206-44 to 45 · Fax +49 71 45/206-83