norelem uses cookies to optimally design and continually improve the website. By continuing to use this website, you agree to the use of cookies. You can find more information about cookies in our Data protection declaration.okay
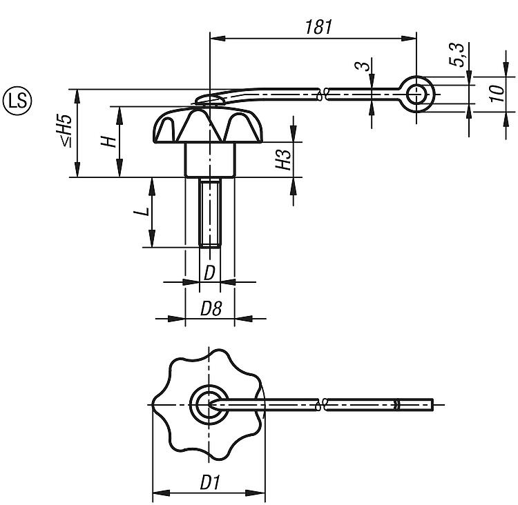
Star grips with safety cable similar to DIN 6336, metal parts stainless steel - inch
06212 inch

Star grips with safety cable similar to DIN 6336, metal parts...

go back

Item description/product images

Show/filter all items
DescriptionMaterial:

Grip thermoplastic.
Bush and screw stainless steel 1.4305.
Safety cable elastic TPU.

Version:Bush and screw bright.Note:Attach the safety cable to a base to make the star grip unlosable.
The star grip cannot be moved far from the object to which it belongs, simplifying screwing and unscrewing of the grip and ensuring against loss.
Assembly:Do not stretch the band during assembly.
Make sure that the anchor is not too far from where the star grip is to be used.
Accessory:The safety cable is also available as an accessory, see 03198-04190.Drawing reference:
Form KS: tapped bush, with cap
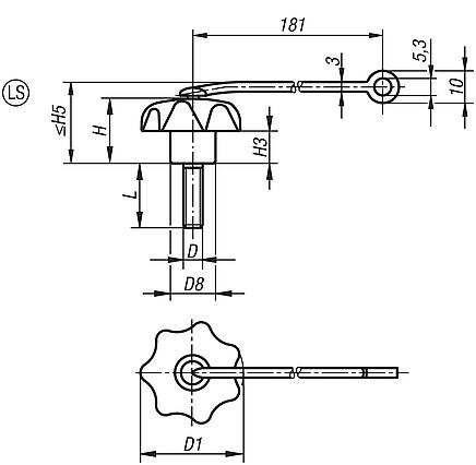
Form LS: external thread
Special features:
Stainless steelRoHS
DownloadHere is all the information as a PDF datasheet:

Are you looking for CAD data? These can be found directly in the product table.
 Datasheet 06212 inch Star grips with safety cable similar to DIN 6336, metal parts stainless steel, inch 328 kB

Drawings (total overview)

Star grips with safety cable similar to DIN 6336, metal parts stainless steel - inch

Star grips with safety cable similar to DIN 6336, steel parts stainless steel, internal thread, Form KS - inch

More information

Drawings

Star grips with safety cable similar to DIN 6336, steel parts stainless steel, internal thread, Form KS - inch

Item selection/filter

Order No.FormColour
Cap
DD1D8HH3H5
max.
TCADAcc.PriceOrder
06212-6AEKSblack grey RAL 70218-3225121682210 on request
06212-6AE5KSlight grey RAL 70358-3225121682210 on request
06212-6AE6KStraffic red RAL 30208-3225121682210 on request
06212-6AE7KScolza yellow RAL 10218-3225121682210 on request
06212-6A1KSblack grey RAL 702110-3225121682210 on request
06212-6A15KSlight grey RAL 703510-3225121682210 on request
06212-6A16KStraffic red RAL 302010-3225121682210 on request
06212-6A17KScolza yellow RAL 102110-3225121682210 on request
06212-6A21KSblack grey RAL 70211/4-2025121682210 on request
06212-6A215KSlight grey RAL 70351/4-2025121682210 on request
06212-6A216KStraffic red RAL 30201/4-2025121682210 on request
06212-6A217KScolza yellow RAL 10211/4-2025121682210 on request
06212-6A11KSblack grey RAL 702110-32321420102610 on request
06212-6A115KSlight grey RAL 703510-32321420102610 on request
06212-6A116KStraffic red RAL 302010-32321420102610 on request
06212-6A117KScolza yellow RAL 102110-32321420102610 on request
06212-6A2KSblack grey RAL 70211/4-20321420102610 on request
06212-6A25KSlight grey RAL 70351/4-20321420102610 on request
06212-6A26KStraffic red RAL 30201/4-20321420102610 on request
06212-6A27KScolza yellow RAL 10211/4-20321420102610 on request
06212-6A3KSblack grey RAL 70215/16-18401825133114 on request
06212-6A35KSlight grey RAL 70355/16-18401825133114 on request
06212-6A36KStraffic red RAL 30205/16-18401825133114 on request
06212-6A37KScolza yellow RAL 10215/16-18401825133114 on request
06212-6A41KSblack grey RAL 70213/8-16401825133114 on request
06212-6A415KSlight grey RAL 70353/8-16401825133114 on request
06212-6A416KStraffic red RAL 30203/8-16401825133114 on request
06212-6A417KScolza yellow RAL 10213/8-16401825133114 on request
06212-6A31KSblack grey RAL 70215/16-18502232173814 on request
06212-6A315KSlight grey RAL 70355/16-18502232173814 on request
06212-6A316KStraffic red RAL 30205/16-18502232173814 on request
06212-6A317KScolza yellow RAL 10215/16-18502232173814 on request
06212-6A4KSblack grey RAL 70213/8-16502232173814 on request
06212-6A45KSlight grey RAL 70353/8-16502232173814 on request
06212-6A46KStraffic red RAL 30203/8-16502232173814 on request
06212-6A47KScolza yellow RAL 10213/8-16502232173814 on request
06212-6A51KSblack grey RAL 70211/2-13502232173818 on request
06212-6A515KSlight grey RAL 70351/2-13502232173818 on request
06212-6A516KStraffic red RAL 30201/2-13502232173818 on request
06212-6A517KScolza yellow RAL 10211/2-13502232173818 on request
06212-6A6KSblack grey RAL 70215/8-11632640214618 on request
06212-6A65KSlight grey RAL 70355/8-11632640214618 on request
06212-6A66KStraffic red RAL 30205/8-11632640214618 on request
06212-6A67KScolza yellow RAL 10215/8-11632640214618 on request
06212-6A42KSblack grey RAL 70213/8-16632640214614 on request
06212-6A425KSlight grey RAL 70353/8-16632640214614 on request
06212-6A426KStraffic red RAL 30203/8-16632640214614 on request
06212-6A427KScolza yellow RAL 10213/8-16632640214614 on request
06212-6A5KSblack grey RAL 70211/2-13632640214618 on request
06212-6A55KSlight grey RAL 70351/2-13632640214618 on request
06212-6A56KStraffic red RAL 30201/2-13632640214618 on request
06212-6A57KScolza yellow RAL 10211/2-13632640214618 on request

Star grips with safety cable similar to DIN 6336, steel parts stainless steel, external thread, Form LS - inch

More information

Drawings

Star grips with safety cable similar to DIN 6336, steel parts stainless steel, external thread, Form LS - inch

Item selection/filter

Order No.FormColour
Cap
DD1D8HH5
max.
TLCADAcc.PriceOrder
06212-7A1X10LSblack grey RAL 702110-3225121622-10 on request
06212-7A15X10LSlight grey RAL 703510-3225121622-10 on request
06212-7A16X10LStraffic red RAL 302010-3225121622-10 on request
06212-7A17X10LScolza yellow RAL 102110-3225121622-10 on request
06212-7A1X20LSblack grey RAL 702110-3225121622-20 on request
06212-7A15X20LSlight grey RAL 703510-3225121622-20 on request
06212-7A16X20LStraffic red RAL 302010-3225121622-20 on request
06212-7A17X20LScolza yellow RAL 102110-3225121622-20 on request
06212-7A21X20LSblack grey RAL 70211/4-2025121622-20 on request
06212-7A215X20LSlight grey RAL 70351/4-2025121622-20 on request
06212-7A216X20LStraffic red RAL 30201/4-2025121622-20 on request
06212-7A217X20LScolza yellow RAL 10211/4-2025121622-20 on request
06212-7A21X30LSblack grey RAL 70211/4-2025121622-30 on request
06212-7A215X30LSlight grey RAL 70351/4-2025121622-30 on request
06212-7A216X30LStraffic red RAL 30201/4-2025121622-30 on request
06212-7A217X30LScolza yellow RAL 10211/4-2025121622-30 on request
06212-7A2X20LSblack grey RAL 70211/4-2032142026-20 on request
06212-7A25X20LSlight grey RAL 70351/4-2032142026-20 on request
06212-7A26X20LStraffic red RAL 30201/4-2032142026-20 on request
06212-7A27X20LScolza yellow RAL 10211/4-2032142026-20 on request
06212-7A2X30LSblack grey RAL 70211/4-2032142026-30 on request
06212-7A25X30LSlight grey RAL 70351/4-2032142026-30 on request
06212-7A26X30LStraffic red RAL 30201/4-2032142026-30 on request
06212-7A27X30LScolza yellow RAL 10211/4-2032142026-30 on request
06212-7A31X20LSblack grey RAL 70215/16-1832142026-20 on request
06212-7A315X20LSlight grey RAL 70355/16-1832142026-20 on request
06212-7A316X20LStraffic red RAL 30205/16-1832142026-20 on request
06212-7A317X20LScolza yellow RAL 10215/16-1832142026-20 on request
06212-7A31X40LSblack grey RAL 70215/16-1832142026-40 on request
06212-7A315X40LSlight grey RAL 70355/16-1832142026-40 on request
06212-7A316X40LStraffic red RAL 30205/16-1832142026-40 on request
06212-7A317X40LScolza yellow RAL 10215/16-1832142026-40 on request
06212-7A3X20LSblack grey RAL 70215/16-1840182531-20 on request
06212-7A35X20LSlight grey RAL 70355/16-1840182531-20 on request
06212-7A36X20LStraffic red RAL 30205/16-1840182531-20 on request
06212-7A37X20LScolza yellow RAL 10215/16-1840182531-20 on request
06212-7A3X40LSblack grey RAL 70215/16-1840182531-40 on request
06212-7A35X40LSlight grey RAL 70355/16-1840182531-40 on request
06212-7A36X40LStraffic red RAL 30205/16-1840182531-40 on request
06212-7A37X40LScolza yellow RAL 10215/16-1840182531-40 on request
06212-7A41X20LSblack grey RAL 70213/8-1640182531-20 on request
06212-7A415X20LSlight grey RAL 70353/8-1640182531-20 on request
06212-7A416X20LStraffic red RAL 30203/8-1640182531-20 on request
06212-7A417X20LScolza yellow RAL 10213/8-1640182531-20 on request
06212-7A41X40LSblack grey RAL 70213/8-1640182531-40 on request
06212-7A415X40LSlight grey RAL 70353/8-1640182531-40 on request
06212-7A416X40LStraffic red RAL 30203/8-1640182531-40 on request
06212-7A417X40LScolza yellow RAL 10213/8-1640182531-40 on request
06212-7A4X20LSblack grey RAL 70213/8-1650223238-20 on request
06212-7A45X20LSlight grey RAL 70353/8-1650223238-20 on request
06212-7A46X20LStraffic red RAL 30203/8-1650223238-20 on request
06212-7A47X20LScolza yellow RAL 10213/8-1650223238-20 on request
06212-7A4X40LSblack grey RAL 70213/8-1650223238-40 on request
06212-7A45X40LSlight grey RAL 70353/8-1650223238-40 on request
06212-7A46X40LStraffic red RAL 30203/8-1650223238-40 on request
06212-7A47X40LScolza yellow RAL 10213/8-1650223238-40 on request
06212-7A51X30LSblack grey RAL 70211/2-1350223238-30 on request
06212-7A515X30LSlight grey RAL 70351/2-1350223238-30 on request
06212-7A516X30LStraffic red RAL 30201/2-1350223238-30 on request
06212-7A517X30LScolza yellow RAL 10211/2-1350223238-30 on request
06212-7A51X60LSblack grey RAL 70211/2-1350223238-60 on request
06212-7A515X60LSlight grey RAL 70351/2-1350223238-60 on request
06212-7A516X60LStraffic red RAL 30201/2-1350223238-60 on request
06212-7A517X60LScolza yellow RAL 10211/2-1350223238-60 on request
06212-7A5X30LSblack grey RAL 70211/2-1363264046-30 on request
06212-7A55X30LSlight grey RAL 70351/2-1363264046-30 on request
06212-7A56X30LStraffic red RAL 30201/2-1363264046-30 on request
06212-7A57X30LScolza yellow RAL 10211/2-1363264046-30 on request
06212-7A5X60LSblack grey RAL 70211/2-1363264046-60 on request
06212-7A55X60LSlight grey RAL 70351/2-1363264046-60 on request
06212-7A56X60LStraffic red RAL 30201/2-1363264046-60 on request
06212-7A57X60LScolza yellow RAL 10211/2-1363264046-60 on request
My norelemE-mailPassword
Shopping cart
Number of items: 0
Amount: 0.00  
shopping cart
欢迎扫描二维码
咨询诺瑞朗官方客服微信
China
苏ICP备20011289号-1  苏公网安备32058502011222 Sitemap Print Recommended Top
Copyright © 2025 norelem. All rights reserved. Tel. +49 71 45/206-44 to 45 · Fax +49 71 45/206-83