norelem uses cookies to optimally design and continually improve the website. By continuing to use this website, you agree to the use of cookies. You can find more information about cookies in our Data protection declaration.okay
Ball knobs aluminium DIN 319 - inch
06247 inch

Ball knobs aluminium DIN 319 - inch

go back

Item description/product images

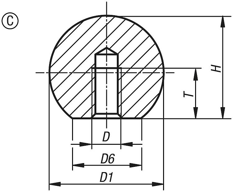
DescriptionMaterial:Aluminium.Version:Polished.Drawing reference:
Form C: thread
Special features:
RoHS
DownloadHere is all the information as a PDF datasheet:

Are you looking for CAD data? These can be found directly in the product table.
 Datasheet 06247_C inch Ball knobs stainless steel or aluminium DIN 319 Form C with thread, inch 164 kB
 Datasheet 06247 inch Ball knobs aluminium DIN 319 - inch 151 kB

Drawings

Ball knobs aluminium DIN 319 - inch

Item selection/filter

Order No.FormForm definitionMain
material
Steel keyDD1

D6HTCADAcc.PriceOrder
06247-116AE3Cwith internal threadaluminium-8-32168157,2 on request
06247-120A13Cwith internal threadaluminium-10-322012189,1 on request
06247-125A23Cwith internal threadaluminium-1/4-20251522,511 on request
06247-132A33Cwith internal threadaluminium-5/16-1832182914,5 on request
06247-140A43Cwith internal threadaluminium-3/8-1640223718 on request
06247-150A53Cwith internal threadaluminium-1/2-1350284621 on request
My norelemE-mailPassword
Shopping cart
Number of items: 0
Amount: 0.00  
shopping cart
欢迎扫描二维码
咨询诺瑞朗官方客服微信
China
苏ICP备20011289号-1  苏公网安备32058502011222 Sitemap Print Recommended Top
Copyright © 2025 norelem. All rights reserved. Tel. +49 71 45/206-44 to 45 · Fax +49 71 45/206-83