norelem 使用 Cookies 以优化设计和持续改进网页。您通过继续使用网页,同意使用 Cookies。在我们的数据保护声明中可以找到有关 Cookies 主题的详细信息。同意
固定式 4 爪卡盘,钢制
41194-10

固定式 4 爪卡盘,钢制

返回

商品描述/产品说明

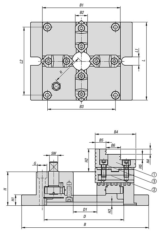
产品说明产品描述:固定式 4 爪卡盘特别适用于钻床和铣床的中心工件夹紧。由于硬质和软质设计的夹爪布置灵活,因此可以从内部或外部轻松夹紧不同尺寸和形状的工件。材料:钢制。规格:支撑面基板经研磨。
钢制夹爪经过硬化和研磨。
提示:插入夹爪时注意编号。
爪式卡盘经过精密研磨。卡盘之间的 W、X、Y、Z 之间的公差 在 0.05 mm 以内。
使用硬钳口进行中心夹紧的重复精度在 0.02 mm 以内。
滑动基爪通过位于卡盘中的回转环驱动。
通过螺纹主轴的旋转运动,回旋环将力传递给基爪,并产生夹紧钳口向外或向内的同步运动。
润滑不足会导致过度磨损和夹紧力下降。请确保定期润滑周期。
优点:中心夹紧的重复精度为 0.02 mm。
平面设计。
用于钻床和铣床。
基板经过精密研磨。
润滑系统的最佳可达性。
用于夹紧棒材的大通孔。
通过六角扳手操作。因此,操作快速且容易。
软爪也可以拧到基爪上。
附件:41194-15 钢制夹爪,软性供货范围夹紧扳手。图纸提示:
1) 可逆式钢制夹爪
2) 固定钳口
3) 安装螺钉
下载此处为收集信息的 PDF:

查找 CAD 数据?请直接在产品列表中查找。
 Datasheet 41194-10 固定式 4 爪卡盘,钢制 398 kB
 固定爪式卡盘的技术说明 623 kB

图纸

固定式 4 爪卡盘,钢制

商品概述(精简)

商品选择/筛选
订货号LL1L2B

B1B2B3B4B5B6D

D1G
用于
内六角螺栓
HH1H2CAD配件价格订购
41194-10-21516518144215165261446818,524,513040M10571839 根据要求
41194-10-2502001817425020028174822327,916055M12652043 根据要求
41194-10-31025018218310250322189324,932,520070M14722250 根据要求
41194-10-380310222743803104027411731,240,6260100M16852556 根据要求
订货号H3H4H5SWR夹紧范围
外部
夹紧范围
内部
锁紧扭矩
max. Nm
夹紧力
F
kN
附件CAD配件价格订购
41194-10-2155,59914664-12855-128681541194-15-2154 根据要求
41194-10-2506101017835-16262-162931841194-15-2504 根据要求
41194-10-31061212211046-20072-2001372241194-15-3104 根据要求
41194-10-380715152313510-26590-2651562541194-15-3804 根据要求
我的 norelemE-Mail密码
购物车
商品数量: 0
总数: 0.00  
点击购物车
欢迎扫描二维码
咨询诺瑞朗官方客服微信
中国
苏ICP备20011289号-1  苏公网安备32058502011222 网页地图 打印 推荐 Top
Copyright © 2025 norelem. 保留所有权利。 电话 +49 71 45/206-44 至 45 · 传真 +49 71 45/206-83