|
|
|
41194-15钢制夹爪,软性 用于固定爪式卡盘 |
返回 |
|
|
产品说明产品描述:由 3 或 4 个夹爪组成的套件。
软夹爪可灵活加工,以生成定制的夹紧轮廓和直径。材料:钢制。规格:软性。提示:夹爪套件由 3 个爪组成,专门用于 41194 固定式 3 爪卡盘。 夹爪套件由 4 个爪组成,专门用于 41194-10 固定式 4 爪卡盘。优点:软夹爪可以在夹紧件两侧进行加工并可逆安装。 附件:41194 固定式 3 爪卡盘 41194-10 固定式 4 爪卡盘 下载此处为收集信息的 PDF:
查找 CAD 数据?请直接在产品列表中查找。
|
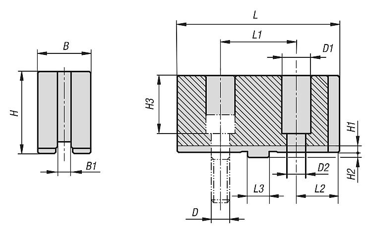
| 订货号 | VPE | B | B1 | H | H1 | H2 | H3 | L | L1 | L2 | L3 | D
| D1 | D2 | 附件 | CAD | 配件 | 价格 | 订购 |
|---|
| 41194-15-2203 | 3 | 26 | 7,94 | 37 | 3,5 | 3 | 25 | 73 | 38,1 | 17,45 | 12,68 | M8 | 14 | 9 | - |  | | 根据要求 | | | 41194-15-2703 | 3 | 31 | 7,94 | 48 | 3,8 | 3 | 34 | 95 | 44,4 | 25,3 | 12,68 | M10 | 17 | 11 | - |  | | 根据要求 | | | 41194-15-3153 | 3 | 37 | 12,7 | 48 | 4,2 | 3 | 34 | 110 | 54 | 28 | 19,03 | M12 | 19 | 13 | - |  | | 根据要求 | | | 41194-15-3703 | 3 | 42 | 12,7 | 54 | 4,2 | 3 | 38 | 125 | 63,5 | 30,75 | 19,03 | M12 | 19 | 13 | - |  | | 根据要求 | | | 41194-15-2154 | 4 | 26 | 7,94 | 37 | 3,5 | 3 | 25 | 73 | 38,1 | 17,45 | 12,68 | M8 | 14 | 9 | - |  | | 根据要求 | | | 41194-15-2504 | 4 | 31 | 7,94 | 48 | 3,8 | 3 | 34 | 95 | 44,4 | 25,3 | 12,68 | M10 | 17 | 11 | - |  | | 根据要求 | | | 41194-15-3104 | 4 | 37 | 12,7 | 48 | 4,2 | 3 | 34 | 110 | 54 | 28 | 19,03 | M12 | 19 | 13 | - |  | | 根据要求 | | | 41194-15-3804 | 4 | 42 | 12,7 | 54 | 4,2 | 3 | 38 | 125 | 63,5 | 30,75 | 19,03 | M12 | 19 | 13 | - |  | | 根据要求 | |
|
|