norelem 使用 Cookies 以优化设计和持续改进网页。您通过继续使用网页,同意使用 Cookies。在我们的
数据保护声明
中可以找到有关 Cookies 主题的详细信息。
同意
全球分布
创意
AGB
版权说明
数据保护
产品
企业信息
服务
下载
新闻
联系方式
产品概览
固定
灵活的标准件系统
装配
装配系统
运动
用于机床和设备制造的系统/组件
检查
量具检具组件
夹紧
夹紧技术
控制和调节
电动机构
输送
输送和移动技术
technoshop
norelem inch
英制产品目录
01856
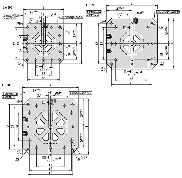
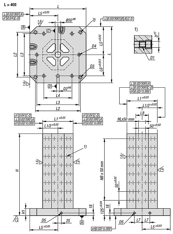
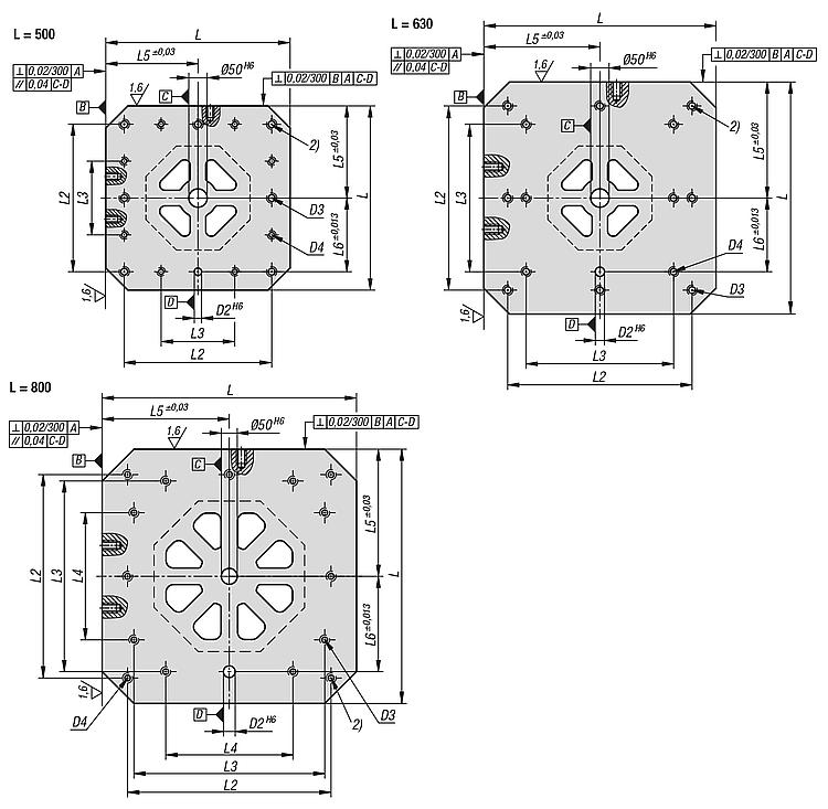
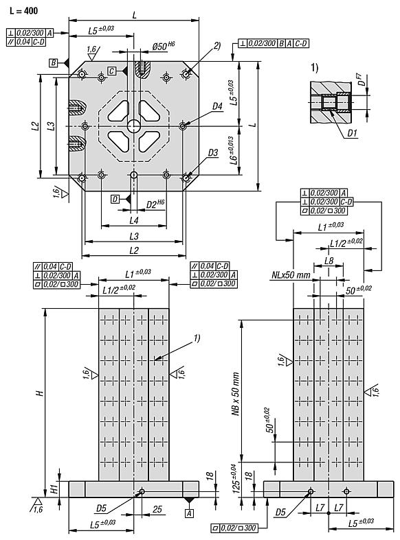
灰口铸铁 8 面塔式夹具 带栅格孔
返回
产品
产品概览
灵活的标准件系统
板件、 圆盘、 板材、 弯板、 四面弯板
四面弯板
灰口铸铁 8 面塔式夹具 带栅格孔
商品描述/产品说明
产品说明
材料:
GJL 300.
规格:
支撑面和夹紧面经高精度加工处理。
提示:
栅格间距 50 ±0.02 mm。
带栅格孔的塔式夹具用于卧式加工中心。
由字母数字标记的栅格孔确保在重复情况下对夹紧元件进行定义与分类。
塔式夹具适配于 DIN55201 和 JIS6337-1980 标准机床的机台。
用于将工装板插在 DIN 55201 机台上的定位销,须另行订购。
用于锁闭栅格孔的保护塞必须另行订购。
供货清单包括用于吊装的环形螺栓。
应要求提供其他尺寸。
根据要求:
其他尺寸。
图纸提示:
1) 格栅孔
2) 内六角螺栓的通孔 DIN 912 (D3/D4)
特点:
下载
此处为收集信息的 PDF:
查找 CAD 数据?请直接在产品列表中查找。
Datasheet 01856 灰口铸铁 8 面塔式夹具 带栅格孔
397 kB
定位基础元件的技术资料
1,6 MB
格栅孔和格栅间距 M12、M16 技术资料
243 kB
图纸
商品选择/筛选
订货号
L
H
L1
D
D1
D2
D3
D4
D5
H1
L2
L3
L4
L5
L6
L7
L8
栅格孔
数量
NL=装配孔数量
NB=装配孔数量
CAD
配件
价格
订购
01856-21240050
400
500
250
12
M12
20
M16
M12
M16
50
320
300
200
200
150
55
103
128
1
7
根据要求
01856-21240065
400
650
250
12
M12
20
M16
M12
M16
50
320
300
200
200
150
55
103
176
1
10
根据要求
01856-21250060
500
600
300
12
M12
20
M16
M12
M16
50
400
200
-
250
200
75
124
160
1
9
根据要求
01856-21250075
500
750
300
12
M12
20
M16
M12
M16
50
400
200
-
250
200
75
124
208
1
12
根据要求
01856-21263070
630
700
350
12
M12
25
M16
M16
M16
50
500
400
-
315
200
100
145
192
1
11
根据要求
01856-21263085
630
850
350
12
M12
25
M16
M16
M16
50
500
400
-
315
200
100
145
240
1
14
根据要求
01856-21280080
800
800
500
12
M12
25
M16
M16
M16
50
640
600
400
400
300
135
207
448
3
13
根据要求
01856-21280100
800
1000
500
12
M12
25
M16
M16
M16
50
640
600
400
400
300
135
207
576
3
17
根据要求
01856-21640050
400
500
250
16
M16
20
M16
M12
M16
50
320
300
200
200
150
55
103
128
1
7
根据要求
01856-21640065
400
650
250
16
M16
20
M16
M12
M16
50
320
300
200
200
150
55
103
176
1
10
根据要求
01856-21650060
500
600
300
16
M16
20
M16
M12
M16
50
400
200
-
250
200
75
124
160
1
9
根据要求
01856-21650075
500
750
300
16
M16
20
M16
M12
M16
50
400
200
-
250
200
75
124
208
1
12
根据要求
01856-21663070
630
700
350
16
M16
25
M16
M16
M16
50
500
400
-
315
200
100
145
192
1
11
根据要求
01856-21663085
630
850
350
16
M16
25
M16
M16
M16
50
500
400
-
315
200
100
145
240
1
14
根据要求
01856-21680080
800
800
500
16
M16
25
M16
M16
M16
50
640
600
400
400
300
135
207
448
3
13
根据要求
01856-21680100
800
1000
500
16
M16
25
M16
M16
M16
50
640
600
400
400
300
135
207
576
3
17
根据要求
本类目的其他商品
<<
|
<
|
1-10
|
11-14
|
>
|
>>
01850
四面弯板
01850
灰口铸铁四面弯板
带预加工夹紧面
01850
灰口铸铁四面弯板
带栅格孔
01850
灰口铸铁四面弯板
带 T 型槽
01852
夹紧方形座,灰口铸铁
01854
灰口铸铁 4 面塔式夹具
带预加工夹紧面
01854
灰口铸铁 4 面塔式夹具
带栅格孔
01854-10
灰铸铁四面夹具塔式,带网格孔 用于多个夹紧系统
01855
灰口铸铁 6 面塔式夹具
带预加工夹紧面
01855
灰口铸铁 6 面塔式夹具
带栅格孔
<<
|
<
|
1-10
|
11-14
|
>
|
>>
我的 norelem
E-Mail
密码
忘记密码
首次登陆
购物车
商品数量:
0
总数:
0.00
€
点击购物车
欢迎扫描二维码
咨询诺瑞朗官方客服微信
Algérie
Andorra
Argentina
Australia
België
Bolivia
Bosna i Hercegovina
Brasil
Canada
Česká republika
Chile
中国
Colombia
Costa Rica
Cuba
Danmark
Dem. Peop. Rep. of Korea
Deutschland
Ecuador
Eesti
España
Georgia
香港
Hrvatska
India
Ireland
Ísland
Italia
Jamaica
日本
Latvija
Liechtenstein
Lietuvos
Luxemburg
Magyarország
Malaysia
Malta
México
Nederland
New Zealand
Norge
Österreich
Pakistan
Paraguay
Perú
Polska
Portugal
Principauté de Monaco
台灣
Rep. di San Marino
대한민국
România
Schweiz
Singapore
Slovenija
Slovensko
South Africa
Suomi
Sverige
Türkiye
United Kingdom
United States of America
Uruguay
Venezuela
Việt Nam
Ελλάδα
Κύπρος
Беларусь
България
Република Србија
Россия
Србија и Црна Гора
Україна
ישראל
الامارات العربية المتحدة
السعودية
ايران
مصر
ประเทศไทย
Chinese
English
苏ICP备20011289号-1
苏公网安备32058502011222
网页地图
打印
推荐
Top
Copyright © 2025 norelem. 保留所有权利。
电话 +49 71 45/206-44 至 45 · 传真 +49 71 45/206-83