norelem 使用 Cookies 以优化设计和持续改进网页。您通过继续使用网页,同意使用 Cookies。在我们的数据保护声明中可以找到有关 Cookies 主题的详细信息。同意
灰口铸铁底板,带 T 型槽
01126

灰口铸铁底板,带 T 型槽

返回

商品描述/产品说明

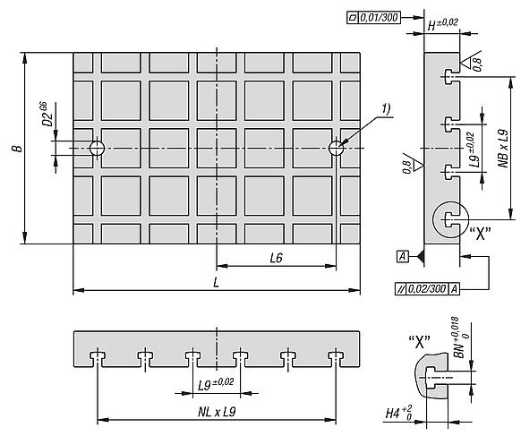
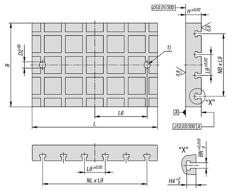
产品说明材料:GJL 300.规格:支撑面和夹紧面经打磨处理。提示:带 T 型槽的底板通过模块化方式搭建夹具。这些底板直接定位和固定在机台上。
纵向与横向精确的凹槽间距确保了夹紧作业极高的重复精度。
两个定向孔便于底板在机台上对齐。
固定孔由用户调整至与机台匹配。
用于固定底板的定位销须另行订购。
供货清单包括用于吊装的带 T 型槽螺母的环形螺栓。
应要求提供其他尺寸。
图纸提示:
1) 定位孔
特点:
RoHS
下载此处为收集信息的 PDF:

查找 CAD 数据?请直接在产品列表中查找。
 Datasheet 01126 灰口铸铁底板,带 T 型槽 210 kB
 定位基础元件的技术资料 1,6 MB

图纸

灰口铸铁底板,带 T 型槽

商品选择/筛选

订货号LB

HH4D2L6L9BN=槽宽NL=装配孔数量NB=装配孔数量CAD配件价格订购
01126-314400606004006023305001001453 根据要求
01126-314500606005006023305001001454 根据要求
01126-314600606006006023305001001455 根据要求
01126-314400808004006023307001001473 根据要求
01126-314450909004506023308001001483 根据要求
01126-3145010010005006023309001001494 根据要求
01126-314601201200600602330110010014115 根据要求
01126-318400606004007530305001001853 根据要求
01126-318500606005007530305001001854 根据要求
01126-318600606006007530305001001855 根据要求
01126-318400808004007530307001001873 根据要求
01126-318450909004507530308001001883 根据要求
01126-3185010010005007530309001001894 根据要求
01126-318601201200600753030110010018115 根据要求
我的 norelemE-Mail密码
购物车
商品数量: 0
总数: 0.00  
点击购物车
欢迎扫描二维码
咨询诺瑞朗官方客服微信
中国
苏ICP备20011289号-1  苏公网安备32058502011222 网页地图 打印 推荐 Top
Copyright © 2025 norelem. 保留所有权利。 电话 +49 71 45/206-44 至 45 · 传真 +49 71 45/206-83