norelem 使用 Cookies 以优化设计和持续改进网页。您通过继续使用网页,同意使用 Cookies。在我们的数据保护声明中可以找到有关 Cookies 主题的详细信息。同意
灰口铸铁圆形底板, 带栅格孔
01126-10

灰口铸铁圆形底板, 带栅格孔

返回

商品描述/产品说明

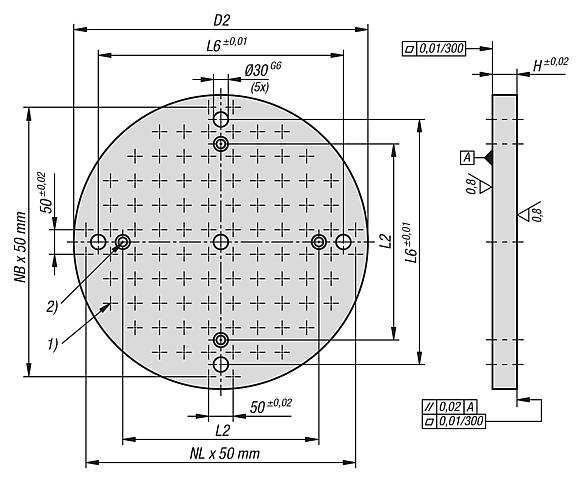
产品说明材料:GJL 300.规格:支撑面和夹紧面经打磨处理。提示:栅格间距 50 ±0.02 mm。
带栅格孔的圆形底板通过模块化方式搭建夹具。这些底板直接定位和固定在机台上。
定向孔用于将底板在机台上对齐。
用于固定底板的定位销须另行订购。
用于锁闭栅格孔的保护塞必须另行订购。
供货清单包括用于吊装的环形螺栓。
应要求提供其他尺寸。
根据要求:其他尺寸。图纸提示:
1) 格栅孔
2) 内六角螺栓的通孔 DIN 912 (D4)
特点:
RoHS

图纸

灰口铸铁圆形底板, 带栅格孔

商品选择/筛选

订货号D2H

D

D1D4L2L6N1=格栅孔数量NL=装配孔数量NB=装配孔数量CAD配件价格订购
01126-10-212300503005012M12M121502202455 根据要求
01126-10-212400504005012M12M122503204477 根据要求
01126-10-212500505005012M12M163004006899 根据要求
01126-10-212600506005012M12M16400500961111 根据要求
01126-10-216500505005016M16M163004006899 根据要求
01126-10-216600506005016M16M16400500961111 根据要求
我的 norelemE-Mail密码
购物车
商品数量: 0
总数: 0.00  
点击购物车
欢迎扫描二维码
咨询诺瑞朗官方客服微信
中国
苏ICP备20011289号-1  苏公网安备32058502011222 网页地图 打印 推荐 Top
Copyright © 2025 norelem. 保留所有权利。 电话 +49 71 45/206-44 至 45 · 传真 +49 71 45/206-83