norelem 使用 Cookies 以优化设计和持续改进网页。您通过继续使用网页,同意使用 Cookies。在我们的
数据保护声明
中可以找到有关 Cookies 主题的详细信息。
同意
全球分布
创意
AGB
版权说明
数据保护
产品
企业信息
服务
下载
新闻
联系方式
产品概览
固定
灵活的标准件系统
装配
装配系统
运动
用于机床和设备制造的系统/组件
检查
量具检具组件
夹紧
夹紧技术
控制和调节
电动机构
输送
输送和移动技术
technoshop
norelem inch
英制产品目录
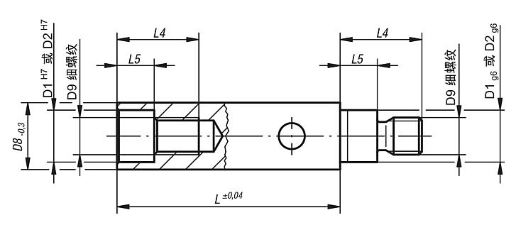
08610
延长柱,长
返回
产品
产品概览
灵活的标准件系统
钻孔夹具配件 钻套
钻孔夹具
延长柱,长
商品描述/产品说明
产品说明
材料:
不锈钢 1.7139。
规格:
淬火和黑色氧化处理。
特点:
下载
此处为收集信息的 PDF:
查找 CAD 数据?请直接在产品列表中查找。
Datasheet 08610 延长柱,长
154 kB
图纸
商品选择/筛选
订货号
适用
钻模规格
D1
D2
D8
D9
L
L4
L5
CAD
配件
价格
订购
08610-02
2 + 2S
16
16
25
M14x1,5
120
28
12
根据要求
08610-03
3 + 3S + 4
20
18
30
M14x1,5
120
32
14,5
根据要求
08610-05
5
24
22
40
M20x1,5
120
43
18
根据要求
08610-06
6
26
24
40
M20x1,5
120
46
22
根据要求
本类目的其他商品
<<
|
<
|
1-10
|
11-15
|
>
|
>>
08000
钻模板
08050
轴承座,长
08100
轴承座,短
08150
搭扣
02010
钢制止动销,经硬化和打磨处理,不含定心
08180
钢制压力垫圈
08270
钻模板,带短轴承座
08280
钻模板,带长轴承座
08570
钻模板,DIN 6348,加强型
08580
垫板,DIN 6348
<<
|
<
|
1-10
|
11-15
|
>
|
>>
我的 norelem
E-Mail
密码
忘记密码
首次登陆
购物车
商品数量:
0
总数:
0.00
€
点击购物车
欢迎扫描二维码
咨询诺瑞朗官方客服微信
Algérie
Andorra
Argentina
Australia
België
Bolivia
Bosna i Hercegovina
Brasil
Canada
Česká republika
Chile
中国
Colombia
Costa Rica
Cuba
Danmark
Dem. Peop. Rep. of Korea
Deutschland
Ecuador
Eesti
España
Georgia
香港
Hrvatska
India
Ireland
Ísland
Italia
Jamaica
日本
Latvija
Liechtenstein
Lietuvos
Luxemburg
Magyarország
Malaysia
Malta
México
Nederland
New Zealand
Norge
Österreich
Pakistan
Paraguay
Perú
Polska
Portugal
Principauté de Monaco
台灣
Rep. di San Marino
대한민국
România
Schweiz
Singapore
Slovenija
Slovensko
South Africa
Suomi
Sverige
Türkiye
United Kingdom
United States of America
Uruguay
Venezuela
Việt Nam
Ελλάδα
Κύπρος
Беларусь
България
Република Србија
Россия
Србија и Црна Гора
Україна
ישראל
الامارات العربية المتحدة
السعودية
ايران
مصر
ประเทศไทย
Chinese
English
苏ICP备20011289号-1
苏公网安备32058502011222
网页地图
打印
推荐
Top
Copyright © 2025 norelem. 保留所有权利。
电话 +49 71 45/206-44 至 45 · 传真 +49 71 45/206-83