|
|
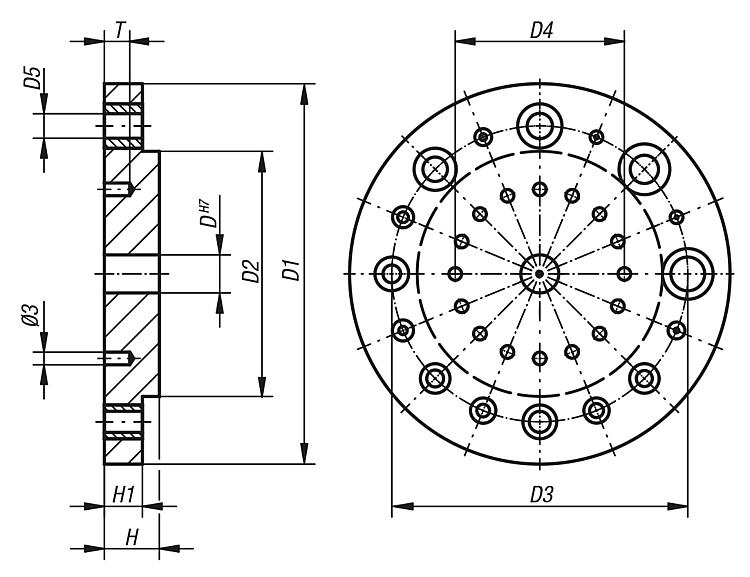
产品说明材料:钢制 1.0036。规格:亮色。提示:我们可以根据您的要求配备钻盘,或者进行 4 mm 的预钻孔和铰孔。
在 08640-00 0.7 / 0.9 / 1.1 / 1.6 / 2 / 2.5 / 3 / 3.3 / 3.8 / 4 / 4.2 / 5 / 5.8 / 6 / 6.7 / 8* 上压入的钻孔衬套 08900 D5 在 08640-02 3 / 3.3 / 3.8 / 4 / 4.2 / 5 / 5.8 / 6* / 6.7 / 8* / 8.4 / 10* / 11.8 / 12* / 13.8 / 15* 压入的钻孔衬套 08900 D5
* 嵌入式钻孔衬套的基本衬套。特点: 下载此处为收集信息的 PDF:
查找 CAD 数据?请直接在产品列表中查找。
|
| 订货号 | 适用 车削件钻模 规格 | D
| D1 | D2 | D3 | D4 | H | H1 | T | 状态 | CAD | 配件 | 价格 | 订购 |
|---|
| 08640-00 | 0 | 9 | 88 | 57 | 70 | 40 | 12,5 | 9 | 8 | 余货 |  | | 根据要求 | | | 08640-02 | 2 | 16 | 123 | 67 | 94 | 60 | 18 | 12 | 8 | 余货 |  | | 根据要求 | |
|
|