|
|
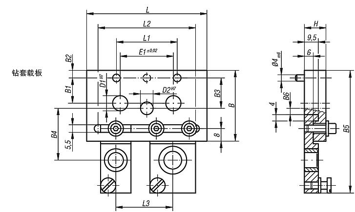
产品说明材料:钢制 1.0036。规格:亮色。提示:必须为钻套载板订购所需的钻套支架。
* 嵌入式钻套的基本衬套。特点: 下载此处为收集信息的 PDF:
查找 CAD 数据?请直接在产品列表中查找。
|
| 订货号 | 名称 | 适用 车削件钻模 规格 | D1 | D2 | E1 | L | L1 | L2 | B | B1 | B2 | B3 | B4 | B5 钻套载板 规格 1 和 2 | B5 钻套载板 规格 3 到 8 | B6 | H | 状态 | CAD | 配件 | 价格 | 订购 |
|---|
| 08650-02 | 钻套载板 | 2 | 16 | 16 | 50 | 120 | 80 | 100 | 68 | 30 | 4 | 30 | 47 | 87 | 103 | 17 | 19 | 余货 |  | | 根据要求 | |
|
|
|
|