norelem 使用 Cookies 以优化设计和持续改进网页。您通过继续使用网页,同意使用 Cookies。在我们的数据保护声明中可以找到有关 Cookies 主题的详细信息。同意

商品描述/产品说明

查看/筛选所有商品
产品说明材料:调质钢主体。规格:主体经调质和和黑色氧化处理。
支撑面经渗碳硬化处理。
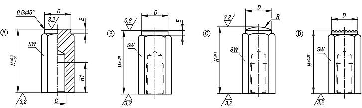
提示:固定脚对未经加工和经加工的工件进行支撑和夹紧。此外,其还用作夹具和加工中的挡块、压紧块。图纸提示:
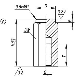
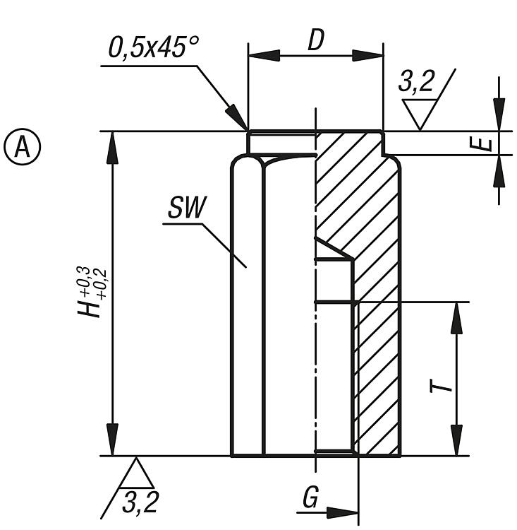
A 型: 平面经硬化处理
B 型: 平面经打磨 和硬化处理
C 型: 球面经硬化处理
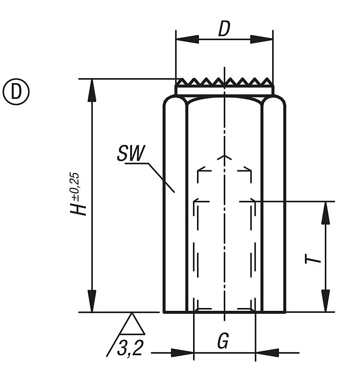
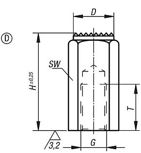
D 型: 齿面经调质处理
特点:
RoHS
下载此处为收集信息的 PDF:

查找 CAD 数据?请直接在产品列表中查找。
 Datasheet 02070 固定脚,带内螺纹 197 kB

图片(总概述)

固定脚,带内螺纹

固定脚,带内螺纹,A 型,平面经硬化处理

更多信息

图纸

固定脚,带内螺纹,A 型,平面经硬化处理

商品选择/筛选

订货号类型D

EGHTSWCAD配件价格订购
02070-106X20A9,52M6201210 根据要求
02070-106X40A9,52M6401210 根据要求
02070-110X32A16,53M10321817 根据要求
02070-110X63A16,53M10631817 根据要求
02070-112X32A18,53M12321819 根据要求
02070-112X63A18,53M12631819 根据要求
02070-116X50A234M16502424 根据要求
02070-116X100A234M161002424 根据要求

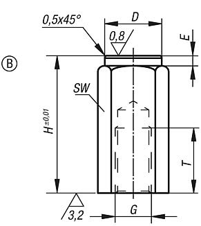
固定脚,带内螺纹,B 型,平面经打磨和硬化处理

更多信息

图纸

固定脚,带内螺纹,B 型,平面经打磨和硬化处理

商品选择/筛选

订货号类型D

EGHTSWCAD配件价格订购
02070-206X20B9,52M6201210 根据要求
02070-206X40B9,52M6401210 根据要求
02070-210X32B16,53M10321817 根据要求
02070-210X63B16,53M10631817 根据要求
02070-212X32B18,53M12321819 根据要求
02070-212X63B18,53M12631819 根据要求
02070-216X50B234M16502424 根据要求
02070-216X100B234M161002424 根据要求

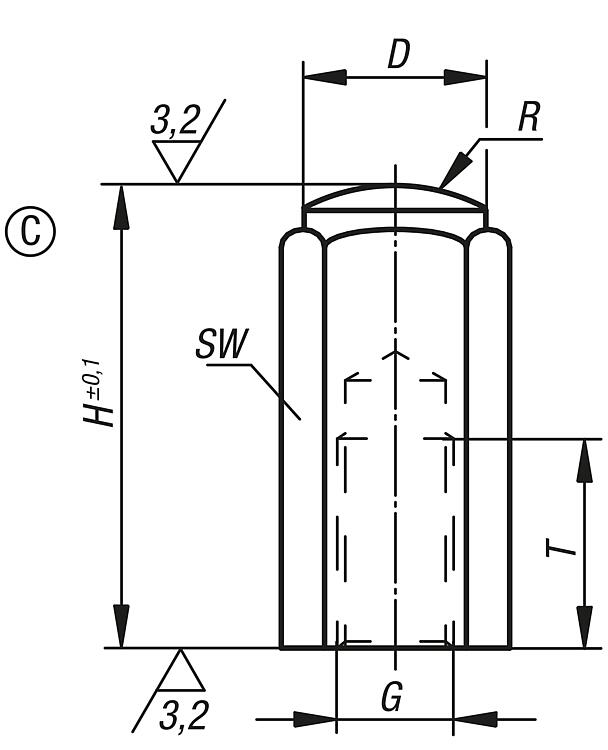
固定脚,带内螺纹,C 型,球面经硬化处理

更多信息

图纸

固定脚,带内螺纹,C 型,球面经硬化处理

商品选择/筛选

订货号类型D

GHRTSWCAD配件价格订购
02070-306X20C9,5M620151210 根据要求
02070-306X40C9,5M640151210 根据要求
02070-310X32C16,5M1032301817 根据要求
02070-310X63C16,5M1063301817 根据要求
02070-312X32C18,5M1232351819 根据要求
02070-312X63C18,5M1263351819 根据要求
02070-316X50C23M1650402424 根据要求
02070-316X100C23M16100402424 根据要求

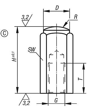
固定脚,带内螺纹,D 型,齿面经热处理

更多信息

图纸

固定脚,带内螺纹,D 型,齿面经热处理

商品选择/筛选

订货号类型D

GHTSWCAD配件价格订购
02070-406X20D9,5M6201210 根据要求
02070-406X40D9,5M6401210 根据要求
02070-410X32D16,5M10321817 根据要求
02070-410X63D16,5M10631817 根据要求
02070-412X32D18,5M12321819 根据要求
02070-412X63D18,5M12631819 根据要求
02070-416X50D23M16502424 根据要求
02070-416X100D23M161002424 根据要求
我的 norelemE-Mail密码
购物车
商品数量: 0
总数: 0.00  
点击购物车
欢迎扫描二维码
咨询诺瑞朗官方客服微信
中国
苏ICP备20011289号-1  苏公网安备32058502011222 网页地图 打印 推荐 Top
Copyright © 2025 norelem. 保留所有权利。 电话 +49 71 45/206-44 至 45 · 传真 +49 71 45/206-83