|
|
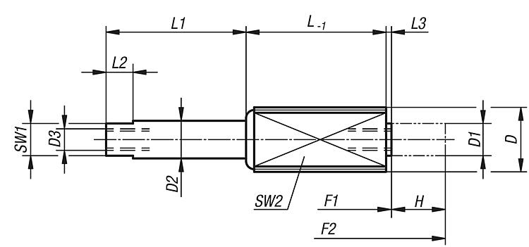
产品说明材料:钢制。规格:套筒 蓝色镀锌。 顶销 黑色氧化。提示:通过顶销两侧的螺纹孔可以装入各种嵌入件实现多种用途,例如:棱柱、柱塞、自适应顶脚、按钮、卡爪等。装配:为防止螺纹套筒的脱落,建议使用 LOCTITE 螺栓胶 97990-243。特点: 下载此处为收集信息的 PDF:
查找 CAD 数据?请直接在产品列表中查找。
|
订货号 | D
| D1 | D2 | D3 | H=行程 | L | L1 | L2 | L3 | SW1 | SW2 方形 | 初始位置 弹簧弹力 F1 约 N | 终点位置 弹簧弹力 F2 约 N | CAD | 配件 | 价格 | 订购 |
|---|
| 03338-1202004 | M12 | 6 | 7 | M4x8 | 3,5 | 11 | 4,5 | 5 | 1 | 6 | 10 | 5 | 20 |  | | 根据要求 | | | 03338-1202006 | M12 | 6 | 7 | M4x8 | 6 | 18,5 | 7 | 5 | 1 | 6 | 10 | 5 | 20 |  | | 根据要求 | | | 03338-1202010 | M12 | 6 | 7 | M4x8 | 10 | 26 | 11 | 5 | 1 | 6 | 10 | 5 | 20 |  | | 根据要求 | | | 03338-1206003 | M12 | 6 | 7 | M4x8 | 3 | 11 | 4,5 | 5 | 1 | 6 | 10 | 12 | 40 |  | | 根据要求 | | | 03338-1206005 | M12 | 6 | 7 | M4x8 | 5 | 18,5 | 7 | 5 | 1 | 6 | 10 | 12 | 40 |  | | 根据要求 | | | 03338-1206008 | M12 | 6 | 7 | M4x8 | 8 | 26 | 11 | 5 | 1 | 6 | 10 | 12 | 40 |  | | 根据要求 | | | 03338-1212503 | M12 | 6 | 7 | M4x8 | 3 | 11 | 4,5 | 5 | 1 | 6 | 10 | 20 | 100 |  | | 根据要求 | | | 03338-1212505 | M12 | 6 | 7 | M4x8 | 5 | 18,5 | 7 | 5 | 1 | 6 | 10 | 20 | 100 |  | | 根据要求 | | | 03338-1212508 | M12 | 6 | 7 | M4x8 | 8 | 26 | 11 | 5 | 1 | 6 | 10 | 20 | 100 |  | | 根据要求 | | | 03338-1815004 | M18x1,5 | 10 | 11 | M6x12 | 4 | 17 | 6 | 6 | 2,5 | 9 | 16 | 50 | 150 |  | | 根据要求 | | | 03338-1815007 | M18x1,5 | 10 | 11 | M6x12 | 7 | 29,5 | 11,5 | 6 | 2,5 | 9 | 16 | 50 | 150 |  | | 根据要求 | | | 03338-1815013 | M18x1,5 | 10 | 11 | M6x12 | 12,5 | 45,5 | 16 | 6 | 2,5 | 9 | 16 | 50 | 150 |  | | 根据要求 | |
|
|