|
|
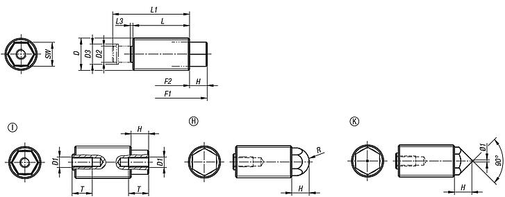
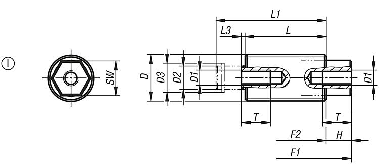
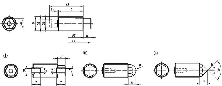
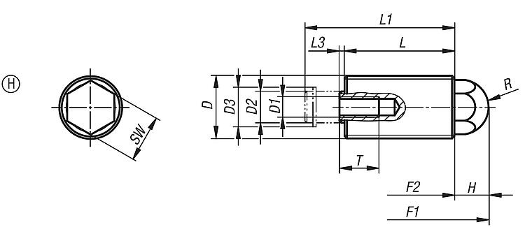
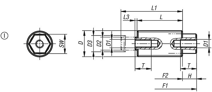
产品说明材料:钢制。规格:镀锌螺纹套筒,蓝色钝化处理。 顶销,渗碳硬化处理及黑色氧化处理。 标准弹力,加强弹力。提示:伸缩式弹簧柱塞,又被成为双向弹簧柱塞,用于各类部件的定位和夹紧。六棱形顶销能避免旋转,可用于推动或拉动部件。特点: 下载此处为收集信息的 PDF:
查找 CAD 数据?请直接在产品列表中查找。
|
| 订货号 | 类型 | 弹簧弹力 | D
| SW | D1 | D2 | D3 | F1 N | F2 N | H=行程 | L | L1 | L3 | T min. | CAD | 配件 | 价格 | 订购 |
|---|
| 03339-1112 | I | 标准型 | M12X1,5 | 8 | M4 | 5,5 | 6,78 | 16 | 38 | 6,12 | 20 | 27,5 | 1,38 | 8 |  | | 根据要求 | | | 03339-1116 | I | 标准型 | M16x1,5 | 11 | M5 | 8 | 10 | 25 | 71 | 8,7 | 28 | 38 | 1,3 | 10 |  | | 根据要求 | | | 03339-1120 | I | 标准型 | M20X1,5 | 14 | M6 | 10 | 12,2 | 40 | 140 | 10,3 | 34 | 47 | 2,7 | 12 |  | | 根据要求 | | | 03339-1212 | I | 加强型 | M12X1,5 | 8 | M4 | 5,5 | 6,78 | 20 | 60 | 6,12 | 20 | 27,5 | 1,38 | 8 |  | | 根据要求 | | | 03339-1216 | I | 加强型 | M16x1,5 | 11 | M5 | 8 | 10 | 35 | 103 | 8,7 | 28 | 38 | 1,3 | 10 |  | | 根据要求 | | | 03339-1220 | I | 加强型 | M20X1,5 | 14 | M6 | 10 | 12,2 | 60 | 175 | 10,3 | 34 | 47 | 2,7 | 12 |  | | 根据要求 | |
|
| 订货号 | 类型 | 弹簧弹力 | D
| D1 | D2 | D3 | F1 N | F2 N | H=行程 | L | L1 | L3 | R | SW | T min. | CAD | 配件 | 价格 | 订购 |
|---|
| 03339-2112 | H | 标准型 | M12X1,5 | M4 | 5,5 | 6,78 | 16 | 38 | 6,12 | 20 | 27,5 | 1,38 | 5,5 | 8 | 8 |  | | 根据要求 | | | 03339-2116 | H | 标准型 | M16x1,5 | M5 | 8 | 10 | 25 | 71 | 8,7 | 28 | 38 | 1,3 | 7 | 11 | 10 |  | | 根据要求 | | | 03339-2120 | H | 标准型 | M20X1,5 | M6 | 10 | 12,2 | 40 | 140 | 10,3 | 34 | 47 | 2,7 | 9 | 14 | 12 |  | | 根据要求 | | | 03339-2212 | H | 加强型 | M12X1,5 | M4 | 5,5 | 6,78 | 20 | 60 | 6,12 | 20 | 27,5 | 1,38 | 5,5 | 8 | 8 |  | | 根据要求 | | | 03339-2216 | H | 加强型 | M16x1,5 | M5 | 8 | 10 | 35 | 103 | 8,7 | 28 | 38 | 1,3 | 7 | 11 | 10 |  | | 根据要求 | | | 03339-2220 | H | 加强型 | M20X1,5 | M6 | 10 | 12,2 | 60 | 175 | 10,3 | 34 | 47 | 2,7 | 9 | 14 | 12 |  | | 根据要求 | |
|
| 订货号 | 类型 | 弹簧弹力 | D
| SW | D1 | D2 | D3 | F1 N | F2 N | H=行程 | L | L1 | L3 | T min. | CAD | 配件 | 价格 | 订购 |
|---|
| 03339-3112 | K | 标准型 | M12X1,5 | 8 | M4 | 5,5 | 6,78 | 16 | 38 | 6,12 | 20 | 27,5 | 1,38 | 8 |  | | 根据要求 | | | 03339-3116 | K | 标准型 | M16x1,5 | 11 | M5 | 8 | 10 | 25 | 71 | 8,7 | 28 | 38 | 1,3 | 10 |  | | 根据要求 | | | 03339-3120 | K | 标准型 | M20X1,5 | 14 | M6 | 10 | 12,2 | 40 | 140 | 10,3 | 34 | 47 | 2,7 | 12 |  | | 根据要求 | | | 03339-3212 | K | 加强型 | M12X1,5 | 8 | M4 | 5,5 | 6,78 | 20 | 60 | 6,12 | 20 | 27,5 | 1,38 | 8 |  | | 根据要求 | | | 03339-3216 | K | 加强型 | M16x1,5 | 11 | M5 | 8 | 10 | 35 | 103 | 8,7 | 28 | 38 | 1,3 | 10 |  | | 根据要求 | | | 03339-3220 | K | 加强型 | M20X1,5 | 14 | M6 | 10 | 12,2 | 60 | 175 | 10,3 | 34 | 47 | 2,7 | 12 |  | | 根据要求 | |
|
|
|