|
|
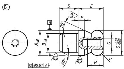
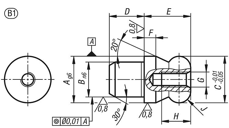
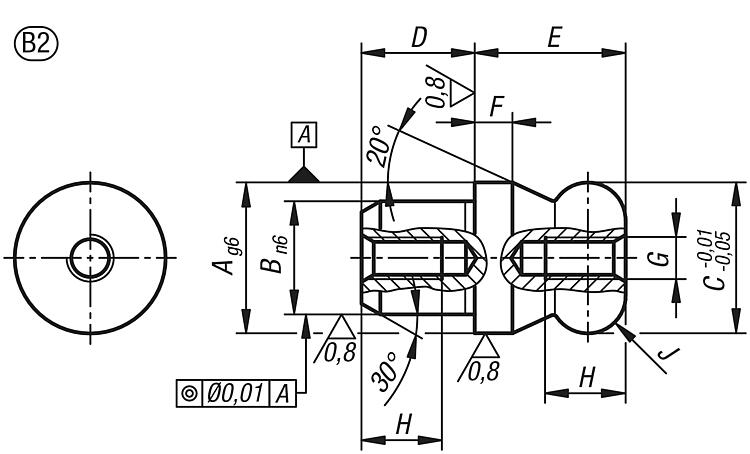
产品说明材料:工具钢或不锈钢 1.4305。 规格:钢制,经硬化和打磨处理。 不锈钢,经打磨和渗碳处理。提示:带球头端的定位销用于方便低定位连接。由定位孔角度偏差或者定位销不平行导致的倾斜,得以通过球头端降至最低限度(请参见接合示意图 1)。图纸提示:1) 单侧内螺纹,带盲孔 2) 双侧内螺纹,带盲孔 3) 双侧内螺纹,带通孔 特点: 下载此处为收集信息的 PDF:
查找 CAD 数据?请直接在产品列表中查找。
|
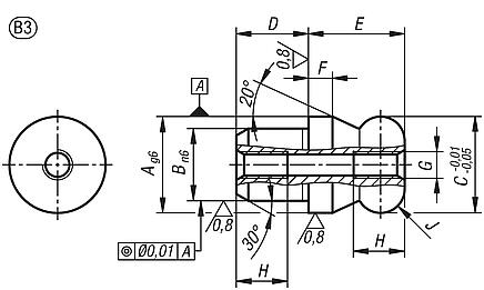
定位销,带球头,B 型,单侧内螺纹,带盲孔
|
更多信息 |
| 订货号 | 材料 | A | B | C | D
| E | F | G | H | J | 类型 1 | 螺纹内孔 | CAD | 配件 | 价格 | 订购 |
|---|
| 03108-06 | 工具钢 | 6 | 4 | 6 | 4 | 6 | 2 | M2,5 | 4,5 | R 1 | 一侧有内螺纹 | 盲孔 |  | | 根据要求 | | | 03108-08 | 工具钢 | 8 | 6 | 8 | 6 | 8 | 2 | M3 | 6 | R 2 | 一侧有内螺纹 | 盲孔 |  | | 根据要求 | | | 03108-10 | 工具钢 | 10 | 7 | 10 | 7 | 10 | 2,5 | M3 | 6 | R 2,5 | 一侧有内螺纹 | 盲孔 |  | | 根据要求 | | | 03108-12 | 工具钢 | 12 | 8 | 12 | 8 | 12 | 3 | M4 | 8 | R 3 | 一侧有内螺纹 | 盲孔 |  | | 根据要求 | | | 03108-14 | 工具钢 | 14 | 10 | 14 | 10 | 14 | 3,5 | M4 | 8 | R 3,5 | 一侧有内螺纹 | 盲孔 |  | | 根据要求 | | | 03108-16 | 工具钢 | 16 | 12 | 16 | 12 | 16 | 4 | M5 | 10 | R 4 | 一侧有内螺纹 | 盲孔 |  | | 根据要求 | | | 03108-20 | 工具钢 | 20 | 14 | 20 | 14 | 20 | 5 | M5 | 10 | R 5 | 一侧有内螺纹 | 盲孔 |  | | 根据要求 | | | 03108-22 | 工具钢 | 22 | 16 | 22 | 16 | 22 | 5,5 | M5 | 10 | R 5,5 | 一侧有内螺纹 | 盲孔 |  | | 根据要求 | | | 03108-25 | 工具钢 | 25 | 18 | 25 | 18 | 25 | 6 | M5 | 10 | R 6 | 一侧有内螺纹 | 盲孔 |  | | 根据要求 | | | 03108-506 | 不锈钢 | 6 | 4 | 6 | 4 | 6 | 2 | M2,5 | 4,5 | R 1 | 一侧有内螺纹 | 盲孔 |  | | 根据要求 | | | 03108-508 | 不锈钢 | 8 | 6 | 8 | 6 | 8 | 2 | M3 | 6 | R 2 | 一侧有内螺纹 | 盲孔 |  | | 根据要求 | | | 03108-510 | 不锈钢 | 10 | 7 | 10 | 7 | 10 | 2,5 | M3 | 6 | R 2,5 | 一侧有内螺纹 | 盲孔 |  | | 根据要求 | | | 03108-512 | 不锈钢 | 12 | 8 | 12 | 8 | 12 | 3 | M4 | 8 | R 3 | 一侧有内螺纹 | 盲孔 |  | | 根据要求 | | | 03108-514 | 不锈钢 | 14 | 10 | 14 | 10 | 14 | 3,5 | M4 | 8 | R 3,5 | 一侧有内螺纹 | 盲孔 |  | | 根据要求 | | | 03108-516 | 不锈钢 | 16 | 12 | 16 | 12 | 16 | 4 | M5 | 10 | R 4 | 一侧有内螺纹 | 盲孔 |  | | 根据要求 | | | 03108-520 | 不锈钢 | 20 | 14 | 20 | 14 | 20 | 5 | M5 | 10 | R 5 | 一侧有内螺纹 | 盲孔 |  | | 根据要求 | |
|
|
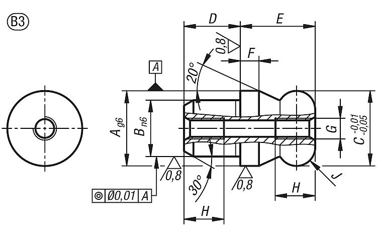
定位销,带球头,B 型,双侧内螺纹,带盲孔
|
更多信息 |
| 订货号 | 材料 | A | B | C | D
| E | F | G | H | J | 类型 1 | 螺纹内孔 | CAD | 配件 | 价格 | 订购 |
|---|
| 03108-0602 | 工具钢 | 6 | 4 | 6 | 4 | 6 | 2 | M2,5 | 4,5 | R 1 | 两侧均有内螺纹 | 通孔 |  | | 根据要求 | | | 03108-0802 | 工具钢 | 8 | 6 | 8 | 6 | 8 | 2 | M3 | 6 | R 2 | 两侧均有内螺纹 | 通孔 |  | | 根据要求 | | | 03108-1002 | 工具钢 | 10 | 7 | 10 | 7 | 10 | 2,5 | M3 | 6 | R 2,5 | 两侧均有内螺纹 | 通孔 |  | | 根据要求 | | | 03108-1202 | 工具钢 | 12 | 8 | 12 | 8 | 12 | 3 | M4 | 8 | R 3 | 两侧均有内螺纹 | 通孔 |  | | 根据要求 | | | 03108-1402 | 工具钢 | 14 | 10 | 14 | 10 | 14 | 3,5 | M4 | 8 | R 3,5 | 两侧均有内螺纹 | 通孔 |  | | 根据要求 | | | 03108-1602 | 工具钢 | 16 | 12 | 16 | 12 | 16 | 4 | M5 | 10 | R 4 | 两侧均有内螺纹 | 通孔 |  | | 根据要求 | | | 03108-50602 | 不锈钢 | 6 | 4 | 6 | 4 | 6 | 2 | M2,5 | 4,5 | R 1 | 两侧均有内螺纹 | 通孔 |  | | 根据要求 | | | 03108-50802 | 不锈钢 | 8 | 6 | 8 | 6 | 8 | 2 | M3 | 6 | R 2 | 两侧均有内螺纹 | 通孔 |  | | 根据要求 | | | 03108-51002 | 不锈钢 | 10 | 7 | 10 | 7 | 10 | 2,5 | M3 | 6 | R 2,5 | 两侧均有内螺纹 | 通孔 |  | | 根据要求 | | | 03108-51202 | 不锈钢 | 12 | 8 | 12 | 8 | 12 | 3 | M4 | 8 | R 3 | 两侧均有内螺纹 | 通孔 |  | | 根据要求 | | | 03108-51402 | 不锈钢 | 14 | 10 | 14 | 10 | 14 | 3,5 | M4 | 8 | R 3,5 | 两侧均有内螺纹 | 通孔 |  | | 根据要求 | | | 03108-51602 | 不锈钢 | 16 | 12 | 16 | 12 | 16 | 4 | M5 | 10 | R 4 | 两侧均有内螺纹 | 通孔 |  | | 根据要求 | |
|
|
|