norelem 使用 Cookies 以优化设计和持续改进网页。您通过继续使用网页,同意使用 Cookies。在我们的数据保护声明中可以找到有关 Cookies 主题的详细信息。同意
弹簧柱塞 陶瓷顶珠/一字槽,不锈钢
03008

弹簧柱塞 陶瓷顶珠/一字槽,不锈钢

返回

商品描述/产品说明

产品说明材料:

不锈钢规格 A1:
螺纹套筒 1.4305.
压缩弹簧 1.4310.
陶瓷球 Si3N4

不锈钢规格 A4:
螺纹套筒 1.4404.
压缩弹簧 1.4401.
陶瓷球 Si3N4

规格:亮色。提示:

氮化硅 Si3N4 具备优异的材料性能,其包括高韧性和刚性、优异的磨损性能以及出色的耐化学性。

所用材料用途广泛。 对于耐腐蚀性要求极高的情况,建议使用 A4 不锈钢制弹性止动顶销。

特点:
不锈钢RoHS
下载此处为收集信息的 PDF:

查找 CAD 数据?请直接在产品列表中查找。
 Datasheet 03008 弹簧柱塞 陶瓷顶珠/一字槽,不锈钢 198 kB

图纸

弹簧柱塞 陶瓷顶珠/一字槽,不锈钢

商品选择/筛选

订货号

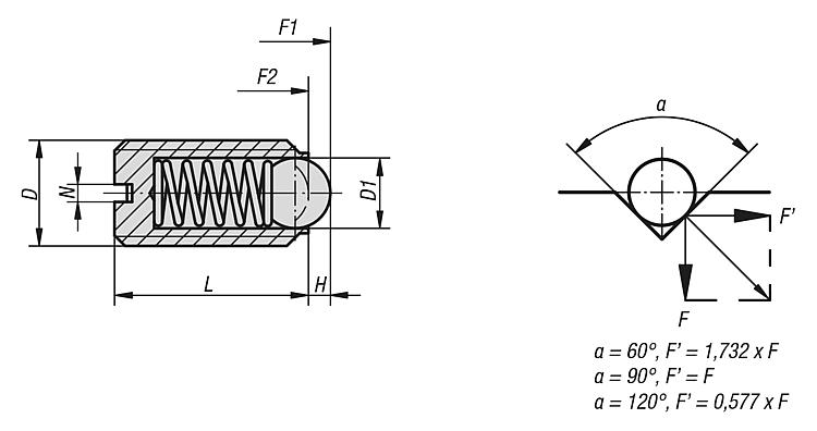
金属键D

D1H=行程LN初始位置
弹簧弹力
F1 约 N
终点位置
弹簧弹力
F2 约 N
载体形式CAD配件价格订购
03008-031.4305M31,50,470,41,53一字槽 根据要求
03008-0311.4404M31,50,470,41,53一字槽 根据要求
03008-041.4305M42,50,890,6410一字槽 根据要求
03008-0411.4404M42,50,890,6410一字槽 根据要求
03008-051.4305M530,9120,8611一字槽 根据要求
03008-0511.4404M530,9120,8611一字槽 根据要求
03008-061.4305M63,51141913一字槽 根据要求
03008-0611.4404M63,51141913一字槽 根据要求
03008-081.4305M851,5161,21530一字槽 根据要求
03008-0811.4404M851,5161,21530一字槽 根据要求
03008-101.4305M1062191,62035一字槽 根据要求
03008-1011.4404M1062191,62035一字槽 根据要求
03008-121.4305M1282,52223055一字槽 根据要求
03008-1211.4404M1282,52223055一字槽 根据要求
03008-161.4305M16103,5242,565125一字槽 根据要求
03008-1611.4404M16103,5242,565125一字槽 根据要求
中国
苏ICP备20011289号-1  苏公网安备32058502011222 网页地图 打印 推荐 Top
Copyright © 2025 norelem. 保留所有权利。 电话 +49 71 45/206-44 至 45 · 传真 +49 71 45/206-83