|
|
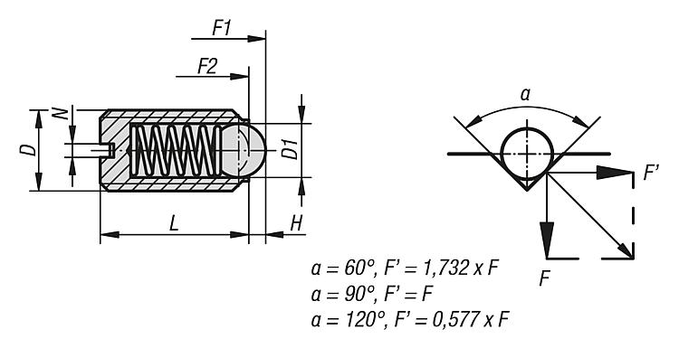
产品说明材料:套筒 1.4305。
顶珠 1.4034。
弹簧 1.4310。 规格:亮色。顶珠硬化处理。特点: 下载此处为收集信息的 PDF:
查找 CAD 数据?请直接在产品列表中查找。
|
带一字槽和顶珠的弹簧柱塞,不锈钢,标准弹簧弹力 |
更多信息 |
订货号 | D
| D1 | L | H=行程 | N | 初始位置 弹簧弹力 F1 约 N | 终点位置 弹簧弹力 F2 约 N | CAD | 配件 | 价格 | 订购 |
|---|
| 03010-03 | M3 | 1,5 | 7 | 0,4 | 0,4 | 1,5 | 3 |  | | 根据要求 | | | 03010-04 | M4 | 2,5 | 9 | 0,8 | 0,6 | 4 | 10 |  | | 根据要求 | | | 03010-05 | M5 | 3 | 12 | 0,9 | 0,8 | 6 | 11 |  | | 根据要求 | | | 03010-06 | M6 | 3,5 | 14 | 1 | 1 | 9 | 13 |  | | 根据要求 | | | 03010-08 | M8 | 5 | 16 | 1,5 | 1,2 | 15 | 30 |  | | 根据要求 | | | 03010-10 | M10 | 6 | 19 | 2 | 1,6 | 20 | 35 |  | | 根据要求 | | | 03010-12 | M12 | 8 | 22 | 2,5 | 2 | 30 | 55 |  | | 根据要求 | | | 03010-16 | M16 | 10 | 24 | 3,5 | 2,5 | 65 | 125 |  | | 根据要求 | | | 03010-20 | M20 | 12 | 30 | 4,5 | 2,5 | 80 | 160 |  | | 根据要求 | |
|
带一字槽和顶珠的弹簧柱塞,不锈钢,加强弹簧弹力 |
更多信息 |
订货号 | D
| D1 | L | H=行程 | N | 初始位置 弹簧弹力 F1 约 N | 终点位置 弹簧弹力 F2 约 N | CAD | 配件 | 价格 | 订购 |
|---|
| 03010-203 | M3 | 1,5 | 7 | 0,4 | 0,4 | 5 | 7 |  | | 根据要求 | | | 03010-204 | M4 | 2,5 | 9 | 0,8 | 0,6 | 12 | 22 |  | | 根据要求 | | | 03010-205 | M5 | 3 | 12 | 0,9 | 0,8 | 19 | 30 |  | | 根据要求 | | | 03010-206 | M6 | 3,5 | 14 | 1 | 1 | 28 | 40 |  | | 根据要求 | | | 03010-208 | M8 | 5 | 16 | 1,5 | 1,2 | 47 | 73 |  | | 根据要求 | | | 03010-210 | M10 | 6 | 19 | 2 | 1,6 | 66 | 100 |  | | 根据要求 | | | 03010-212 | M12 | 8 | 22 | 2,5 | 2 | 66 | 120 |  | | 根据要求 | | | 03010-216 | M16 | 10 | 24 | 3,5 | 2,5 | 90 | 180 |  | | 根据要求 | | | 03010-220 | M20 | 12 | 30 | 4,5 | 2,5 | 115 | 240 |  | | 根据要求 | |
|
带一字槽和顶珠的弹簧柱塞,不锈钢,加长型,标准弹簧弹力 |
更多信息 |
订货号 | D
| D1 | L | H=行程 | N | 初始位置 弹簧弹力 F1 约 N | 终点位置 弹簧弹力 F2 约 N | CAD | 配件 | 价格 | 订购 |
|---|
| 03010-404 | M4 | 2,5 | 16 | 0,8 | 0,6 | 4 | 10 |  | | 根据要求 | | | 03010-405 | M5 | 3 | 20 | 0,9 | 0,8 | 6 | 11 |  | | 根据要求 | | | 03010-406 | M6 | 3,5 | 25 | 1 | 1 | 9 | 13 |  | | 根据要求 | | | 03010-408 | M8 | 5 | 30 | 1,5 | 1,2 | 15 | 30 |  | | 根据要求 | | | 03010-410 | M10 | 6 | 35 | 2 | 1,6 | 20 | 35 |  | | 根据要求 | | | 03010-412 | M12 | 8 | 40 | 2,5 | 2 | 30 | 55 |  | | 根据要求 | | | 03010-416 | M16 | 10 | 45 | 3,5 | 2,5 | 65 | 125 |  | | 根据要求 | |
|
|
|