norelem 使用 Cookies 以优化设计和持续改进网页。您通过继续使用网页,同意使用 Cookies。在我们的
数据保护声明
中可以找到有关 Cookies 主题的详细信息。
同意
全球分布
创意
AGB
版权说明
数据保护
产品
企业信息
服务
下载
新闻
联系方式
产品概览
固定
灵活的标准件系统
装配
装配系统
运动
用于机床和设备制造的系统/组件
检查
量具检具组件
夹紧
夹紧技术
控制和调节
电动机构
输送
输送和移动技术
technoshop
norelem inch
英制产品目录
03083
可调挡块
返回
产品
产品概览
灵活的标准件系统
弹簧柱塞、 分度销、 挡块、 定心和定位元件、 固定装置、 型槽螺母
挡块
可调挡块
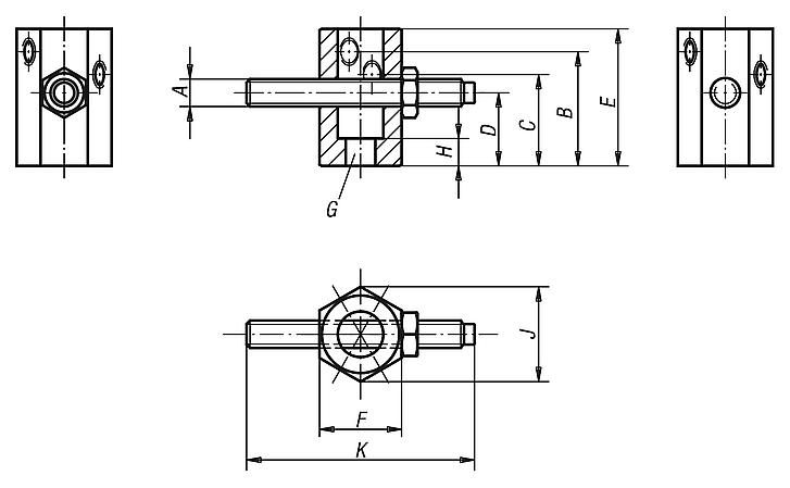
商品描述/产品说明
产品说明
材料:
主体,调节螺栓,调质钢。
规格:
主体经黑色氧化处理。
调节螺栓经调质和黑色氧化处理。
提示:
可调挡块拥有三个螺纹孔供调节螺栓安装。
特点:
下载
此处为收集信息的 PDF:
查找 CAD 数据?请直接在产品列表中查找。
Datasheet 03083 可调挡块
161 kB
图纸
商品选择/筛选
订货号
A
B
C
D
E
F
G
内六角螺栓的通孔
DIN 912
H
J
K
CAD
配件
价格
订购
03083-08032
M8
32
25
20
40
21
M8
7
24,3
50
根据要求
03083-12050
M12
50
40
32
60
36
M12
12
41,6
100
根据要求
03083-16063
M16
63
50
40
80
46
M16
16
53,1
100
根据要求
本类目的其他商品
03080
偏心挡块
03081
夹紧挡块,可移动
用于导槽型材
03085
可调挡块
03086
止动螺杆
03087
钢制止动螺栓,强度等级 10.9。
03088
5轴夹具
03088-10
磁性工件挡块
我的 norelem
E-Mail
密码
忘记密码
首次登陆
购物车
商品数量:
0
总数:
0.00
€
点击购物车
欢迎扫描二维码
咨询诺瑞朗官方客服微信
Algérie
Andorra
Argentina
Australia
België
Bolivia
Bosna i Hercegovina
Brasil
Canada
Česká republika
Chile
中国
Colombia
Costa Rica
Cuba
Danmark
Dem. Peop. Rep. of Korea
Deutschland
Ecuador
Eesti
España
Georgia
香港
Hrvatska
India
Ireland
Ísland
Italia
Jamaica
日本
Latvija
Liechtenstein
Lietuvos
Luxemburg
Magyarország
Malaysia
Malta
México
Nederland
New Zealand
Norge
Österreich
Pakistan
Paraguay
Perú
Polska
Portugal
Principauté de Monaco
台灣
Rep. di San Marino
대한민국
România
Schweiz
Singapore
Slovenija
Slovensko
South Africa
Suomi
Sverige
Türkiye
United Kingdom
United States of America
Uruguay
Venezuela
Việt Nam
Ελλάδα
Κύπρος
Беларусь
България
Република Србија
Россия
Србија и Црна Гора
Україна
ישראל
الامارات العربية المتحدة
السعودية
ايران
مصر
ประเทศไทย
Chinese
English
苏ICP备20011289号-1
苏公网安备32058502011222
网页地图
打印
推荐
Top
Copyright © 2025 norelem. 保留所有权利。
电话 +49 71 45/206-44 至 45 · 传真 +49 71 45/206-83