norelem 使用 Cookies 以优化设计和持续改进网页。您通过继续使用网页,同意使用 Cookies。在我们的数据保护声明中可以找到有关 Cookies 主题的详细信息。同意
液压旋转杆式夹钳 双 / 单作用,带有弹簧复位
04624-20

液压旋转杆式夹钳 双 / 单作用,带有弹簧复位

返回

商品描述/产品说明

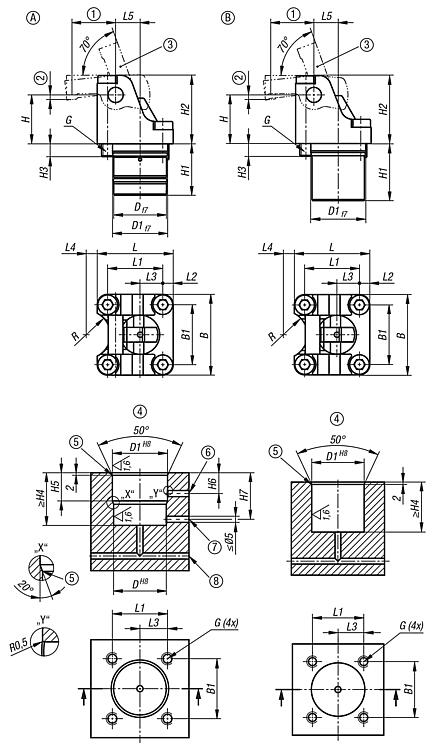
产品说明产品描述:旋转杆式夹钳非常适合空间有限的夹具。由于旋转杆式夹钳结构紧凑,它们可以用于各种空间狭小的夹具,因此往往能实现灵活的解决方案。材料:钢制外壳和活塞。规格:外壳经氧化处理。
活塞经硬化处理。
提示:在旋转杆式夹钳中,夹持杆与活塞杆相连。在旋转杆式夹钳进行单作用时,通过弹簧张力释放和打开夹紧杆,在旋转杆式夹钳进行双作用时,则通过压力介质进行释放和打开。油通过钻孔通道供应到旋转杆式夹钳。
当用旋转杆式夹钳夹紧时,夹紧杆以直线行程朝工件移动并夹紧工件。为了释放工件,夹紧杆要向后移动,直到工件可以向上移除而不会发生碰撞。旋转杆式夹钳的单行程取决于夹紧杆的选择。

必须定期检查夹紧元件是否存在污垢,必要时进行清洁。
必须确保由于安装位置的原因,不会在旋转杆式夹钳的夹紧杆旋转区域中形成切屑窝。

在安装过程中,旋转杆式夹钳的法兰表面应与工件的高度相适应,同时应提供夹紧点的水平定位。

只要正确定位旋转杆式夹钳,即使夹持杆较短,工件公差仍可得到最佳补偿。

旋转杆式夹钳可产生较大的力。必须确保工件和夹紧装置适用于这些负载。

旋转杆式夹钳可以配备单独的夹紧杆。旋转杆式夹钳的夹紧力取决于夹紧杆的长度。

用于旋转杆式夹钳的夹紧杆不包括在交货范围内。

遵守安全说明。
使用说明:钻孔通道。技术参数:最大工作压力:400 bar。装配:参见安装轮廓。优点:- 夹紧时无横向力。
- 较小的安装尺寸。
- 夹紧杆种类众多。
- 对工件无碰撞接触。
- 无管道压力供应。
根据要求:较大的活塞直径和冲程,以及带有位置控制。附件:旋转杆式夹钳 04624-30 的夹紧杆。供货范围包括 4 个符合 DIN EN ISO 4762 标准、8.8 强度等级的圆柱头螺栓。图纸提示:
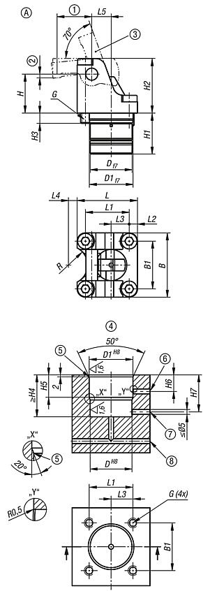
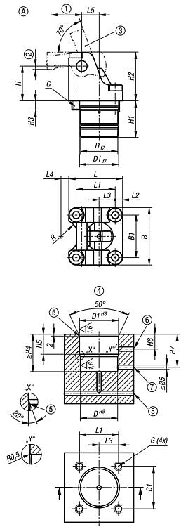
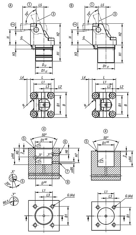
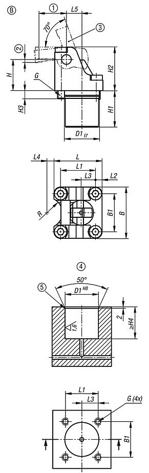
1) 夹紧杆长度(见 04624-30)
2) 行程(见 04624-30)
3) 参见配件
4) 安装轮廓
5) 圆形边缘
6) 松开
7) 夹紧备选方案
8) 夹紧
特点:
RoHS
下载此处为收集信息的 PDF:

查找 CAD 数据?请直接在产品列表中查找。
 Datasheet 04624-20 液压旋转杆式夹钳 双 / 单作用,带有弹簧复位 463 kB

图片(总概述)

液压旋转杆式夹钳 双 / 单作用,带有弹簧复位
液压旋转杆式夹钳 双 / 单作用,带有弹簧复位

液压旋转杆式夹钳,A 型,双作用

更多信息

图纸

液压旋转杆式夹钳,A 型,双作用
液压旋转杆式夹钳,A 型,双作用

商品选择/筛选

订货号类型活塞直径形状类型连接方式B

B1D

D1GG1HH1H2H3H4CAD配件价格订购
04624-20-121304A12双作用钻孔通道2719,519,420M4M4x81521217,521,5 根据要求
04624-20-161304A16双作用钻孔通道34252324M5M5x1220262810,526,5 根据要求
04624-20-201304A20双作用钻孔通道40302930M6M6x102532,535933 根据要求
04624-20-251304A25双作用钻孔通道5238,53536M8M8x1231,253743,7511,538 根据要求
04624-20-321304A32双作用钻孔通道66494345M10M10x154042561343 根据要求
04624-20-401304A40双作用钻孔通道78595355M12M12x1850477017,548 根据要求
订货号H5H6H7L

L1L2L3L4L5R活塞力
100 bar 的情况下
(kN)
活塞力
400 bar 的情况下
(kN)
容积
(cm³)
有效
活塞面积
(cm²)
CAD配件价格订购
04624-20-1213041411232618,53,758,757,57,510,61,771,061,77 根据要求
04624-20-16130417132632234,59,5101014,22,811,32,032,83 根据要求
04624-20-2013041714314030513,51112,515,74,5184,524,52 根据要求
04624-20-2513042015334935,56,7514,751115,6318,76,1524,68,826,15 根据要求
04624-20-32130423173862458,518,592019,710,140,616,2710,17 根据要求
04624-20-40130425194074559,521,5122524,715,963,631,815,9 根据要求

液压旋转杆式夹钳,B 型,单作用

更多信息

图纸

液压旋转杆式夹钳,B 型,单作用
液压旋转杆式夹钳,B 型,单作用

商品选择/筛选

订货号类型活塞直径形状类型连接方式B

B1D1GG1HH1H2H3H4CAD配件价格订购
04624-20-122304B12单作用钻孔通道2719,520M4M4x81523217,523,5 根据要求
04624-20-162304B16单作用钻孔通道342524M5M5x1220262810,526,5 根据要求
04624-20-202304B20单作用钻孔通道403030M6M6x102532,535933 根据要求
04624-20-252304B25单作用钻孔通道5238,536M8M8x1231,253743,7511,538 根据要求
04624-20-322304B32单作用钻孔通道664945M10M10x1540475611,548 根据要求
04624-20-402304B40单作用钻孔通道785955M12M12x1850557017,556 根据要求
订货号L

L1L2L3L4L5R活塞力
100 bar 的情况下
(kN)
活塞力
400 bar 的情况下
(kN)
容积
(cm³)
有效
活塞面积
(cm²)
CAD配件价格订购
04624-20-1223042618,53,758,757,57,510,61,14,40,681,13 根据要求
04624-20-16230432234,59,5101014,21,981,612,01 根据要求
04624-20-2023044030513,513,512,515,7312,43,143,14 根据要求
04624-20-2523044935,56,7514,751115,6318,74,719,46,144,91 根据要求
04624-20-32230462458,518,592019,77,83212,98,04 根据要求
04624-20-40230474559,521,5122524,712,35025,212,57 根据要求
我的 norelemE-Mail密码
购物车
商品数量: 0
总数: 0.00  
点击购物车
欢迎扫描二维码
咨询诺瑞朗官方客服微信
中国
苏ICP备20011289号-1  苏公网安备32058502011222 网页地图 打印 推荐 Top
Copyright © 2025 norelem. 保留所有权利。 电话 +49 71 45/206-44 至 45 · 传真 +49 71 45/206-83