norelem 使用 Cookies 以优化设计和持续改进网页。您通过继续使用网页,同意使用 Cookies。在我们的数据保护声明中可以找到有关 Cookies 主题的详细信息。同意

商品描述/产品说明

查看/筛选所有商品
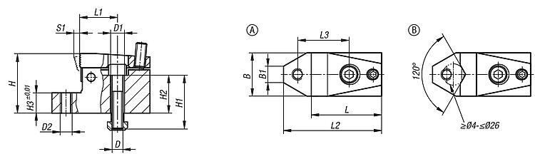
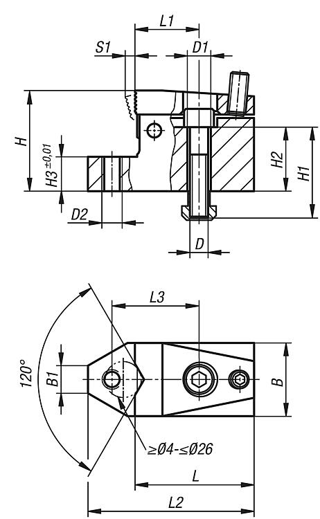
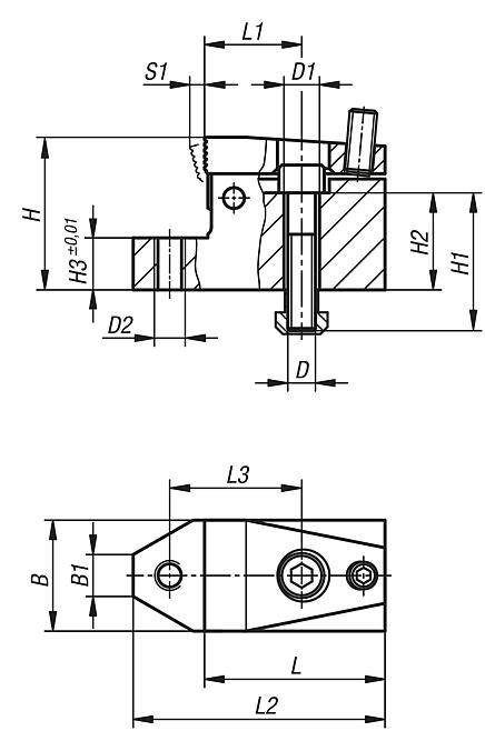
产品说明材料:钢制。规格:表面硬化及黑色氧化处理。提示:通过拧紧末端球形锁紧螺钉使卡爪向前移动。以此利用下压效果使工件同时抵住固定挡块并夹紧在支撑面上。侧方夹紧块带有经打磨处理的支撑面和可调整夹紧元件的螺纹。图纸提示:
A 型:带平头夹钳
B 型:带棱柱夹钳
下载此处为收集信息的 PDF:

查找 CAD 数据?请直接在产品列表中查找。
 Datasheet 04461 侧方夹紧块 带垫板 237 kB

图片(总概述)

侧方夹紧块 带垫板

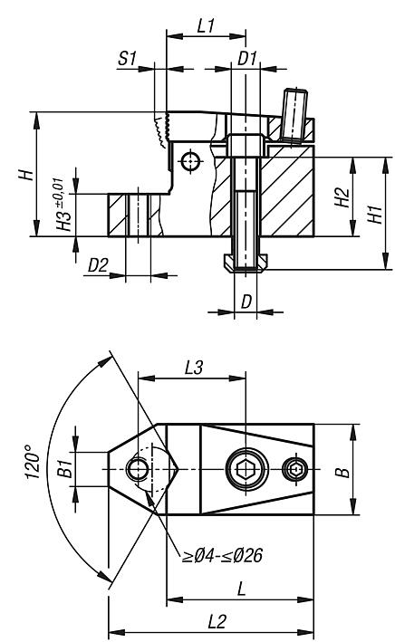
侧方夹紧块,带垫板,A 型,带平头夹钳

更多信息

图纸

侧方夹紧块,带垫板,A 型,带平头夹钳

商品选择/筛选

订货号类型槽宽BB1D

D1D2HH1H2H3LL1L2L3S1
(夹紧行程)
夹持力
N
锁紧扭矩
max. Nm
CAD配件价格订购
04461-110A103212,1M88,4M844402815522872,538370003 根据要求
04461-114A144816M1213M12534527157240100554150009 根据要求
04461-118A186818,8M1617M167260382086411266372150020 根据要求

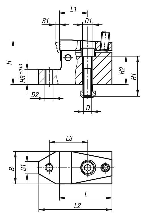
侧方夹紧块,带垫板,B 型,带棱柱夹钳

更多信息

图纸

侧方夹紧块,带垫板,B 型,带棱柱夹钳

商品选择/筛选

订货号类型槽宽BB1D

D1D2HH1H2H3LL1L2L3S1
(夹紧行程)
夹持力
N
锁紧扭矩
max. Nm
CAD配件价格订购
04461-210B103212,1M88,4M844402815522872,538370003 根据要求
04461-214B144816M1213M12534527157240100554150009 根据要求
04461-218B186818,8M1617M167260382086411266372150020 根据要求
我的 norelemE-Mail密码
购物车
商品数量: 0
总数: 0.00  
点击购物车
欢迎扫描二维码
咨询诺瑞朗官方客服微信
中国
苏ICP备20011289号-1  苏公网安备32058502011222 网页地图 打印 推荐 Top
Copyright © 2025 norelem. 保留所有权利。 电话 +49 71 45/206-44 至 45 · 传真 +49 71 45/206-83