norelem 使用 Cookies 以优化设计和持续改进网页。您通过继续使用网页,同意使用 Cookies。在我们的数据保护声明中可以找到有关 Cookies 主题的详细信息。同意
液压杠杆夹 双作用
04624-40

液压杠杆夹 双作用

返回

商品描述/产品说明

产品说明产品描述:当工件由于夹紧情况在未夹紧时向上自由移动,则杠杆式夹钳可以得到最佳的使用。由于当打开或关闭杠杆式夹钳时,夹紧杆进行线性运动(例如由于干涉轮廓),杠杆式夹钳特别适合夹紧元件不能横向运动的夹紧情况。力通过活塞传递到杠杆式夹钳的夹紧杆。通过杠杆式夹钳的双作用操作模式,明确规定了打开和关闭时间。材料:钢制外壳和活塞。规格:外壳经氧化处理。
活塞经硬化处理。
提示:杠杆式夹钳的夹紧杆在水平位置可发挥其最佳夹紧力。
工件的公差可补偿至 +/- 8.5° 的位置偏差。
杠杆式夹钳的夹紧力取决于夹紧杆的长度。

遵守安全说明。
使用说明:- 螺纹连接头。
- O 型环法兰连接。
- 钻孔通道。
技术参数:- 活塞直径 16 和 25 的最大工作压力:350 bar。
- 活塞直径 40 的最大工作压力:200 bar。
装配:参见安装轮廓。优点:- 集成的金属刮刀。
- 部分可伸缩的外壳。
- 对工件无碰撞接触。
- 无管道压力供应。
- 多种安装选择。
根据要求:具有位置控制。供货范围- 1 个用于杠杆式夹钳的夹紧杆。
- 4 个符合 DIN EN ISO 4762 标准、8.8 强度等级的圆柱头螺栓。
- 4 个塑料盖。
- 2 个 O 型环 7x1.5(用于进行 O 型环法兰连接)。
图纸提示:
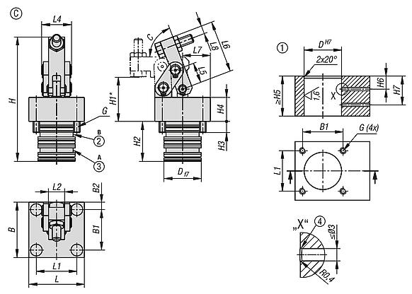
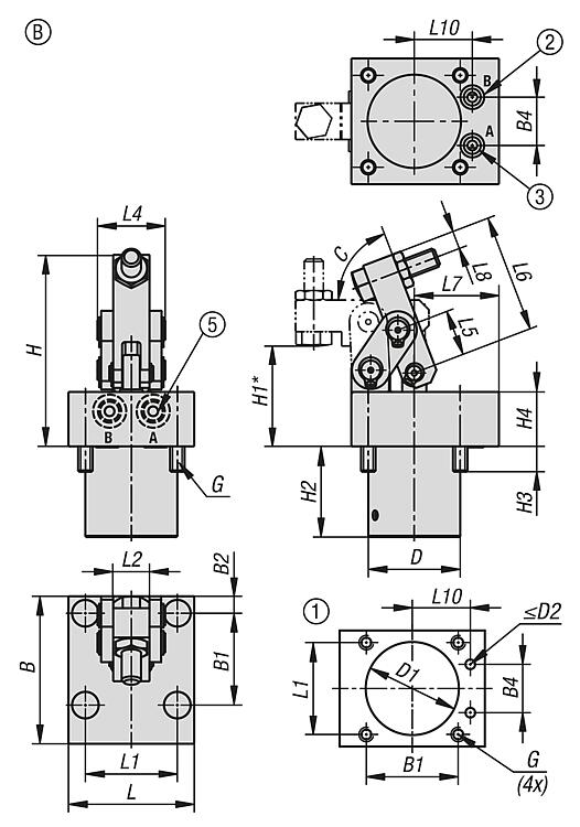
H1*= 最佳夹紧点;距离夹紧杆挡块为 -1.5mm

1) 安装轮廓
2) 松开
3) 夹紧
4) 圆形边缘
5) 只有当活塞直径为 16 时,这些孔才使用螺旋塞封闭
特点:
RoHS
下载此处为收集信息的 PDF:

查找 CAD 数据?请直接在产品列表中查找。
 Datasheet 04624-40 液压杠杆夹 双作用 636 kB

图片(总概述)

液压杠杆夹 双作用
液压杠杆夹 双作用
液压杠杆夹 双作用

双作用液压杠杆夹,A 型,螺纹连接头

更多信息

图纸

双作用液压杠杆夹,A 型,螺纹连接头
双作用液压杠杆夹,A 型,螺纹连接头

商品选择/筛选

订货号类型活塞直径连接方式B

B1B2C
(度)
D

D1GG1HH1H2H3H4CAD配件价格订购
04624-40-161104A16螺纹连接61387693838,5M6x12G1/811741,537,510,522,5 根据要求
04624-40-251104A25螺纹连接80568655050,5M8x22G1/415650541922 根据要求
04624-40-401104A40螺纹连接856213,5657070,5M10x22G1/41916567,72025 根据要求
订货号类型活塞直径LL1L2L3L4L5L6L7L8夹持力
100 bar 的情况下
(kN)
夹持力
200 bar 的情况下
(kN)
夹持力
350 bar 的情况下
(kN)
CAD配件价格订购
04624-40-161104A1652381518281949357,51,5-5,2 根据要求
04624-40-251104A2572562425442463,544103,9-13,8 根据要求
04624-40-401104A401007836326631,582,540,5109,519- 根据要求

双作用液压杠杆夹,B 型,O 型环法兰连接

更多信息

图纸

双作用液压杠杆夹,B 型,O 型环法兰连接
双作用液压杠杆夹,B 型,O 型环法兰连接

商品选择/筛选

订货号类型活塞直径连接方式B

B1B2B4C
(度)
D

D1D2GHH1H2H3H4CAD配件价格订购
04624-40-161204B16o 型环法兰连接6138720693838,54M6x1211741,537,510,522,5 根据要求
04624-40-251204B25o 型环法兰连接7256827655050,54M8x2215650541922 根据要求
04624-40-401204B40o 型环法兰连接956213,529657070,55M10x221916567,72025 根据要求
订货号类型活塞直径LL1L2L4L5L6L7L8L10夹持力
100 bar 的情况下
(kN)
夹持力
200 bar 的情况下
(kN)
夹持力
350 bar 的情况下
(kN)
CAD配件价格订购
04624-40-161204B16523815281949357,5241,5-5,2 根据要求
04624-40-251204B25725624442463,5361028,13,9-13,8 根据要求
04624-40-401204B4010078366631,582,550,510429,519- 根据要求

双作用液压杠杆夹,C 型,钻孔通道

更多信息

图纸

双作用液压杠杆夹,C 型,钻孔通道
双作用液压杠杆夹,C 型,钻孔通道

商品选择/筛选

订货号类型活塞直径连接方式B

B1B2C
(度)
D

GHH1H2H3H4H5H6H7CAD配件价格订购
04624-40-161304C16钻孔通道523876935M6x1211741,537,510,522,537,512,2527 根据要求
04624-40-251304C25钻孔通道725686550M8x22156505419225525,241,8 根据要求
04624-40-401304C40钻孔通道856213,56570M10x221916567,720256822-2544-53 根据要求
订货号类型活塞直径LL1L2L4L5L6L7L8夹持力
100 bar 的情况下
(kN)
夹持力
200 bar 的情况下
(kN)
夹持力
350 bar 的情况下
(kN)
CAD配件价格订购
04624-40-161304C16523815281949267,51,5-5,2 根据要求
04624-40-251304C25725624442463,536103,9-13,8 根据要求
04624-40-401304C4010078366631,582,540,5109,519- 根据要求
我的 norelemE-Mail密码
购物车
商品数量: 0
总数: 0.00  
点击购物车
欢迎扫描二维码
咨询诺瑞朗官方客服微信
中国
苏ICP备20011289号-1  苏公网安备32058502011222 网页地图 打印 推荐 Top
Copyright © 2025 norelem. 保留所有权利。 电话 +49 71 45/206-44 至 45 · 传真 +49 71 45/206-83