|
|
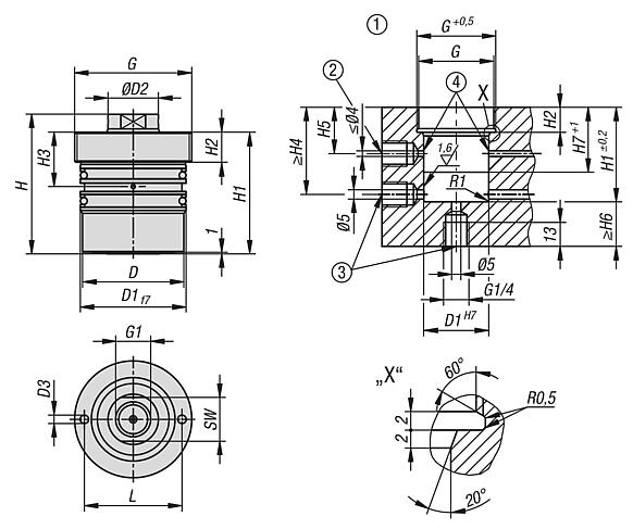
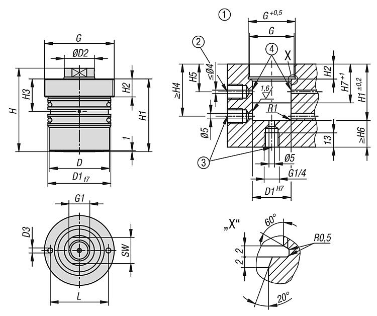
产品说明产品描述:使用具有双作用功能的旋入式气缸,可实现与循环相关的线性冲程。两个冲程方向均在双作用旋入式气缸中动力操作。双作用旋入式气缸可用作压力或拉力气缸。这些旋入式气缸常用于夹具板和塑料注塑模具的夹板。 集成的金属刮刀可防止活塞杆表面损坏,因为切屑无法穿透旋入式气缸。密封件的保护可确保产品拥有较长的使用寿命。材料:钢制外壳和活塞。 密封件 NBR。规格:外壳经氧化处理。 活塞经硬化处理。提示:由于旋入式气缸的紧凑设计,内部没有安装活塞回程的挡块。必须确保遵守旋入式气缸的规定安装深度,因为这些气缸使用安装孔的底部作为回程的挡块。
在为旋入式油缸生产钻孔通道时,必须注意确保孔中没有钻屑残留。这些钻屑可能会损坏旋入式气缸的密封件,从而导致产品泄漏。 为了避免在安装过程中损坏密封件,必须注意确保供油的插入斜面和横向孔磨圆。
压力件不包括在交货范围内。
遵守安全说明。使用说明:钻孔通道。技术参数:最大工作压力:500 bar。装配:参见安装轮廓。根据要求:较大的活塞直径和冲程。附件:- 止动销 02153。 - 自调整支撑垫 02000, 02080, 02081, 02005, 02006。 - 六角形压块 07114。图纸提示:1) 安装轮廓 2) 缩回气缸 3) 替代供油,延伸气缸 4) 圆形边缘,最大 R0.5 特点: 下载此处为收集信息的 PDF:
查找 CAD 数据?请直接在产品列表中查找。
|
| 订货号 | 活塞直径 | 行程 | 连接方式 | D
| D1 | D2 | D3 | G | G1 | H | H1 | H2 | H3 | H4 | H5 | H6 | H7 | L | SW | CAD | 配件 | 价格 | 订购 |
|---|
| 04624-60-161613061 | 16 | 16 | 钻孔通道 | 20 | 22 | 10 | 3,5 | M30x1,5 | M6x15 | 56 | 50 | 12 | 24 | 45 | 24 | 8 | 38 | 23 | 8 |  | | 根据要求 | | | 04624-60-163213061 | 16 | 32 | 钻孔通道 | 20 | 22 | 10 | 3,5 | M30x1,5 | M6x15 | 72 | 66 | 12 | 24 | 45 | 24 | 8 | 38 | 23 | 8 |  | | 根据要求 | | | 04624-60-165013061 | 16 | 50 | 钻孔通道 | 20 | 22 | 10 | 3,5 | M30x1,5 | M6x15 | 90 | 84 | 12 | 24 | 45 | 24 | 8 | 38 | 23 | 8 |  | | 根据要求 | | | 04624-60-201613061 | 20 | 16 | 钻孔通道 | 26 | 28 | 12 | 4,2 | M36x1,5 | M8x16 | 57 | 51 | 12 | 25 | 45 | 25 | 10 | 40 | 28 | 10 |  | | 根据要求 | | | 04624-60-203213061 | 20 | 32 | 钻孔通道 | 26 | 28 | 12 | 4,2 | M36x1,5 | M8x16 | 73 | 67 | 12 | 25 | 45 | 25 | 10 | 40 | 28 | 10 |  | | 根据要求 | | | 04624-60-205013061 | 20 | 50 | 钻孔通道 | 26 | 28 | 12 | 4,2 | M36x1,5 | M8x16 | 91 | 85 | 12 | 25 | 45 | 25 | 10 | 40 | 28 | 10 |  | | 根据要求 | | | 04624-60-252013061 | 25 | 20 | 钻孔通道 | 33 | 35 | 16 | 5,2 | M42x1,5 | M10x17 | 63 | 56 | 12 | 25 | 45 | 25 | 11 | 40 | 30 | 13 |  | | 根据要求 | | | 04624-60-255013061 | 25 | 50 | 钻孔通道 | 33 | 35 | 16 | 5,2 | M42x1,5 | M10x17 | 93 | 86 | 12 | 25 | 45 | 25 | 11 | 40 | 30 | 13 |  | | 根据要求 | | | 04624-60-322513061 | 32 | 25 | 钻孔通道 | 43 | 45 | 20 | 5,2 | M56x2 | M12x18 | 74 | 64 | 14,5 | 28 | 45 | 28 | 13 | 41 | 40 | 17 |  | | 根据要求 | | | 04624-60-325013061 | 32 | 50 | 钻孔通道 | 43 | 45 | 20 | 5,2 | M56x2 | M12x18 | 99 | 89 | 14,5 | 28 | 45 | 28 | 13 | 41 | 40 | 17 |  | | 根据要求 | | | 04624-60-402513061 | 40 | 25 | 钻孔通道 | 53 | 55 | 25 | 5,2 | M64x2 | M16x27 | 78 | 68 | 16,5 | 30 | 49 | 30 | 16 | 46 | 50 | 22 |  | | 根据要求 | | | 04624-60-405013061 | 40 | 50 | 钻孔通道 | 53 | 55 | 25 | 5,2 | M64x2 | M16x27 | 103 | 93 | 16,5 | 30 | 49 | 30 | 16 | 46 | 50 | 22 |  | | 根据要求 | |
| 订货号 | 活塞直径 | 压力 100 bar 的情况下 (kN) | 牵引力 100 bar 的情况下 (kN) | 压力 500 bar 的情况下 (kN) | 牵引力 500 bar 的情况下 (kN) | 需油量 / 10 mm 行程 (cm³) | 需油量 / 10 mm 回程 (cm³) | CAD | 配件 | 价格 | 订购 |
|---|
| 04624-60-161613061 | 16 | 2 | 1,22 | 10 | 6,10 | 2 | 1,22 |  | | 根据要求 | | | 04624-60-163213061 | 16 | 2 | 1,22 | 10 | 6,10 | 2 | 1,22 |  | | 根据要求 | | | 04624-60-165013061 | 16 | 2 | 1,22 | 10 | 6,10 | 2 | 1,22 |  | | 根据要求 | | | 04624-60-201613061 | 20 | 3,14 | 2,02 | 15,70 | 10 | 3,14 | 2,02 |  | | 根据要求 | | | 04624-60-203213061 | 20 | 3,14 | 2,02 | 15,70 | 10 | 3,14 | 2,02 |  | | 根据要求 | | | 04624-60-205013061 | 20 | 3,14 | 2,02 | 15,70 | 10 | 3,14 | 2,02 |  | | 根据要求 | | | 04624-60-252013061 | 25 | 4,91 | 2,9 | 24,50 | 14,50 | 4,91 | 2,90 |  | | 根据要求 | | | 04624-60-255013061 | 25 | 4,91 | 2,9 | 24,50 | 14,50 | 4,91 | 2,90 |  | | 根据要求 | | | 04624-60-322513061 | 32 | 8,04 | 4,9 | 40,20 | 24,50 | 8,04 | 4,90 |  | | 根据要求 | | | 04624-60-325013061 | 32 | 8,04 | 4,9 | 40,20 | 24,50 | 8,04 | 4,90 |  | | 根据要求 | | | 04624-60-402513061 | 40 | 12,57 | 7,66 | 62,80 | 38,30 | 12,57 | 7,66 |  | | 根据要求 | | | 04624-60-405013061 | 40 | 12,57 | 7,66 | 62,80 | 38,30 | 12,57 | 7,66 |  | | 根据要求 | |
|
|