|
|
|
04624-70液压旋入式气缸 单作用式,带有弹簧复位 |
返回 |
|
|
产品说明产品描述:带弹簧复位的单作用旋入式气缸具有设计紧凑的特点,因此经用作夹紧气缸。它们可以放置距离彼此非常近的地方。由于内部冲程限制,旋入式气缸可以在没有反向夹紧面的情况下启动。标配的双刮刀可防止动态泄漏,从而延长旋入式气缸的使用寿命。活塞通过集成弹簧复位至基本位置。材料:钢制外壳和活塞。 密封件 NBR。规格:外壳经氧化处理。 活塞经硬化处理。提示:旋入式气缸在夹紧和松弛状态下都可以达到最大负荷。 为了避免在安装过程中损坏密封件,必须注意确保供油的插入斜面和横向孔磨圆。 紧靠旋入式孔底部的密封环可以密封旋入式气缸。 由于柱塞设计,无需对连杆区域进行通风。
应防止旋入式气缸受到侵蚀性切割和冷却材料的影响。
B 型压力件不包括在交付范围内。
遵守安全说明。使用说明:钻孔通道。技术参数:最大工作压力:400 bar。装配:参见安装轮廓。优点:- 集成的金属刮刀。 - 较小的安装尺寸。 - 可在没有反向夹紧面的情况下使用。 - 缩回位置可承受的载荷。 - 无管道压力供应。附件:B 型 - 止动销 02153。 - 自调整支撑垫 02000, 02080, 02081, 02005, 02006。 - 六角形压块 07114。图纸提示:特点: 下载此处为收集信息的 PDF:
查找 CAD 数据?请直接在产品列表中查找。
|
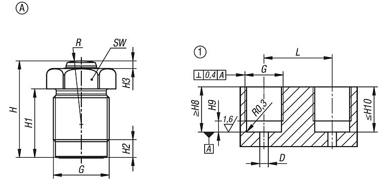
液压旋入式气缸 单作用式,带有弹簧复位,A 型 |
更多信息 |
| 订货号 | 类型 | 活塞直径 | 行程 | 连接方式 | D | G | H | H1 | H2 | H3 | H8 | H9 | H10 | CAD | 配件 | 价格 | 订购 |
|---|
| 04624-70-1210230711 | A | 12 | 10 | 钻孔通道 | 6 | M22x1,5 | 38 | 27 | 7 | 3 | 15 | 6 | 26,5 |  | | 根据要求 | | | 04624-70-1612230711 | A | 16 | 12 | 钻孔通道 | 6 | M26x1,5 | 46,5 | 34 | 8 | 3 | 19 | 7 | 33,5 |  | | 根据要求 | | | 04624-70-2015230711 | A | 20 | 15 | 钻孔通道 | 7 | M30x1,5 | 56 | 43 | 8 | 4 | 23 | 7 | 42,5 |  | | 根据要求 | | | 04624-70-2516230711 | A | 25 | 16 | 钻孔通道 | 7 | M38x1,5 | 59,5 | 45,5 | 11 | 5 | 26,5 | 10 | 45 |  | | 根据要求 | | | 04624-70-3220230711 | A | 32 | 20 | 钻孔通道 | 8 | M48x1,5 | 87 | 71,5 | 12 | 7 | 40 | 11 | 71 |  | | 根据要求 | |
| 订货号 | 类型 | 活塞直径 | L | R | SW | 夹持力 100 bar 的情况下 (kN) | 夹持力 400 bar 的情况下 (kN) | 弹簧复位力 最小值 (N) | 需油量 / 10 mm 行程 (cm³) | 锁紧扭矩 max. Nm | CAD | 配件 | 价格 | 订购 |
|---|
| 04624-70-1210230711 | A | 12 | 31 | 25 | 24 | 1,1 | 4,5 | 30 | 1,13 | 40 |  | | 根据要求 | | | 04624-70-1612230711 | A | 16 | 34 | 35 | 27 | 2 | 8 | 50 | 2,01 | 50 |  | | 根据要求 | | | 04624-70-2015230711 | A | 20 | 40 | 50 | 32 | 3,1 | 12,5 | 75 | 3,14 | 60 |  | | 根据要求 | | | 04624-70-2516230711 | A | 25 | 52 | 70 | 41 | 4,9 | 19,6 | 125 | 4,91 | 80 |  | | 根据要求 | | | 04624-70-3220230711 | A | 32 | 62 | 100 | 50 | 8 | 32 | 200 | 8,04 | 225 |  | | 根据要求 | |
|
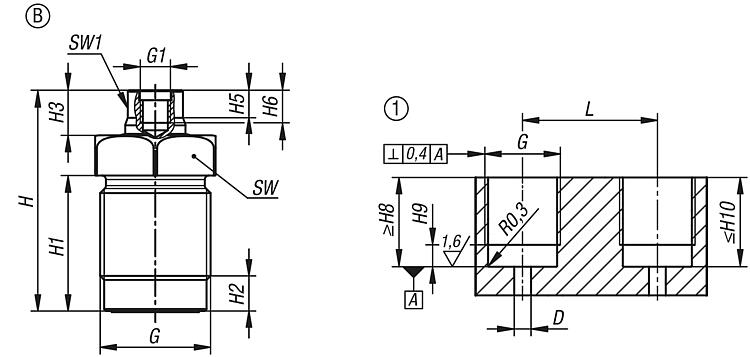
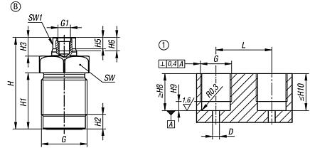
液压旋入式气缸 单作用式,带有弹簧复位,B 型 |
更多信息 |
| 订货号 | 类型 | 活塞直径 | 行程 | 连接方式 | D | G | G1 | H | H1 | H2 | H3 | H5 | H6 | H8 | H9 | H10 | CAD | 配件 | 价格 | 订购 |
|---|
| 04624-70-1210230811 | B | 12 | 10 | 钻孔通道 | 6 | M22x1,5 | M6 | 45 | 27 | 7 | 10 | 5,5 | 6,5 | 15 | 6 | 26,5 |  | | 根据要求 | | | 04624-70-1612230811 | B | 16 | 12 | 钻孔通道 | 6 | M26x1,5 | M6 | 52,5 | 34 | 8 | 9 | 5,5 | 6,5 | 19 | 7 | 33,5 |  | | 根据要求 | | | 04624-70-2015230811 | B | 20 | 15 | 钻孔通道 | 7 | M30x1,5 | M8 | 65,5 | 43 | 8 | 13,5 | 6 | 8 | 23 | 7 | 42,5 |  | | 根据要求 | | | 04624-70-2516230811 | B | 25 | 16 | 钻孔通道 | 7 | M38x1,5 | M8 | 68,5 | 45,5 | 11 | 14 | 7 | 8 | 26,5 | 10 | 45 |  | | 根据要求 | | | 04624-70-3220230811 | B | 32 | 20 | 钻孔通道 | 8 | M48x1,5 | M12 | 98 | 71,5 | 12 | 18 | 9 | 12 | 40 | 11 | 71 |  | | 根据要求 | |
| 订货号 | 类型 | 活塞直径 | L | SW1 | 夹持力 100 bar 的情况下 (kN) | 夹持力 400 bar 的情况下 (kN) | 弹簧复位力 最小值 (N) | 需油量 / 10 mm 行程 (cm³) | 锁紧扭矩 max. Nm | CAD | 配件 | 价格 | 订购 |
|---|
| 04624-70-1210230811 | B | 12 | 31 | 10 | 1,1 | 4,5 | 30 | 1,13 | 40 |  | | 根据要求 | | | 04624-70-1612230811 | B | 16 | 34 | 13 | 2 | 8 | 50 | 2,01 | 50 |  | | 根据要求 | | | 04624-70-2015230811 | B | 20 | 40 | 17 | 3,1 | 12,5 | 75 | 3,14 | 60 |  | | 根据要求 | | | 04624-70-2516230811 | B | 25 | 52 | 19 | 4,9 | 19,6 | 125 | 4,91 | 80 |  | | 根据要求 | | | 04624-70-3220230811 | B | 32 | 62 | 24 | 8 | 32 | 200 | 8,04 | 225 |  | | 根据要求 | |
|
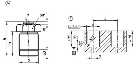
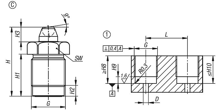
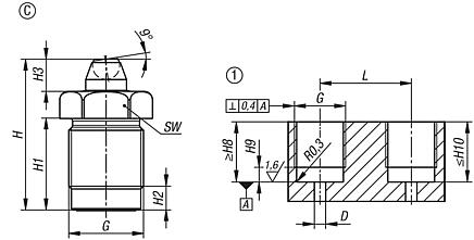
液压旋入式气缸 单作用式,带有弹簧复位,C 型 |
更多信息 |
| 订货号 | 类型 | 活塞直径 | 行程 | 连接方式 | D | G | H | H1 | H2 | H3 | H8 | H9 | H10 | CAD | 配件 | 价格 | 订购 |
|---|
| 04624-70-1210230911 | C | 12 | 10 | 钻孔通道 | 6 | M22x1,5 | 45,5 | 27 | 7 | 10,5 | 15 | 6 | 26,5 |  | | 根据要求 | | | 04624-70-1612230911 | C | 16 | 12 | 钻孔通道 | 6 | M26x1,5 | 54 | 34 | 8 | 11 | 19 | 7 | 33,5 |  | | 根据要求 | | | 04624-70-2015230911 | C | 20 | 15 | 钻孔通道 | 7 | M30x1,5 | 69,5 | 43 | 8 | 17,5 | 23 | 7 | 42,5 |  | | 根据要求 | | | 04624-70-2516230911 | C | 25 | 16 | 钻孔通道 | 7 | M38x1,5 | 72,5 | 45,5 | 11 | 18 | 26,5 | 10 | 45 |  | | 根据要求 | | | 04624-70-3220230911 | C | 32 | 20 | 钻孔通道 | 8 | M48x1,5 | 100 | 71,5 | 12 | 20 | 40 | 11 | 71 |  | | 根据要求 | |
| 订货号 | 类型 | 活塞直径 | L | SW | 夹持力 100 bar 的情况下 (kN) | 夹持力 400 bar 的情况下 (kN) | 弹簧复位力 最小值 (N) | 需油量 / 10 mm 行程 (cm³) | 锁紧扭矩 max. Nm | CAD | 配件 | 价格 | 订购 |
|---|
| 04624-70-1210230911 | C | 12 | 31 | 24 | 1,1 | 4,5 | 30 | 1,13 | 40 |  | | 根据要求 | | | 04624-70-1612230911 | C | 16 | 34 | 27 | 2 | 8 | 50 | 2,01 | 50 |  | | 根据要求 | | | 04624-70-2015230911 | C | 20 | 40 | 32 | 3,1 | 12,5 | 75 | 3,14 | 60 |  | | 根据要求 | | | 04624-70-2516230911 | C | 25 | 52 | 41 | 4,9 | 19,6 | 125 | 4,91 | 80 |  | | 根据要求 | | | 04624-70-3220230911 | C | 32 | 62 | 50 | 8 | 32 | 200 | 8,04 | 225 |  | | 根据要求 | |
|
|
|