norelem 使用 Cookies 以优化设计和持续改进网页。您通过继续使用网页,同意使用 Cookies。在我们的数据保护声明中可以找到有关 Cookies 主题的详细信息。同意

商品描述/产品说明

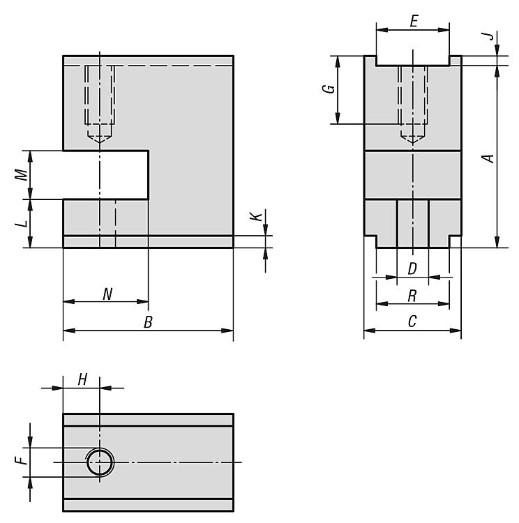
产品说明材料:调制钢。规格:黑色氧化处理。提示:P 型厚度垫块只能与压板结合使用,用于夹紧较高的工件。特点:
RoHS
下载此处为收集信息的 PDF:

查找 CAD 数据?请直接在产品列表中查找。
 Datasheet 04160 厚度垫块 P 型 179 kB

图纸

厚度垫块 P 型

商品选择/筛选

订货号

ABCD

EFGHJKLMNRCAD配件价格订购
04160-120757570401330M1224154520203530 根据要求
04160-1210010070401330M1224153520203530 根据要求
04160-160757590501740M1630204520204540 根据要求
04160-1610010090501740M1630203520204540 根据要求
我的 norelemE-Mail密码
购物车
商品数量: 0
总数: 0.00  
点击购物车
欢迎扫描二维码
咨询诺瑞朗官方客服微信
中国
苏ICP备20011289号-1  苏公网安备32058502011222 网页地图 打印 推荐 Top
Copyright © 2025 norelem. 保留所有权利。 电话 +49 71 45/206-44 至 45 · 传真 +49 71 45/206-83