norelem 使用 Cookies 以优化设计和持续改进网页。您通过继续使用网页,同意使用 Cookies。在我们的数据保护声明中可以找到有关 Cookies 主题的详细信息。同意
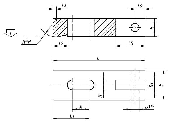
夹紧块,带一字槽和转轴孔
04170

夹紧块,带一字槽和转轴孔

返回

商品描述/产品说明

产品说明材料:调质钢 1.1191。规格:热处理及黑色氧化处理。提示:相匹配的轴销 04250,偏心把手 04290。使用球面垫圈 07420 时要使用 G 型。特点:
RoHS
下载此处为收集信息的 PDF:

查找 CAD 数据?请直接在产品列表中查找。
 Datasheet 04170 夹紧块,带一字槽和转轴孔 163 kB

图纸

夹紧块,带一字槽和转轴孔

商品选择/筛选

订货号

LL1L2L3L4L5BB1HD

D1

AF max.
kN
CAD配件价格订购
04170-086328812224259,51698168,77 根据要求
04170-10803610162,5293212,52011102013,9 根据要求
04170-121004512223364014,52514122520,2 根据要求
我的 norelemE-Mail密码
购物车
商品数量: 0
总数: 0.00  
点击购物车
欢迎扫描二维码
咨询诺瑞朗官方客服微信
中国
苏ICP备20011289号-1  苏公网安备32058502011222 网页地图 打印 推荐 Top
Copyright © 2025 norelem. 保留所有权利。 电话 +49 71 45/206-44 至 45 · 传真 +49 71 45/206-83