norelem 使用 Cookies 以优化设计和持续改进网页。您通过继续使用网页,同意使用 Cookies。在我们的数据保护声明中可以找到有关 Cookies 主题的详细信息。同意

商品描述/产品说明

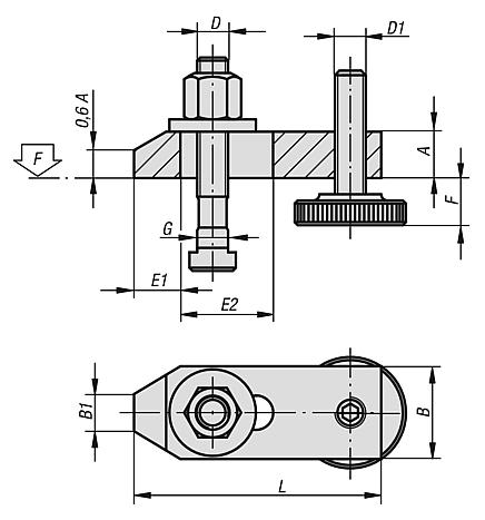
产品说明材料:调质钢。
螺栓调质为 8.8 级。
规格:夹紧块涂漆处理。螺栓黑色氧化处理。提示:参照DIN 650,“F” 取决于槽深。特点:
RoHS
下载此处为收集信息的 PDF:

查找 CAD 数据?请直接在产品列表中查找。
 Datasheet 04192 夹紧块,带螺栓 177 kB

图纸

夹紧块,带螺栓

商品选择/筛选

订货号

LABB1E1E2FG
用于
T形槽
D

D1

F
kN
CAD配件价格订购
04192-10108015301215308-3210M10x80M1013,9 根据要求
04192-1212100204014214010-4012M12x100M1220,2 根据要求
04192-1214100204014214010-3814M12x100M1220,2 根据要求
04192-1616125255018264513-4916M16x125M1637,8 根据要求
04192-1618125255018264513-4618M16x125M1637,8 根据要求
04192-2020160306022306016-6520M20x160M2058,8 根据要求
04192-2022160306022306016-6522M20x160M2058,8 根据要求
我的 norelemE-Mail密码
购物车
商品数量: 0
总数: 0.00  
点击购物车
欢迎扫描二维码
咨询诺瑞朗官方客服微信
中国
苏ICP备20011289号-1  苏公网安备32058502011222 网页地图 打印 推荐 Top
Copyright © 2025 norelem. 保留所有权利。 电话 +49 71 45/206-44 至 45 · 传真 +49 71 45/206-83