norelem 使用 Cookies 以优化设计和持续改进网页。您通过继续使用网页,同意使用 Cookies。在我们的数据保护声明中可以找到有关 Cookies 主题的详细信息。同意

商品描述/产品说明

查看/筛选所有商品
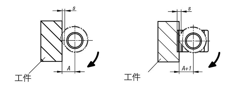
产品说明材料:调制钢。规格:黑色氧化处理。提示:尺寸 A 是指从工件到螺纹中心(夹紧螺钉)的距离。

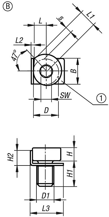
为尽量减少工件上的划痕,建议使用带有夹板的 B 型。
优点:- 紧凑型设计
- 快速简便地夹紧部件
附件:夹板 04431-15。图纸提示:
(1) 夹板
特点:
RoHS
下载此处为收集信息的 PDF:

查找 CAD 数据?请直接在产品列表中查找。
 Datasheet 04431-10 钢制偏心式夹具 300 kB

图片(总概述)

钢制偏心式夹具

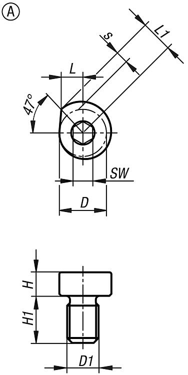
A 型钢制偏心式夹具

更多信息

图纸

A 型钢制偏心式夹具

商品选择/筛选

订货号类型形状类型AD

D1HH1LL1行程
S
SW夹紧力
kN
锁紧扭矩
max. Nm
CAD配件价格订购
04431-10-060A无夹板5,910M65956,81,842,27,4 根据要求
04431-10-080A无夹板7,112M861268,22,254,718 根据要求
04431-10-100A无夹板8,314M1071579,52,567,935 根据要求
04431-10-120A无夹板9,516M12818810,92,981460 根据要求

B 型钢制偏心式夹具

更多信息

图纸

B 型钢制偏心式夹具

商品选择/筛选

订货号类型形状类型ABD

D1HH1H2LL1L2L3行程
S
SW夹紧力
kN
锁紧扭矩
max. Nm
CAD配件价格订购
04431-10-061B带夹板5,91010M659656,81131,842,27,4 根据要求
04431-10-081B带夹板7,11212M8612768,2115,52,254,718 根据要求
04431-10-101B带夹板8,31414M10715879,51182,567,935 根据要求
04431-10-121B带夹板9,51616M128189810,91202,981460 根据要求
我的 norelemE-Mail密码
购物车
商品数量: 0
总数: 0.00  
点击购物车
欢迎扫描二维码
咨询诺瑞朗官方客服微信
中国
苏ICP备20011289号-1  苏公网安备32058502011222 网页地图 打印 推荐 Top
Copyright © 2025 norelem. 保留所有权利。 电话 +49 71 45/206-44 至 45 · 传真 +49 71 45/206-83