norelem 使用 Cookies 以优化设计和持续改进网页。您通过继续使用网页,同意使用 Cookies。在我们的数据保护声明中可以找到有关 Cookies 主题的详细信息。同意

商品描述/产品说明

产品说明材料:黄铜应用:偏心夹具用于固定底板和工件中的部件。
通过偏心这种方式来实现部件的松夹连接。
通过夹紧元件可在安装工件时精准定位。
优点:在许多情况下可因此省去专为夹紧螺栓特制的一个横向孔。
偏心夹具的安装孔成本低廉,可达到同样的机械夹紧力,如为需要连接的部件加工安装孔或槽。
工作原理:将需要夹紧的部件和偏心夹具放入到基座内。偏心夹具的点状标记指向待夹紧的部件。
使用内六角扳手将偏心夹具固定在箭头标记的方向。
可通过转回偏心夹具重新松开部件。
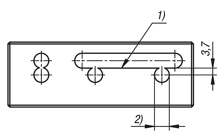
图纸提示:
1) 夹紧边
2) 8 H9 深度至少 8
特点:
RoHS
下载此处为收集信息的 PDF:

查找 CAD 数据?请直接在产品列表中查找。
 Datasheet 04430-10 黄铜偏心夹具 278 kB

图纸

黄铜偏心夹具

商品选择/筛选

订货号D

D1HSWCAD配件价格订购
04430-10-080887,583 根据要求
我的 norelemE-Mail密码
购物车
商品数量: 0
总数: 0.00  
点击购物车
欢迎扫描二维码
咨询诺瑞朗官方客服微信
中国
苏ICP备20011289号-1  苏公网安备32058502011222 网页地图 打印 推荐 Top
Copyright © 2025 norelem. 保留所有权利。 电话 +49 71 45/206-44 至 45 · 传真 +49 71 45/206-83