norelem 使用 Cookies 以优化设计和持续改进网页。您通过继续使用网页,同意使用 Cookies。在我们的数据保护声明中可以找到有关 Cookies 主题的详细信息。同意

商品描述/产品说明

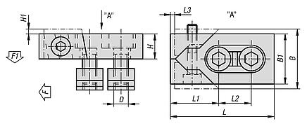
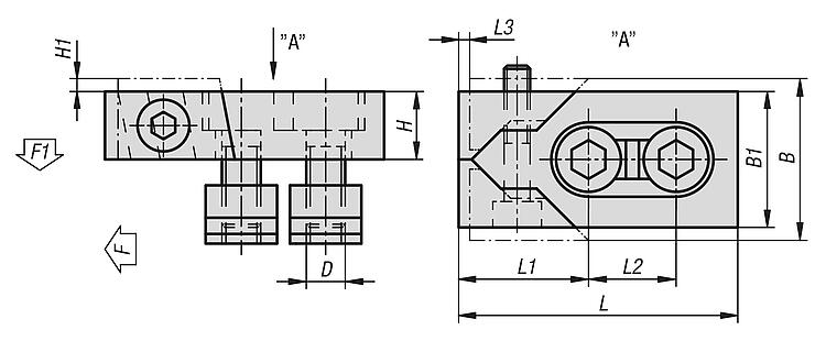
产品说明材料:钢制。规格:淬火和黑色氧化处理。提示:这种手动矮夹钳因为其扁平的结构设计而特别适合大多数常见工件的夹紧。经硬化处理的钳口夹紧作用的同时会产生下压力。

夹紧力 F 和 F1 是通过优化设计和利用紧固螺钉的最大拧紧扭矩实现的。

成对供货。
供货范围- 2x 低夹紧块。
- 4x 固定螺栓 DIN EN ISO 4762-10.9。
- 4x T 型槽螺母 DIN 508。
- 2x 六角头螺丝刀 ISO 2936。
特点:
RoHS
下载此处为收集信息的 PDF:

查找 CAD 数据?请直接在产品列表中查找。
 Datasheet 04450 低夹紧块 238 kB

图纸

低夹紧块

商品选择/筛选

订货号槽宽LL1L2L3B

B1HH1D

F
kN
F1
kN
锁紧扭矩
Nm
包装形式CAD配件价格订购
04450-1221280392634740202,5M10160,6151 件 = 1 对 根据要求
04450-1421480392634740202,5M12220,9181 件 = 1 对 根据要求
04450-1621680392634740202,5M12220,9181 件 = 1 对 根据要求
04450-161216100463446050253M14321,2251 件 = 1 对 根据要求
04450-18218100463446050253M16361,4361 件 = 1 对 根据要求
04450-20220100463446050253M16361,4361 件 = 1 对 根据要求
04450-22222140655059578304M20361,4451 件 = 1 对 根据要求
04450-24224140655059578304M20361,4451 件 = 1 对 根据要求
04450-28228140655059578304M24401,6551 件 = 1 对 根据要求
我的 norelemE-Mail密码
购物车
商品数量: 0
总数: 0.00  
点击购物车
欢迎扫描二维码
咨询诺瑞朗官方客服微信
中国
苏ICP备20011289号-1  苏公网安备32058502011222 网页地图 打印 推荐 Top
Copyright © 2025 norelem. 保留所有权利。 电话 +49 71 45/206-44 至 45 · 传真 +49 71 45/206-83