norelem 使用 Cookies 以优化设计和持续改进网页。您通过继续使用网页,同意使用 Cookies。在我们的数据保护声明中可以找到有关 Cookies 主题的详细信息。同意
钢制侧方夹紧块,带锁紧手柄和内嵌块
04520

钢制侧方夹紧块,带锁紧手柄和内嵌块

返回

商品描述/产品说明

查看/筛选所有商品
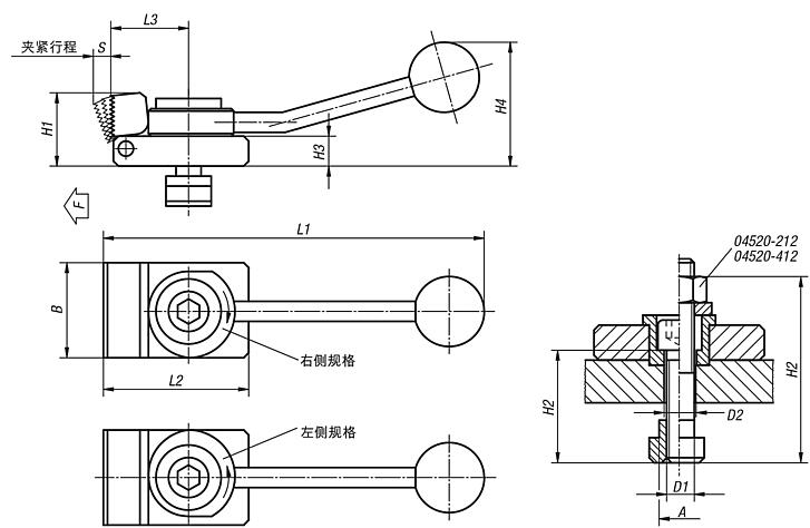
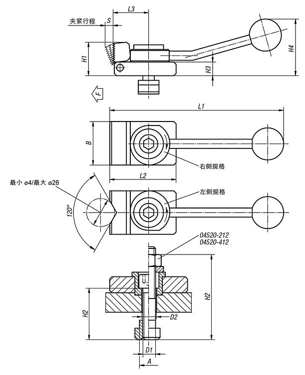
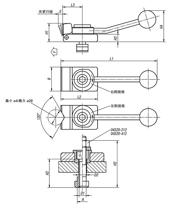
产品说明材料:钢制。规格:表面硬化及黑色氧化处理。提示:下向夹具是一种快速夹紧元件,使用该装置可以通过螺旋偏心轮由旋转式卡爪将工件同时压至固定挡块位置处和垫板上。因为具有扁平的结构设计,其可以用于对工件进行整面加工,不必重新装夹。夹钳在松开的时候会因为弹簧弹力的缩回。
使用支撑板 02395,下向夹具还可以横向于 T 型槽移向所需位置。
特点:
RoHS
下载此处为收集信息的 PDF:

查找 CAD 数据?请直接在产品列表中查找。
 Datasheet 04520 钢制侧方夹紧块,带锁紧手柄和内嵌块 225 kB

图片(总概述)

钢制侧方夹紧块,带锁紧手柄和内嵌块

侧方夹紧块,平夹钳

更多信息

图纸

侧方夹紧块,平夹钳

商品选择/筛选

订货号类型 1类型 2槽宽
A
D1D2L1L2L3BH1H2H3H4SF max.
kN
CAD配件价格订购
04520-110X1平头夹钳10M88,4132503232203084033,5 根据要求
04520-310X1平头夹钳10M88,4132503232203084033,5 根据要求
04520-112X1平头夹钳12M88,4132503232203084033,5 根据要求
04520-312X1平头夹钳12M88,4132503232203084033,5 根据要求
04520-212X1平头夹钳12M1212,51907240483860166247 根据要求
04520-412X1平头夹钳12M1212,51907240483860166247 根据要求
04520-314X1平头夹钳14M88,4132503232203084033,5 根据要求
04520-114X1平头夹钳14M88,4132503232203084033,5 根据要求
04520-214X1平头夹钳14M1212,51907240483840166247 根据要求
04520-414X1平头夹钳14M1212,51907240483840166247 根据要求
04520-418X1平头夹钳18M1212,51907240483840166247 根据要求
04520-218X1平头夹钳18M1212,51907240483840166247 根据要求

侧方夹紧块,棱柱型夹钳

更多信息

图纸

侧方夹紧块,棱柱型夹钳

商品选择/筛选

订货号类型 1类型 2槽宽
A
D1D2L1L2L3BH1H2H3H4SF max.
kN
CAD配件价格订购
04520-110X2v宆夹钳10M88,4132503232203084033,5 根据要求
04520-310X2v宆夹钳10M88,4132503232203084033,5 根据要求
04520-112X2v宆夹钳12M88,4132503232203084033,5 根据要求
04520-312X2v宆夹钳12M88,4132503232203084033,5 根据要求
04520-212X2v宆夹钳12M1212,51907240483860166247 根据要求
04520-412X2v宆夹钳12M1212,51907240483860166247 根据要求
04520-314X2v宆夹钳14M88,4132503232203084033,5 根据要求
04520-114X2v宆夹钳14M88,4132503232203084033,5 根据要求
04520-214X2v宆夹钳14M1212,51907240483840166247 根据要求
04520-414X2v宆夹钳14M1212,51907240483840166247 根据要求
04520-418X2v宆夹钳18M1212,51907240483840166247 根据要求
04520-218X2v宆夹钳18M1212,51907240483840166247 根据要求
我的 norelemE-Mail密码
购物车
商品数量: 0
总数: 0.00  
点击购物车
欢迎扫描二维码
咨询诺瑞朗官方客服微信
中国
苏ICP备20011289号-1  苏公网安备32058502011222 网页地图 打印 推荐 Top
Copyright © 2025 norelem. 保留所有权利。 电话 +49 71 45/206-44 至 45 · 传真 +49 71 45/206-83