norelem 使用 Cookies 以优化设计和持续改进网页。您通过继续使用网页,同意使用 Cookies。在我们的数据保护声明中可以找到有关 Cookies 主题的详细信息。同意
有加工余量的钢制楔形夹具,楔形面经打磨或齿面处理
04526

有加工余量的钢制楔形夹具,楔形面经打磨或齿面处理

返回

商品描述/产品说明

产品说明材料:主体材质为工具钢。
夹紧元件材质为工具钢 (30 HRC)。
规格:主体经硬化处理。
夹紧元件经硬化处理。
楔形面经打磨处理。
提示:这种楔形夹具的特点在于具有加工余量,规格 04526-08 为每个夹钳 3 mm,规格 04526-12 和 04526-16 则为 5 mm。
通过长度余量可以按照工件几何形状对形状进行调整(参见插图)。

规格 04526-08 和 04526-0810 的夹钳没有任何齿面。

针对相应订购编号的移动距离:
04526-08 = ±0.5 mm
04526-12 = ±1.0 mm
04526-16 = ±1.5 mm
根据要求:夹紧元件具有经加工处理的形状或其他硬度。图纸提示:
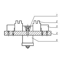
D) 圆柱头螺栓 DIN 912

1) 楔形夹具
2) 工件
3) 固定夹具
4) 基板
5) 液压缸/气缸
下载此处为收集信息的 PDF:

查找 CAD 数据?请直接在产品列表中查找。
 Datasheet 04526 有加工余量的钢制楔形夹具,楔形面经打磨或齿面处理 283 kB

图纸

有加工余量的钢制楔形夹具,楔形面经打磨或齿面处理
有加工余量的钢制楔形夹具,楔形面经打磨或齿面处理

商品选择/筛选

订货号A
min.
A
max.
B

B1CD

E类型 2G夹紧力
max. kN
锁紧扭矩
max. Nm
CAD配件价格订购
04526-083337292115M8X252,5用于螺纹孔M81525 根据要求
04526-08103337292115M8X252,5用于 t 型槽101525 根据要求
04526-125259413022M12X404用于螺纹孔M123085 根据要求
04526-12145259413022M12X304用于 t 型槽143085 根据要求
04526-166776564229M16X605用于螺纹孔M1650210 根据要求
04526-16186776564229M16X505用于 t 型槽1850210 根据要求
我的 norelemE-Mail密码
购物车
商品数量: 0
总数: 0.00  
点击购物车
欢迎扫描二维码
咨询诺瑞朗官方客服微信
中国
苏ICP备20011289号-1  苏公网安备32058502011222 网页地图 打印 推荐 Top
Copyright © 2025 norelem. 保留所有权利。 电话 +49 71 45/206-44 至 45 · 传真 +49 71 45/206-83