norelem 使用 Cookies 以优化设计和持续改进网页。您通过继续使用网页,同意使用 Cookies。在我们的数据保护声明中可以找到有关 Cookies 主题的详细信息。同意

商品描述/产品说明

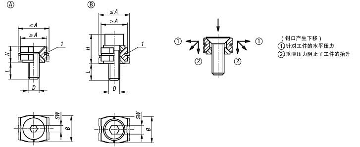
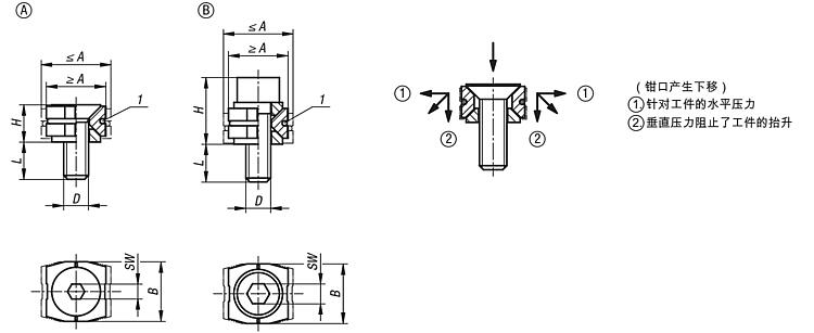
产品说明材料:调制钢。规格:夹钳经硬化 (33-39 HRC) 和黑色氧化处理。提示:鉴于其工作原理,楔形夹具适合用于多重夹紧。
通过楔面实现较大的夹持力。
可以选择订购带圆柱头螺栓或沉头螺栓的楔形夹具。
带下拉效应的楔形夹具。
图纸提示:
尺寸 L 指 ≤A 的尺寸。
尺寸 H 指 ≥A 的尺寸。

1) O 型圈
特点:
RoHS
下载此处为收集信息的 PDF:

查找 CAD 数据?请直接在产品列表中查找。
 Datasheet 04567 钢制楔形夹具,带楔形面 264 kB

图片(总概述)

钢制楔形夹具,带楔形面

钢制楔形夹具,带楔形面,带沉头螺栓,A 型

更多信息

图纸

钢制楔形夹具,带楔形面,带沉头螺栓,A 型

商品选择/筛选

订货号类型A
min.
A
max.
BD

HLSW夹紧力
max. kN
锁紧扭矩
max. Nm
CAD配件价格订购
04567-11205A121412M5X157,59,5324,3 根据要求
04567-11506A151714,8M6X168,79,343,57,3 根据要求
04567-11808A18,521,518,4M8X2011,811,35518 根据要求

钢制楔形夹具,带楔形面,带圆柱头螺丝,B 型

更多信息

图纸

钢制楔形夹具,带楔形面,带圆柱头螺丝,B 型

商品选择/筛选

订货号类型A
min.
A
max.
BD

HLSW夹紧力
max. kN
锁紧扭矩
max. Nm
CAD配件价格订购
04567-21205B121412M5X1613,49,6435,4 根据要求
04567-21506B151714,8M6X1815,810,254,59,1 根据要求
04567-21808B18,521,518,4M8X2521,214,96922 根据要求
我的 norelemE-Mail密码
购物车
商品数量: 0
总数: 0.00  
点击购物车
欢迎扫描二维码
咨询诺瑞朗官方客服微信
中国
苏ICP备20011289号-1  苏公网安备32058502011222 网页地图 打印 推荐 Top
Copyright © 2025 norelem. 保留所有权利。 电话 +49 71 45/206-44 至 45 · 传真 +49 71 45/206-83