norelem 使用 Cookies 以优化设计和持续改进网页。您通过继续使用网页,同意使用 Cookies。在我们的数据保护声明中可以找到有关 Cookies 主题的详细信息。同意

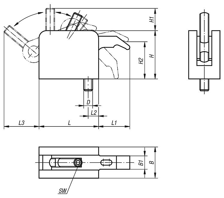
商品描述/产品说明

产品说明材料:外壳为铝制,锁紧手柄为不锈钢材质。夹紧螺栓的强度等级为 10.9。规格:外壳为亮色,锁紧手柄经打磨和黑色氧化处理。提示:紧凑型夹具的压把是可以完全回缩的。
紧凑型夹具的技术优点:
- 不妨碍工件更换
- 范围无级可调
- 高自锁性的夹持力
- 可变的高度结构设计(加高块请参见 04626)
- 较高的夹持力,不需用较大的操作力
- 夹具还适合用作挡块
根据要求:长压把 (L1)。特点:
RoHS
下载此处为收集信息的 PDF:

查找 CAD 数据?请直接在产品列表中查找。
 Datasheet 04625 紧凑型夹具 159 kB

图纸

紧凑型夹具

商品选择/筛选

订货号

尺寸LL1L2L3BB1HH1H2D

SW夹紧力
kN
CAD配件价格订购
04625-1061532711293211431730M645 根据要求
04625-1081532711293211431730M845 根据要求
04625-2102804017454218653050M10610 根据要求
04625-2122804017454218653050M12610 根据要求
04625-31231075322575325873267M12815 根据要求
我的 norelemE-Mail密码
购物车
商品数量: 0
总数: 0.00  
点击购物车
欢迎扫描二维码
咨询诺瑞朗官方客服微信
中国
苏ICP备20011289号-1  苏公网安备32058502011222 网页地图 打印 推荐 Top
Copyright © 2025 norelem. 保留所有权利。 电话 +49 71 45/206-44 至 45 · 传真 +49 71 45/206-83