norelem 使用 Cookies 以优化设计和持续改进网页。您通过继续使用网页,同意使用 Cookies。在我们的
数据保护声明
中可以找到有关 Cookies 主题的详细信息。
同意
全球分布
创意
AGB
版权说明
数据保护
产品
企业信息
服务
下载
新闻
联系方式
产品概览
固定
灵活的标准件系统
装配
装配系统
运动
用于机床和设备制造的系统/组件
检查
量具检具组件
夹紧
夹紧技术
控制和调节
电动机构
输送
输送和移动技术
technoshop
norelem inch
英制产品目录
04756
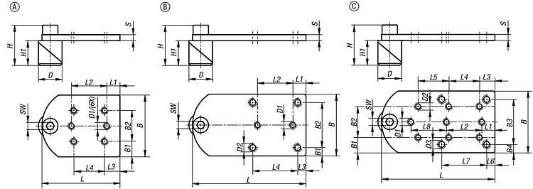
钢制或不锈钢夹紧销 带转接板
返回
产品
产品概览
灵活的标准件系统
夹紧块、 夹紧元件
用于格栅系统的夹紧元件
钢制或不锈钢夹紧销 带转接板
商品描述/产品说明
查看/筛选所有商品
产品说明
材料:
钢制转接板
钢制 1.0715 或不锈钢 1.4305 夹紧楔。
规格:
转接板经镀锌处理。
夹紧楔经黑色氧化处理或亮色。
提示:
转接板实现了 快速夹钳与孔样 3 或 4 的兼容,适用于孔径为 16 mm、20 mm 或 28 mm 的孔型栅格板或托板。
转动圆柱头螺丝,会将孔中的夹紧销零件夹紧。
特点:
下载
此处为收集信息的 PDF:
查找 CAD 数据?请直接在产品列表中查找。
Datasheet 04756 钢制或不锈钢夹紧销 带转接板
364 kB
图片(总概述)
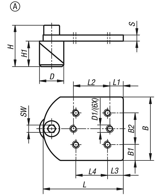
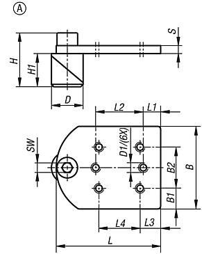
钢制或不锈钢夹紧销,带转接板,A 型
更多信息
图纸
商品选择/筛选
订货号
类型
主体
材料
B
B1
B2
D
D1
H
H1
L
L1
L2
L3
L4
S
SW
CAD
配件
价格
订购
04756-0016
A
钢制
52
13
26
16
M5
30,5
17,5
66
11
30
13
26
5
6
根据要求
04756-1020
A
不锈钢
52
13
26
20
M5
34
21
66
11
30
13
26
5
6
根据要求
04756-0028
A
钢制
52
13
26
28
M5
41
28
66
11
30
13
26
5
6
根据要求
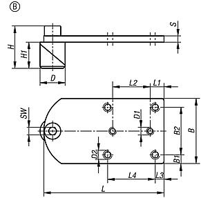
钢制或不锈钢夹紧销,带转接板,B 型
更多信息
图纸
商品选择/筛选
订货号
类型
主体
材料
B
B1
B2
D
D1
D2
H
H1
L
L1
L2
L3
L4
S
SW
CAD
配件
价格
订购
04756-0116
B
钢制
52
7
38
16
M5
M6
30,5
17,5
96
11
30
7
38
5
6
根据要求
04756-1120
B
不锈钢
52
7
38
20
M5
M6
34
21
96
11
30
7
38
5
6
根据要求
04756-0128
B
钢制
52
7
38
28
M5
M6
41
28
96
11
30
7
38
5
6
根据要求
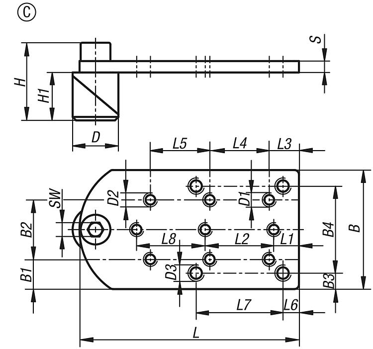
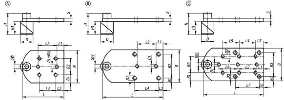
钢制或不锈钢夹紧销,带转接板,C 型
更多信息
图纸
商品选择/筛选
订货号
类型
主体
材料
B
B1
B2
B3
B4
D
D1
D2
D3
H
H1
L
L1
L2
L3
L4
L5
L6
L7
L8
S
SW
CAD
配件
价格
订购
04756-0216
C
钢制
52
13
26
7
38
16
M5
M5
M6
30,5
17,5
96
11
30
13
26
26
7
38
30
5
6
根据要求
04756-1220
C
不锈钢
52
13
26
7
38
20
M5
M5
M6
34
21
96
11
30
13
26
26
7
38
30
5
6
根据要求
04756-0228
C
钢制
52
13
26
7
38
28
M5
M5
M6
41
28
96
11
30
13
26
26
7
38
30
5
6
根据要求
本类目的其他商品
04753
钢制夹紧销
04754
钢制或不锈钢夹紧销
带垫圈
04755
钢制或不锈钢夹紧销
带夹紧角件
04757
钢制旋转支座,
带埋头螺栓
04758
钢制板
开放
04759
钢制角件
开放
10505
偏心夹具
05312
适配板,圆形
我的 norelem
E-Mail
密码
忘记密码
首次登陆
购物车
商品数量:
0
总数:
0.00
€
点击购物车
欢迎扫描二维码
咨询诺瑞朗官方客服微信
Algérie
Andorra
Argentina
Australia
België
Bolivia
Bosna i Hercegovina
Brasil
Canada
Česká republika
Chile
中国
Colombia
Costa Rica
Cuba
Danmark
Dem. Peop. Rep. of Korea
Deutschland
Ecuador
Eesti
España
Georgia
香港
Hrvatska
India
Ireland
Ísland
Italia
Jamaica
日本
Latvija
Liechtenstein
Lietuvos
Luxemburg
Magyarország
Malaysia
Malta
México
Nederland
New Zealand
Norge
Österreich
Pakistan
Paraguay
Perú
Polska
Portugal
Principauté de Monaco
台灣
Rep. di San Marino
대한민국
România
Schweiz
Singapore
Slovenija
Slovensko
South Africa
Suomi
Sverige
Türkiye
United Kingdom
United States of America
Uruguay
Venezuela
Việt Nam
Ελλάδα
Κύπρος
Беларусь
България
Република Србија
Россия
Србија и Црна Гора
Україна
ישראל
الامارات العربية المتحدة
السعودية
ايران
مصر
ประเทศไทย
Chinese
English
苏ICP备20011289号-1
苏公网安备32058502011222
网页地图
打印
推荐
Top
Copyright © 2025 norelem. 保留所有权利。
电话 +49 71 45/206-44 至 45 · 传真 +49 71 45/206-83