norelem 使用 Cookies 以优化设计和持续改进网页。您通过继续使用网页,同意使用 Cookies。在我们的数据保护声明中可以找到有关 Cookies 主题的详细信息。同意
重型转角夹具,加长夹紧行程 可自动化操作
04364-05

重型转角夹具,加长夹紧行程 可自动化操作

返回

商品描述/产品说明

产品说明产品描述:重型转角夹具具有较长的夹紧行程,特别适用于自动化夹紧操作。

夹紧过程开始时,夹紧臂通过集成的控制曲线向下进行 90° 旋转行程运动。在这项运动后,夹紧行程呈线性向下。
材料:调制钢。规格:黑色氧化处理。使用说明:可调扭矩的冲击扳手。
在自动化操作时,例如使用扭矩可调的冲击扳手,打开和拧紧时最多可使用规定最大拧紧扭矩或规定最大夹紧力的 50 %。
优点:- 可自动化操作
- 较高的夹持力
- 快速夹紧
供货范围转角夹具,包含定位衬套。特点:
RoHS
下载此处为收集信息的 PDF:

查找 CAD 数据?请直接在产品列表中查找。
 Datasheet 04364-05 重型转角夹具,加长夹紧行程 可自动化操作 246 kB

图片(总概述)

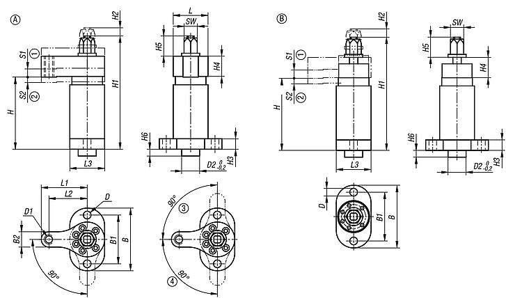
重型转角夹具,加长夹紧行程 可自动化操作

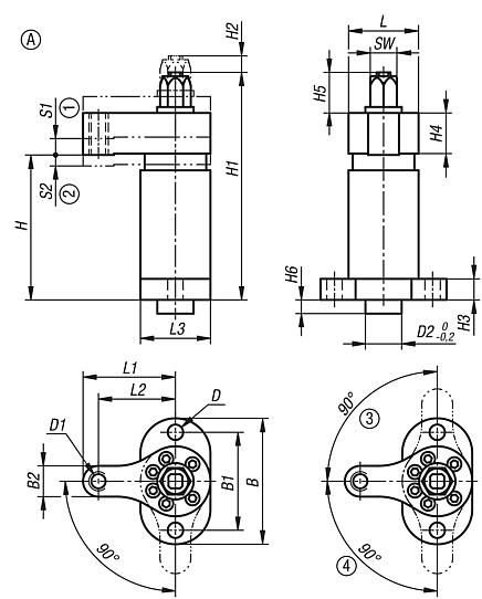
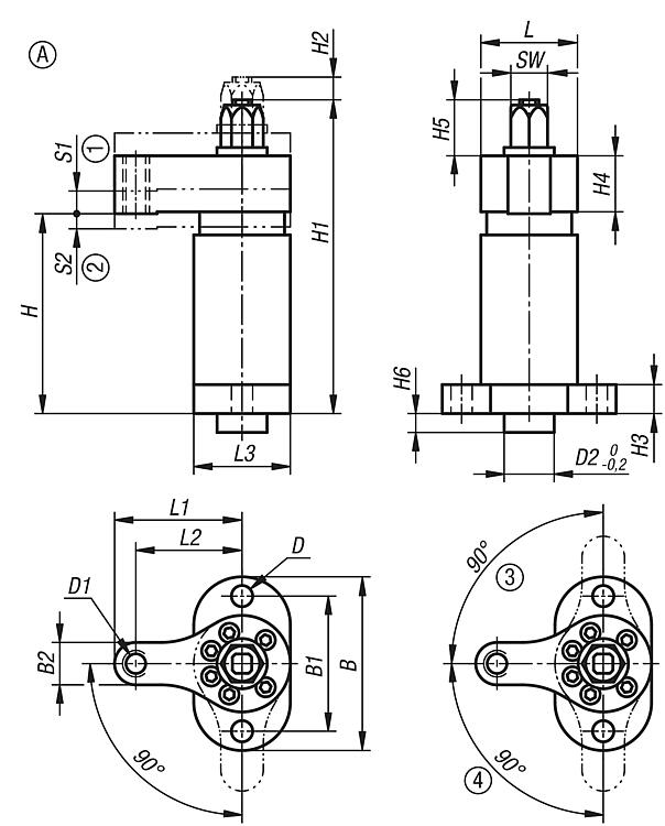
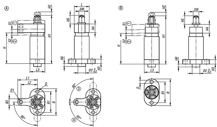
重型转角夹具,加长夹紧行程,可自动化操作,A 型,带夹紧臂

更多信息

图纸

重型转角夹具,加长夹紧行程,可自动化操作,A 型,带夹紧臂

商品选择/筛选

订货号类型 1类型形状类型BB1B2D

D1D2HH1H2H3H4H5H6LL1L2L3S1S2SW锁紧扭矩
max. Nm
夹紧力
kN
CAD配件价格订购
04364-05-1061右摆A带夹紧臂90702211M1226105164311530291050665550311019286 根据要求
04364-05-0061左摆A带夹紧臂90702211M1226105164311530291050665550311019286 根据要求

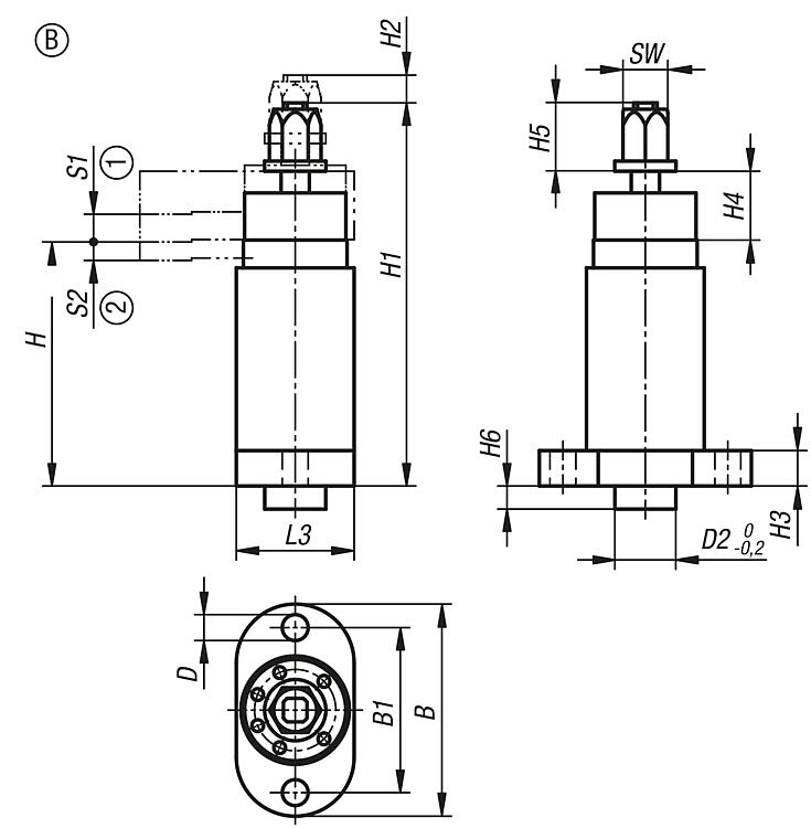
重型转角夹具,加长夹紧行程,可自动化操作,B 型,无夹紧臂

更多信息

图纸

重型转角夹具,加长夹紧行程,可自动化操作,B 型,无夹紧臂

商品选择/筛选

订货号类型 1类型形状类型BB1D

D2HH1H2H3H4H5H6L3S1S2SWCAD配件价格订购
04364-05-1060右摆B无夹紧臂90701126105164311530291050311019 根据要求
04364-05-0060左摆B无夹紧臂90701126105164311530291050311019 根据要求
我的 norelemE-Mail密码
购物车
商品数量: 0
总数: 0.00  
点击购物车
欢迎扫描二维码
咨询诺瑞朗官方客服微信
中国
苏ICP备20011289号-1  苏公网安备32058502011222 网页地图 打印 推荐 Top
Copyright © 2025 norelem. 保留所有权利。 电话 +49 71 45/206-44 至 45 · 传真 +49 71 45/206-83