norelem 使用 Cookies 以优化设计和持续改进网页。您通过继续使用网页,同意使用 Cookies。在我们的数据保护声明中可以找到有关 Cookies 主题的详细信息。同意
液压紧凑型转角夹具 双 / 单作用式,带有弹簧复位
04368

液压紧凑型转角夹具 双 / 单作用式,带有弹簧复位

返回

商品描述/产品说明

查看/筛选所有商品
产品说明产品描述:紧凑型转角夹具为夹紧装置而设计,在拆卸或插入时,夹紧点必须保持灵活。并且也适用于狭窄的安装条件。紧凑型转角夹具可用作单作用或双作用式拉力气缸。紧凑型转角夹具有三种外壳类型以及不同的操作模式可供选择。夹紧运动是由叠加的旋转和提升运动启动。实际夹紧行程以线性运动的方式进行。有大量左旋或右旋角度为 90° 的型号可供选择。 材料:钢制外壳和活塞。
密封件 NBR。
规格:外壳经氧化处理。
活塞经硬化处理。
提示:如果超过转角夹具允许的体积流量,则必须插入单向流量控制阀。
转角夹具的允许工作压力取决于夹紧臂的长度。
安装夹紧臂时,必须将其固定到位,以免损坏转角夹具的滚珠导轨。
根据通风连接的情况,烧结过滤器必须用单作用式转角夹具上的螺塞来代替。

紧凑型转角夹具的夹紧臂不包括在交付范围内。

遵守安全说明。
使用说明:- 螺纹连接头。
- O 型环法兰连接。
- 钻孔通道。
技术参数:最大工作压力:350 bar。装配:参见安装轮廓。优点:- 紧凑型设计。
- 多种型号。
- 对工件无碰撞接触。
根据要求:更多旋转角度和夹紧臂、各种夹紧臂存放架。附件:用于紧凑型转角夹具 04368-10 的夹紧臂。供货范围- 1 个开槽螺母 M27x1.5(仅适用于紧凑型转角夹具 04368-14081104190100、04368-14081104190200、04368-14062104190100、04368-14062104190200)。
- 1 个用于夹紧臂存放架的螺钉或螺母。
图纸提示:
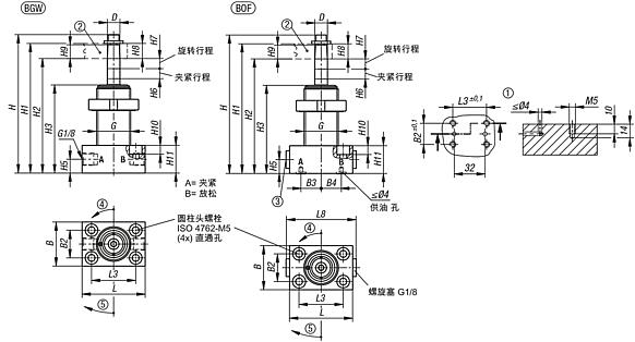
AGW 型:法兰位于顶部, 螺纹连接
AOF 型:法兰位于顶部, O 型环法兰连接
BGW 型:法兰位于底部, 螺纹连接
BOF 型:法兰位于底部, O 型环法兰连接
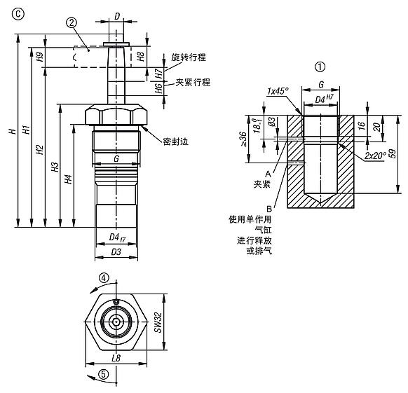
C 型:旋入式螺纹

1) 安装轮廓
2) 参见附件
3) 在单作用式气缸中,连接处配有内置烧结过滤器
4) 向左摆动
5) 向右摆动
6) 供货包含
特点:
RoHS
下载此处为收集信息的 PDF:

查找 CAD 数据?请直接在产品列表中查找。
 Datasheet 04368 液压紧凑型转角夹具 双 / 单作用式,带有弹簧复位 826 kB

图片(总概述)

液压紧凑型转角夹具 双 / 单作用式,带有弹簧复位
液压紧凑型转角夹具 双 / 单作用式,带有弹簧复位
液压紧凑型转角夹具 双 / 单作用式,带有弹簧复位

液压紧凑型转角夹具,双 / 单作用式,带有弹簧复位,A 型,法兰位于顶部

更多信息

图纸

液压紧凑型转角夹具,双 / 单作用式,带有弹簧复位,A 型,法兰位于顶部

商品选择/筛选

订货号类型形状类型连接方式旋转方向活塞直径行程B

B1B2B3
B4D

D1D2GHH1H2H3H4H5CAD配件价格订购
04368-14081104190100A双作用螺纹连接1484022---10--M27x1,511010391735111 根据要求
04368-14081204190100A双作用o 型环法兰连接14840-2878,510105,5M27x1,51101039173516,5 根据要求
04368-14081104190200A双作用螺纹连接1484022---10--M27x1,511010391735111 根据要求
04368-14081204190200A双作用o 型环法兰连接14840-2878,510105,5M27x1,51101039173516,5 根据要求
04368-14062104190100A单作用螺纹连接1464022---10--M27x1,511010391735111 根据要求
04368-14062204190100A单作用o 型环法兰连接14640-2878,510105,5M27x1,51101039173516,5 根据要求
04368-14062104190200A单作用螺纹连接1464022---10--M27x1,511010391735111 根据要求
04368-14062204190200A单作用o 型环法兰连接14640-2878,510105,5M27x1,51101039173516,5 根据要求
订货号类型形状类型连接方式旋转方向H6H7H8H9H10LL1L2L3L4L5L6体积流量
最大值
(cm³/s)
需油量 / 行程
(cm³)
CAD配件价格订购
04368-14081104190100A双作用螺纹连接881211,5-4022,516x45°----2,51,2 根据要求
04368-14081204190100A双作用o 型环法兰连接881211,58,55032-2422-2,52,51,2 根据要求
04368-14081104190200A双作用螺纹连接881211,5-4022,516x45°----2,51,2 根据要求
04368-14081204190200A双作用o 型环法兰连接881211,58,55032-2422322,52,51,2 根据要求
04368-14062104190100A单作用螺纹连接6101211,5-4022,516x45°----2,51,2 根据要求
04368-14062204190100A单作用o 型环法兰连接6101211,58,55032-2422-2,52,51,2 根据要求
04368-14062104190200A单作用螺纹连接6101211,5-4022,516x45°----2,51,2 根据要求
04368-14062204190200A单作用o 型环法兰连接6101211,58,55032-2422-2,52,51,2 根据要求

液压紧凑型转角夹具,双 / 单作用式,带有弹簧复位,B 型,法兰位于底部

更多信息

图纸

液压紧凑型转角夹具,双 / 单作用式,带有弹簧复位,B 型,法兰位于底部

商品选择/筛选

订货号类型形状类型连接方式旋转方向活塞直径行程B

B2B3
B4D

GHH2H3H5H6CAD配件价格订购
04368-14081105190100B双作用螺纹连接1483522--10M27x1,51109170118 根据要求
04368-14081205190100B双作用o 型环法兰连接1483522161610M27x1,51109170118 根据要求
04368-14081105190200B双作用螺纹连接1483522--10M27x1,51109170118 根据要求
04368-14081205190200B双作用o 型环法兰连接1483522161610M27x1,51109170118 根据要求
04368-14062105190100B单作用螺纹连接1463522--10M27x1,51109170116 根据要求
04368-14062205190100B单作用o 型环法兰连接1463522161610M27x1,51109170116 根据要求
04368-14062105190200B单作用螺纹连接1463522--10M27x1,51109170116 根据要求
04368-14062205190200B单作用o 型环法兰连接1463522161610M27x1,51109170116 根据要求
订货号类型形状类型连接方式旋转方向H7H8H9H10H11LL3L8体积流量
最大值
(cm³/s)
需油量 / 行程
(cm³)
CAD配件价格订购
04368-14081105190100B双作用螺纹连接81211,57225035-2,51,2 根据要求
04368-14081205190100B双作用o 型环法兰连接81211,57225035582,51,2 根据要求
04368-14081105190200B双作用螺纹连接81211,57225035-2,51,2 根据要求
04368-14081205190200B双作用o 型环法兰连接81211,57225035582,51,2 根据要求
04368-14062105190100B单作用螺纹连接101211,57225035-2,51,2 根据要求
04368-14062205190100B单作用o 型环法兰连接101211,57225035-2,51,2 根据要求
04368-14062105190200B单作用螺纹连接101211,57225035-2,51,2 根据要求
04368-14062205190200B单作用o 型环法兰连接101211,57225035-2,51,2 根据要求

液压紧凑型转角夹具,双 / 单作用式,带有弹簧复位,C 型,具有旋入式螺纹

更多信息

图纸

液压紧凑型转角夹具,双 / 单作用式,带有弹簧复位,C 型,具有旋入式螺纹

商品选择/筛选

订货号类型形状类型连接方式旋转方向活塞直径行程D

D3D4GHH2H3H4H6H7H8H9L8体积流量
最大值
(cm³/s)
需油量 / 行程
(cm³)
CAD配件价格订购
04368-14081306190100C双作用钻孔通道1481024,525M28x1,5110917058881211,5362,51,2 根据要求
04368-14081306190200C双作用钻孔通道1481024,525M28x1,5110917058881211,5362,51,2 根据要求
04368-14062306190100C单作用钻孔通道1461024,525M28x1,51109170586101211,5362,51,2 根据要求
04368-14062306190200C单作用钻孔通道1461024,525M28x1,51109170586101211,5362,51,2 根据要求
我的 norelemE-Mail密码
购物车
商品数量: 0
总数: 0.00  
点击购物车
欢迎扫描二维码
咨询诺瑞朗官方客服微信
中国
苏ICP备20011289号-1  苏公网安备32058502011222 网页地图 打印 推荐 Top
Copyright © 2025 norelem. 保留所有权利。 电话 +49 71 45/206-44 至 45 · 传真 +49 71 45/206-83