norelem 使用 Cookies 以优化设计和持续改进网页。您通过继续使用网页,同意使用 Cookies。在我们的
数据保护声明
中可以找到有关 Cookies 主题的详细信息。
同意
全球分布
创意
AGB
版权说明
数据保护
产品
企业信息
服务
下载
新闻
联系方式
产品概览
固定
灵活的标准件系统
装配
装配系统
运动
用于机床和设备制造的系统/组件
检查
量具检具组件
夹紧
夹紧技术
控制和调节
电动机构
输送
输送和移动技术
technoshop
norelem inch
英制产品目录
05990-20
带支架的不锈钢状态感应器 用于快速夹钳
返回
产品
产品概览
灵活的标准件系统
快速夹钳、 气动夹钳、 夹钳配件、 搭扣、 旋转锁销
快速夹钳附件
带支架的不锈钢状态感应器 用于快速夹钳
商品描述/产品说明
产品说明
产品描述:
带支架的状态传感器用于查询快速夹钳的运行状态。
传感器检测快快速夹钳是打开还是关闭的,并能够以电子方式处理此状态信息。
将传感器通过支架连接到快速夹钳。
材料:
不锈钢。
规格:
亮色。
提示:
状态传感器和支架在交付时未组装。
技术参数:
感应式传感器:
输出电路:常闭触点 (NO)
工作电压:10 - 30 V DC
工作电流:100 mA
开关距离:0.8 mm
开关频率:5000 Hz
防短路:有
反极性保护:有
保护级别:IP 67
连接方式:0.3 m 电缆,PUR,带连接器
温度范围:-25° C - +70°C
许可证:CE、c-UL-us、UKCA;WEEE
温度范围:
温度范围:-25° C - +70°C
装配:
使用螺母将状态传感器连接到支架上并设置尺寸为 L1。
支架通过支脚和安装面之间的通孔用快速夹钳螺钉固定。
安装快速夹钳后要进行开关点的微调。
详细步骤参见安装说明。
附件:
带水平支脚的水平快速释放装置 05900。
带水平支脚的垂直快速释放装置 05908。
插头连接器 M8x1 插座,带螺丝锁,非屏蔽 80150。
电缆扎带固定块 10451。
安全:
状态感应器不适用人身的安全防护。
图纸提示:
1) LED-指示灯
BN = 棕色
BK = 黑色
BU = 蓝色
特点:
下载
此处为收集信息的 PDF:
查找 CAD 数据?请直接在产品列表中查找。
Datasheet 05990-20 带支架的不锈钢状态感应器 用于快速夹钳
535 kB
图片(总概述)
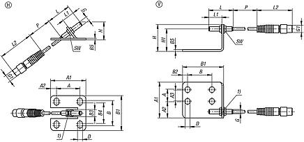
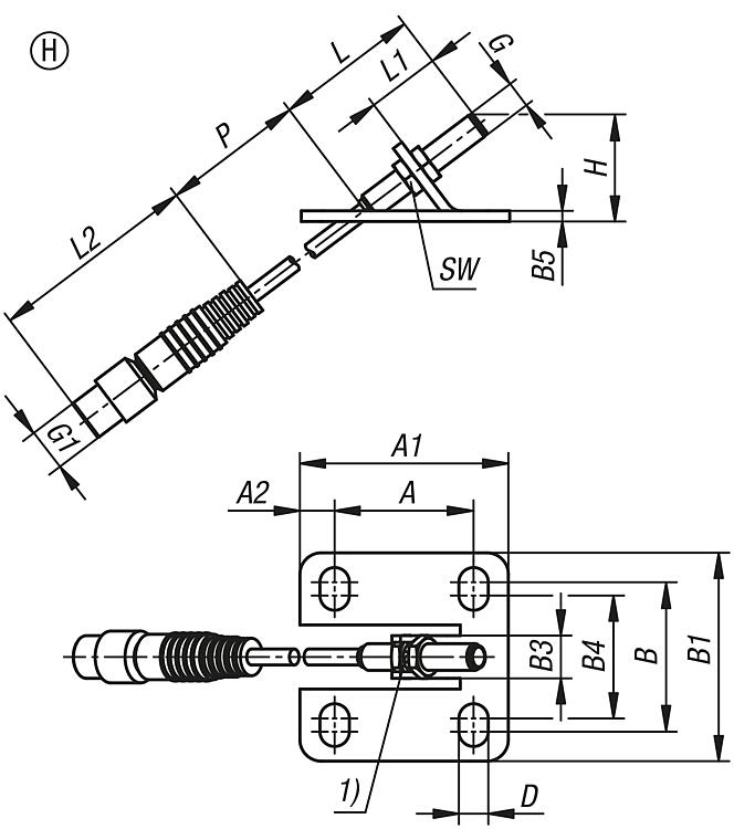
带支架的不锈钢状态感应器,H 型,用于水平压紧式快速夹钳
更多信息
图纸
商品选择/筛选
订货号
类型
A
A1
A2
B
B1
B3
B4
B5
D
G
G1
H
L
L1
L2
P
SW
适用快速夹钳
M=主轴
快速
张紧器
CAD
配件
价格
订购
05990-20-06111
H
26
39
6,5
28
39
8
23
2
5,5
M5X0,5
M8x1
20,1
27
13,8
39
300
7
05900
M6x35
根据要求
05990-20-08111
H
26
44
9
31
45
8
24
2
6,2
M5X0,5
M8x1
27,3
27
20,6
39
300
7
05900
M8x45
根据要求
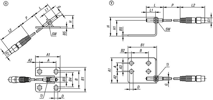
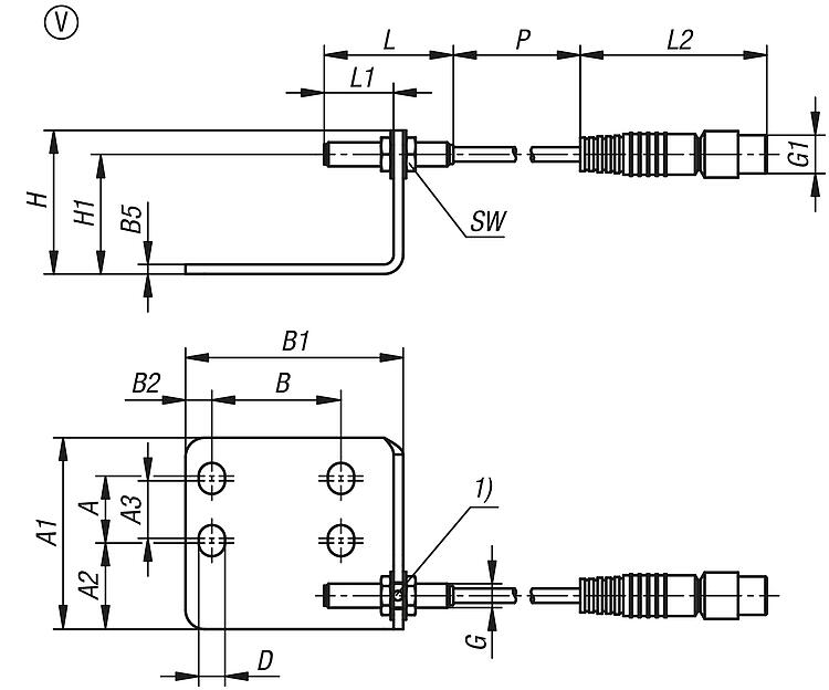
带支架的不锈钢状态感应器,V 型,用于垂直压紧式快速夹钳
更多信息
图纸
商品选择/筛选
订货号
类型
A
A1
A2
A3
B
B1
B2
B5
D
G
G1
H
H1
L
L1
L2
P
SW
适用快速夹钳
M=主轴
快速
张紧器
CAD
配件
价格
订购
05990-20-06121
V
14
40
18
12
27
45,5
5,5
2
5,5
M5X0,5
M8x1
30
25
27
14,5
39
300
7
05908
M6x35
根据要求
05990-20-08121
V
21
45
15
19
32
49
6,5
2
6,8
M5X0,5
M8x1
30
25
27
14,5
39
300
7
05908
M8x45
根据要求
本类目的其他商品
<<
|
<
|
1-10
|
11-20
|
>
|
>>
05200
塑料把手,方形,带方形支架,绿色
05220
弹簧螺杆
05240
带弹簧柱塞和止推环的钢制压紧螺栓
05241
带弹簧柱塞和夹紧销的钢制压紧螺栓
05242
带弹簧柱塞的螺纹销
05260
橡胶头压紧螺栓
05280
橡胶保护帽
05880
钢制角形托架,镀锌和钝化处理
05880-01
钢制角形托架,镀锌和钝化处理,适用于快速夹头
05885-01
刚性压杆
<<
|
<
|
1-10
|
11-20
|
>
|
>>
我的 norelem
E-Mail
密码
忘记密码
首次登陆
购物车
商品数量:
0
总数:
0.00
€
点击购物车
欢迎扫描二维码
咨询诺瑞朗官方客服微信
Algérie
Andorra
Argentina
Australia
België
Bolivia
Bosna i Hercegovina
Brasil
Canada
Česká republika
Chile
中国
Colombia
Costa Rica
Cuba
Danmark
Dem. Peop. Rep. of Korea
Deutschland
Ecuador
Eesti
España
Georgia
香港
Hrvatska
India
Ireland
Ísland
Italia
Jamaica
日本
Latvija
Liechtenstein
Lietuvos
Luxemburg
Magyarország
Malaysia
Malta
México
Nederland
New Zealand
Norge
Österreich
Pakistan
Paraguay
Perú
Polska
Portugal
Principauté de Monaco
台灣
Rep. di San Marino
대한민국
România
Schweiz
Singapore
Slovenija
Slovensko
South Africa
Suomi
Sverige
Türkiye
United Kingdom
United States of America
Uruguay
Venezuela
Việt Nam
Ελλάδα
Κύπρος
Беларусь
България
Република Србија
Россия
Србија и Црна Гора
Україна
ישראל
الامارات العربية المتحدة
السعودية
ايران
مصر
ประเทศไทย
Chinese
English
苏ICP备20011289号-1
苏公网安备32058502011222
网页地图
打印
推荐
Top
Copyright © 2025 norelem. 保留所有权利。
电话 +49 71 45/206-44 至 45 · 传真 +49 71 45/206-83