norelem 使用 Cookies 以优化设计和持续改进网页。您通过继续使用网页,同意使用 Cookies。在我们的数据保护声明中可以找到有关 Cookies 主题的详细信息。同意
钢制推杆夹钳
夹持力可达 3575 N
05837-26

钢制推杆夹钳 夹持力可达 3575 N

返回

商品描述/产品说明

查看/筛选所有商品
产品说明材料:钢制。规格:钢制镀锌。
耐油塑料手柄。
提示:A 型:夹钳锁定在封闭的把手位置。
因此,仅用于拉紧。
B 型和 C 型:夹钳锁定在封闭和打开的把手位置。
因此可以按下它和拉动它。
特点:
RoHS
下载此处为收集信息的 PDF:

查找 CAD 数据?请直接在产品列表中查找。
 Datasheet 05837-26 钢制推杆夹钳 夹持力可达 3575 N 459 kB

图片(总概述)

钢制推杆夹钳
夹持力可达 3575 N
钢制推杆夹钳
夹持力可达 3575 N

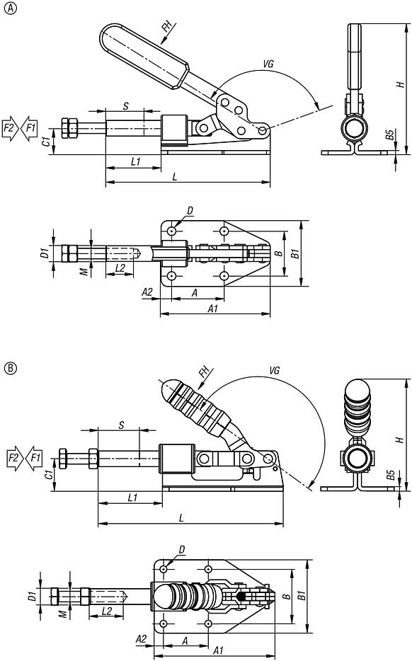
钢制推杆夹钳,夹持力可达 3575 N,A 型

更多信息

图纸

钢制推杆夹钳,夹持力可达 3575 N,A 型

商品选择/筛选

订货号类型AA1A2B

B1B5C1D

D1H行程
S
LL1L2M把手转角把手施力
FH
N
夹紧力
F1
N
夹持力
F2
N
CAD配件价格订购
05837-26-018001A4083834503206,511,999,5301254221M8x50140°5012001800 根据要求

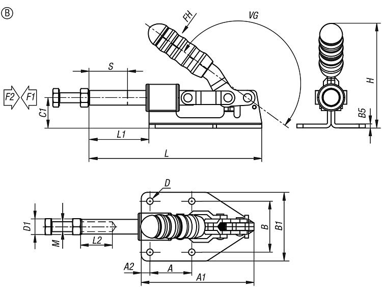
钢制推杆夹钳,夹持力可达 3575 N,B 型

更多信息

图纸

钢制推杆夹钳,夹持力可达 3575 N,B 型

商品选择/筛选

订货号类型AA1A2B

B1B5C1D

D1H行程
S
LL1L2M把手转角把手施力
FH
N
夹紧力
F1
N
夹持力
F2
N
CAD配件价格订购
05837-26-018002B3491,5741,355,6324,65,211,984,531,8140,849,325,4M8x50180°5012001800 根据要求

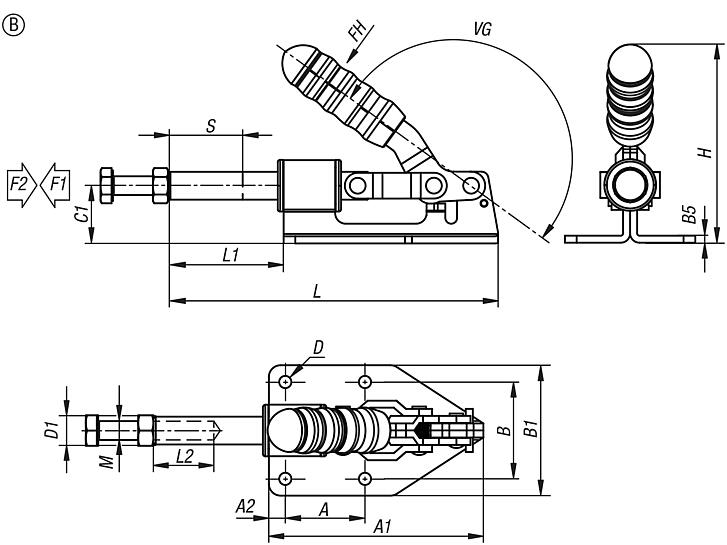
钢制推杆夹钳,夹持力可达 3575 N,C 型

更多信息

图纸

钢制推杆夹钳,夹持力可达 3575 N,C 型

商品选择/筛选

订货号类型AA1A2B

B1B5C1D

D1H行程
S
LL1L2L3M把手转角把手施力
FH
N
夹紧力
F1
N
夹持力
F2
N
CAD配件价格订购
05837-26-035753C41,357,2841,357,2644,48,715,712241,3171,39825,448,6M10x50180°8018003575 根据要求
我的 norelemE-Mail密码
购物车
商品数量: 0
总数: 0.00  
点击购物车
欢迎扫描二维码
咨询诺瑞朗官方客服微信
中国
苏ICP备20011289号-1  苏公网安备32058502011222 网页地图 打印 推荐 Top
Copyright © 2025 norelem. 保留所有权利。 电话 +49 71 45/206-44 至 45 · 传真 +49 71 45/206-83