|
|
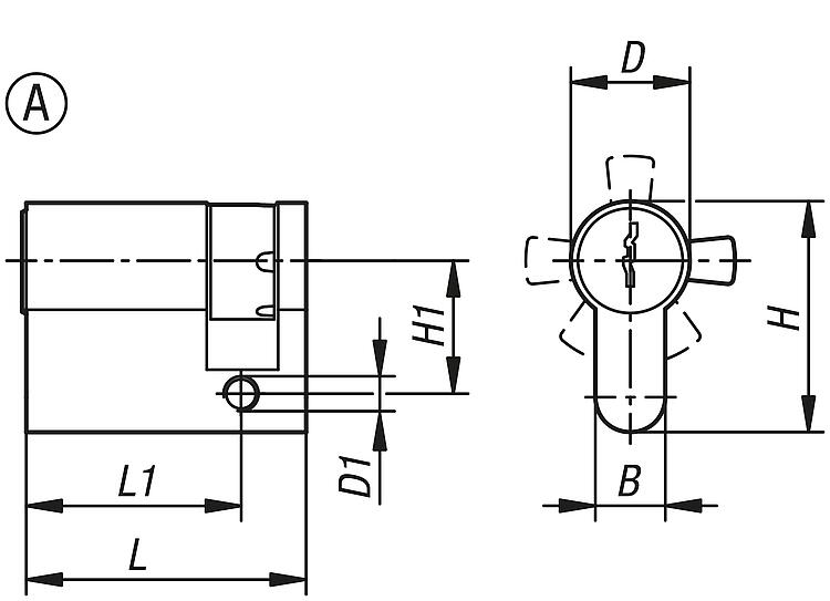
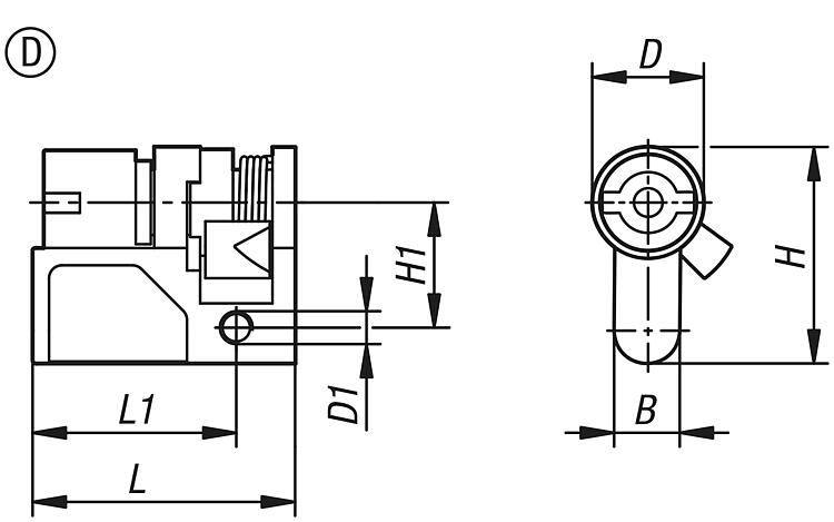
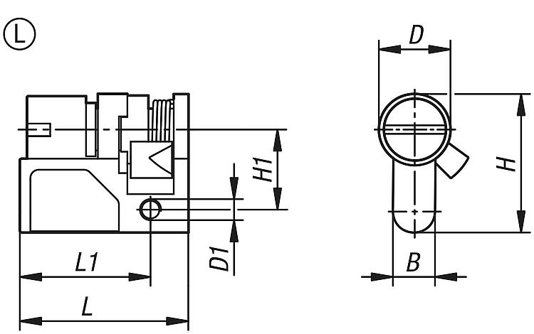
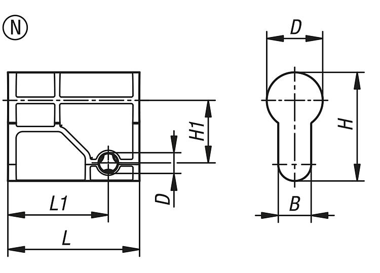
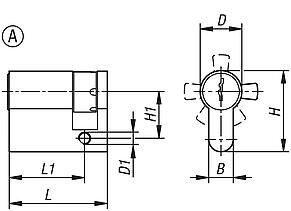
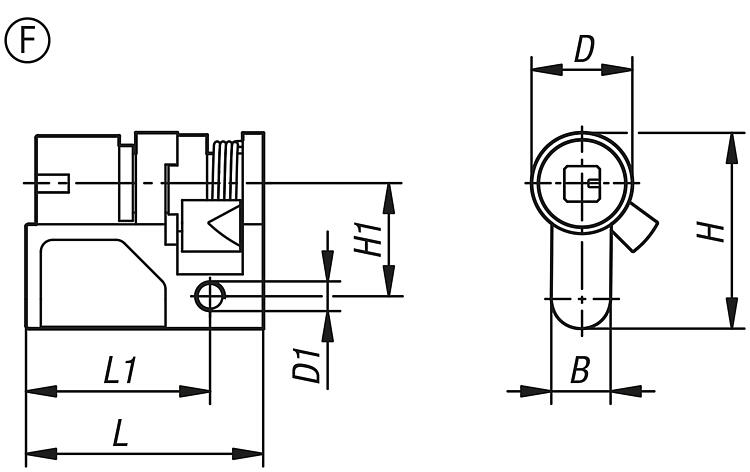
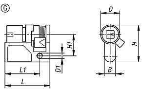
产品说明材料:黄铜、锌或塑料型材半圆柱锁芯。规格:镀镍锌。提示:型材半圆柱锁芯可与摇杆组合使用。型材半圆柱锁芯内置于摇杆中,例如用于固定控制柜。锁芯为半圆柱锁芯,只能从一侧(外部)锁紧。
A 型:A 型型材半圆柱锁芯配有两把钥匙。锁闭为不同的锁定机制,即每把锁只能用随附的两把钥匙打开。
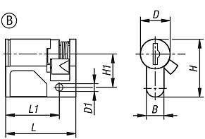
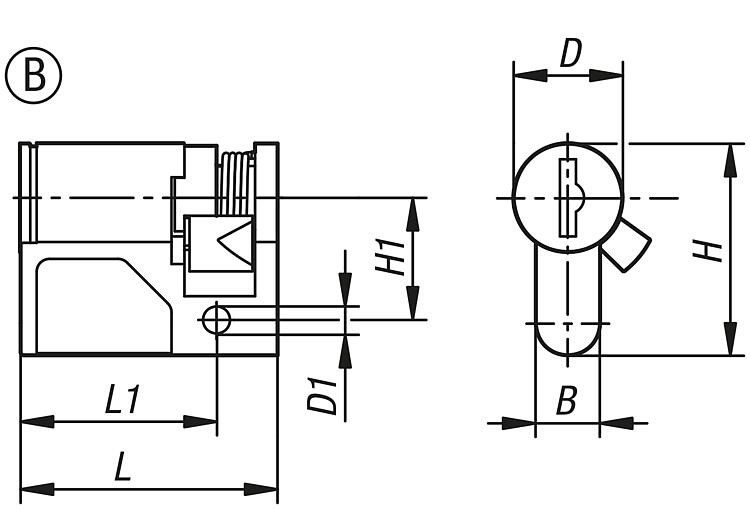
B 型:B 型型材半圆柱锁芯配有两把钥匙。锁的钥匙相同,即每把锁都可以用同一把钥匙打开(钥匙 1333)。
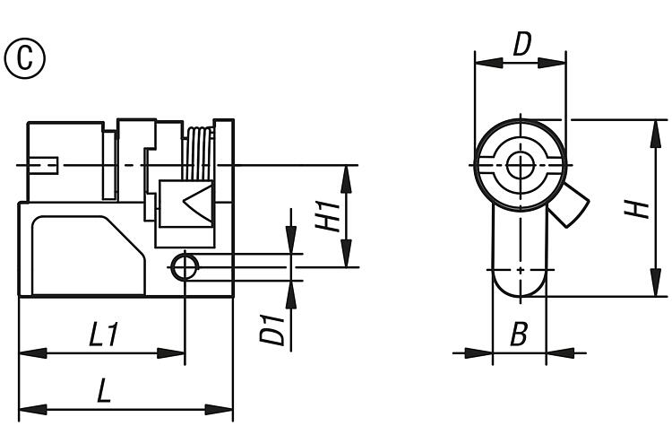
C 型:带 3 mm 双齿钥匙的型材半圆柱锁芯。
D 型:带 5 mm 双齿钥匙的型材半圆柱锁芯。
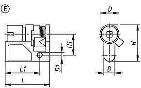
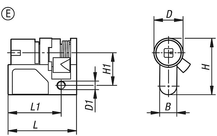
E 型:带 6 mm 四方形钥匙的型材半圆柱锁芯。
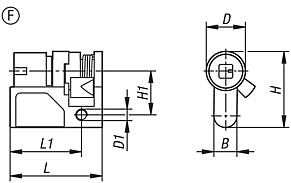
F 型:带 7 mm 四方形钥匙的型材半圆柱锁芯。
G 型:带 8 mm 四方形钥匙的型材半圆柱锁芯。
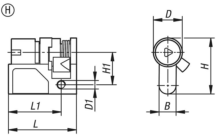
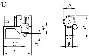
H 型:带 6 mm 三棱形钥匙的型材半圆柱锁芯。
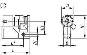
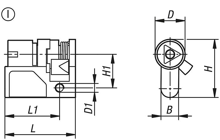
I 型:带 10 mm 三棱形钥匙的型材半圆柱锁芯。
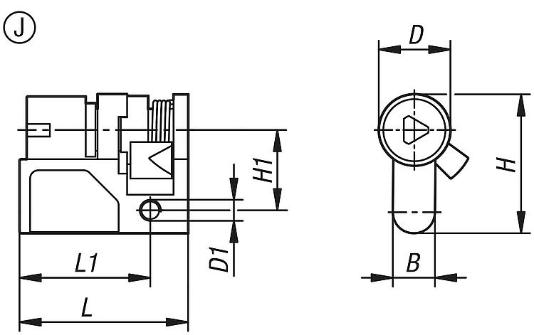
J 型:带 7 mm 三棱形钥匙的型材半圆柱锁芯。
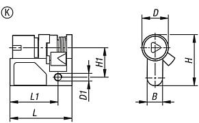
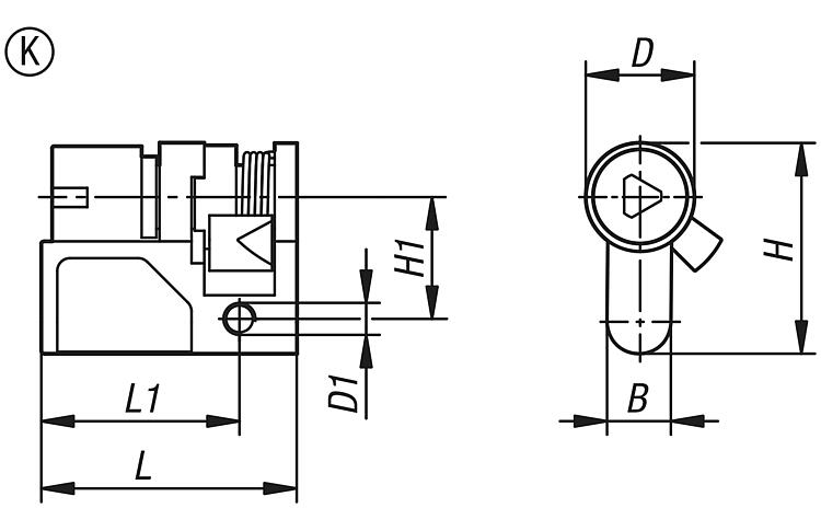
K 型:带 8 mm 三棱形钥匙的型材半圆柱锁芯。
L 型:带槽的型材半圆柱锁芯。
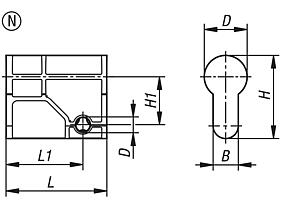
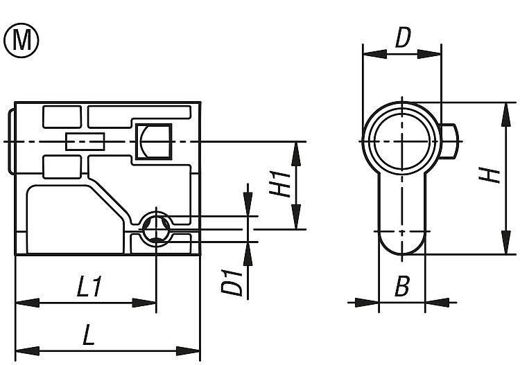
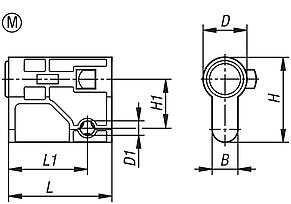
M 型:模具嵌件。
M 型:自锁模具嵌件。附件:05600-01 用于型材圆柱锁芯的塑料摇杆。 05600-02 塑料摇杆。特点: 下载此处为收集信息的 PDF:
查找 CAD 数据?请直接在产品列表中查找。
|
| 订货号 | 名称 | 类型 1 | 类型 | 主体 材料 | 操作元件 | B | D
| D1 | H | H1 | L | L1 | CAD | 配件 | 价格 | 订购 |
|---|
| 05601-00 | 型材半圆柱锁芯 | 分别锁闭 | A | 黄铜 | 锁 | 10 | 17 | M5 | 33 | 19 | 40 | 31 |  | | 根据要求 | |
|
| 订货号 | 名称 | 类型 1 | 类型 | 主体 材料 | 操作元件 | B | D
| D1 | H | H1 | L | L1 | CAD | 配件 | 价格 | 订购 |
|---|
| 05601-01 | 型材半圆柱锁芯 | 相同锁定 | B | 锌制 | 锁 | 10 | 17 | M5 | 33 | 19 | 40 | 30,5 |  | | 根据要求 | |
|
| 订货号 | 名称 | 类型 1 | 类型 | 主体 材料 | 操作元件 | B | D
| D1 | H | H1 | L | L1 | CAD | 配件 | 价格 | 订购 |
|---|
| 05601-02 | 型材半圆柱锁芯 | 模具嵌件锁定 | C | 锌制 | 双齿 3 mm | 10 | 17 | M5 | 33 | 19 | 40 | 31 |  | | 根据要求 | |
|
| 订货号 | 名称 | 类型 1 | 类型 | 主体 材料 | 操作元件 | B | D
| D1 | H | H1 | L | L1 | CAD | 配件 | 价格 | 订购 |
|---|
| 05601-03 | 型材半圆柱锁芯 | 模具嵌件锁定 | D | 锌制 | 双齿 5 mm | 10 | 17 | M5 | 33 | 19 | 40 | 31 |  | | 根据要求 | |
|
| 订货号 | 名称 | 类型 1 | 类型 | 主体 材料 | 操作元件 | B | D
| D1 | H | H1 | L | L1 | CAD | 配件 | 价格 | 订购 |
|---|
| 05601-04 | 型材半圆柱锁芯 | 模具嵌件锁定 | E | 锌制 | 方形 mm | 10 | 17 | M5 | 33 | 19 | 40 | 31 |  | | 根据要求 | |
|
| 订货号 | 名称 | 类型 1 | 类型 | 主体 材料 | 操作元件 | B | D
| D1 | H | H1 | L | L1 | CAD | 配件 | 价格 | 订购 |
|---|
| 05601-05 | 型材半圆柱锁芯 | 模具嵌件锁定 | F | 锌制 | 方形 7 mm | 10 | 17 | M5 | 33 | 19 | 40 | 31 |  | | 根据要求 | |
|
| 订货号 | 名称 | 类型 1 | 类型 | 主体 材料 | 操作元件 | B | D
| D1 | H | H1 | L | L1 | CAD | 配件 | 价格 | 订购 |
|---|
| 05601-06 | 型材半圆柱锁芯 | 模具嵌件锁定 | G | 锌制 | 方形 8 mm | 10 | 17 | M5 | 33 | 19 | 40 | 31 |  | | 根据要求 | |
|
| 订货号 | 名称 | 类型 1 | 类型 | 主体 材料 | 操作元件 | B | D
| D1 | H | H1 | L | L1 | CAD | 配件 | 价格 | 订购 |
|---|
| 05601-07 | 型材半圆柱锁芯 | 模具嵌件锁定 | H | 锌制 | 三角形 6mm | 10 | 17 | M5 | 33 | 19 | 40 | 31 |  | | 根据要求 | |
|
| 订货号 | 名称 | 类型 1 | 类型 | 主体 材料 | 操作元件 | B | D
| D1 | H | H1 | L | L1 | CAD | 配件 | 价格 | 订购 |
|---|
| 05601-08 | 型材半圆柱锁芯 | 模具嵌件锁定 | I | 锌制 | - | 10 | 17 | M5 | 33 | 19 | 40 | 31 |  | | 根据要求 | |
|
| 订货号 | 名称 | 类型 1 | 类型 | 主体 材料 | 操作元件 | B | D
| D1 | H | H1 | L | L1 | CAD | 配件 | 价格 | 订购 |
|---|
| 05601-09 | 型材半圆柱锁芯 | 模具嵌件锁定 | J | 锌制 | 三角形 7 MM | 10 | 17 | M5 | 33 | 19 | 40 | 31 |  | | 根据要求 | |
|
| 订货号 | 名称 | 类型 1 | 类型 | 主体 材料 | 操作元件 | B | D
| D1 | H | H1 | L | L1 | CAD | 配件 | 价格 | 订购 |
|---|
| 05601-10 | 型材半圆柱锁芯 | 模具嵌件锁定 | K | 锌制 | 三角形8 mm | 10 | 17 | M5 | 33 | 19 | 40 | 31 |  | | 根据要求 | |
|
| 订货号 | 名称 | 类型 1 | 类型 | 主体 材料 | 操作元件 | B | D
| D1 | H | H1 | L | L1 | CAD | 配件 | 价格 | 订购 |
|---|
| 05601-11 | 型材半圆柱锁芯 | 模具嵌件锁定 | L | 锌制 | 一字槽 | 10 | 17 | M5 | 33 | 19 | 40 | 31 |  | | 根据要求 | |
|
| 订货号 | 名称 | 类型 1 | 主体 材料 | 类型 | B | D
| D1 | H | H1 | L | L1 | CAD | 配件 | 价格 | 订购 |
|---|
| 05601-12 | 模具嵌件 | 盲塞 | GF30 | M | 10 | 17 | 5,5 | 33 | 19 | 40 | 30,5 |  | | 根据要求 | |
|
| 订货号 | 名称 | 类型 1 | 主体 材料 | 类型 | B | D
| D1 | H | H1 | L | L1 | CAD | 配件 | 价格 | 订购 |
|---|
| 05601-13 | 模具嵌件 | 盲塞 | GF30 | N | 10 | 17 | 5,5 | 33 | 19 | 40 | 30,5 |  | | 根据要求 | |
|
|
|