|
|
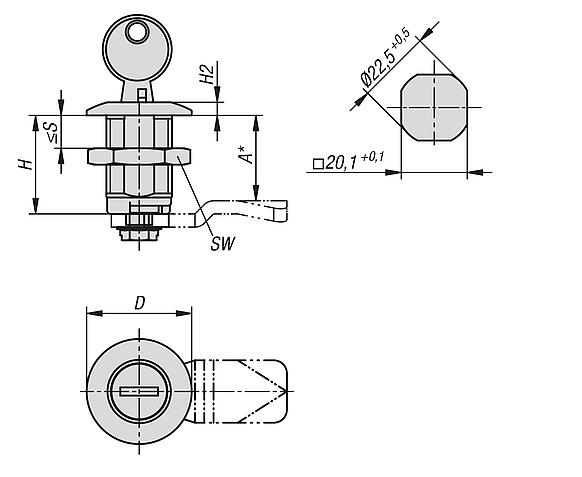
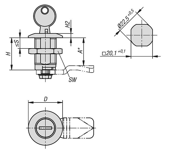
产品说明材料:壳体和操作件为压铸锌材质。 钢制螺母。规格:壳体和操作件镀铬。 镀锌螺母。提示:可锁定旋转锁销,可在左侧或右侧使用,关闭行程 90°。旋转锁销可预安装(除了带向下弯折的舌簧以外)。 配有不锈钢气缸盖和防尘罩。
这种可闭合的旋转锁销随供有 2 把钥匙。在两种状态下(开启和锁定)都可拔出钥匙。锁的钥匙相同,即每把锁都可以用同一把钥匙打开(钥匙 1333)。
请单独订购所需规格的舌簧。每种舌簧都可以与壳体组合。
*尺寸 A 由旋转锁销和簧片组合而成,显示的是匹配的簧片。附件:钢制舌簧,带限位器 05564-15。 旋转锁销的钥匙 05586。特点: 下载此处为收集信息的 PDF:
查找 CAD 数据?请直接在产品列表中查找。
|
| 订货号 | D
| H | H2 | S max. | SW | 操作元件 | CAD | 配件 | 价格 | 订购 |
|---|
| 05564-14-30321 | 32 | 30 | 4 | 20 | 27 | 相同锁定的钥匙 |  | | 根据要求 | | | 05564-14-50321 | 32 | 50 | 4 | 40 | 27 | 相同锁定的钥匙 |  | | 根据要求 | |
|
|